EasyManua.ls Logo

Panasonic DMR-E75VP - Page 226

Panasonic DMR-E75VP
235 pages
Print Icon
To Next Page IconTo Next Page
To Next Page IconTo Next Page
To Previous Page IconTo Previous Page
To Previous Page IconTo Previous Page
Loading...
H
L
L
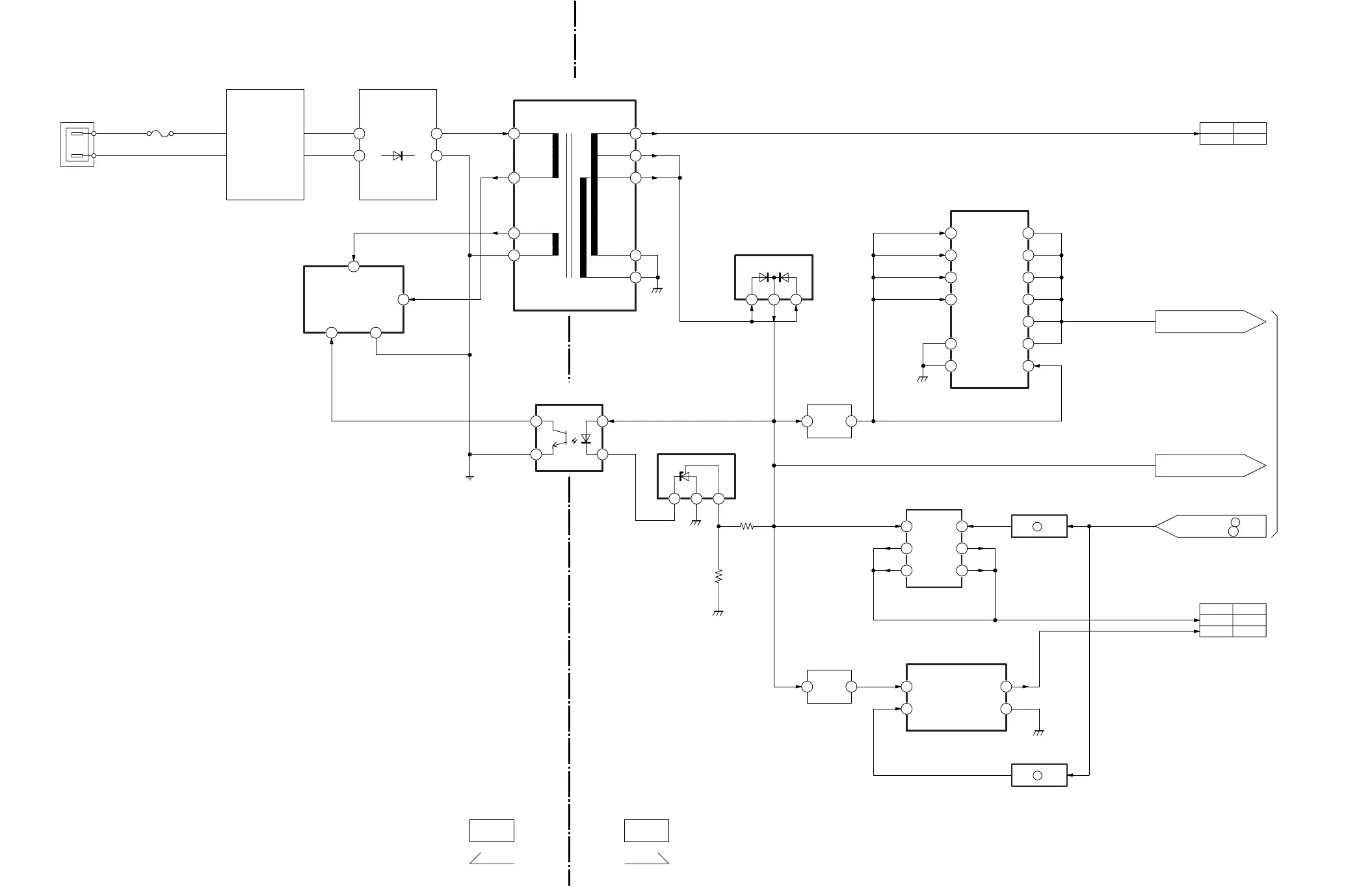
DMR-E75VP
Power Supply
Block Diagram
18 GND
17 GND
DR +5V
DR +12V
SECTION
I/F
DIGITAL
TO/FROM
44
11
TO RAM DRIVE UNIT
P101P11103
X SW+15.5V
TO MAIN P.C.B.
11
P6002P31902
X SW +5.8V
X SW +13V
86
IC37501-
DR P ON
QR11301
SW OUT
QR11300
SW OUT
1
IP11500
2 1 VOUT 8
IC11500
(REG.DR+5V)
VIN
25GNDP-ON/OFF
(REG.DR +12V)
Q11270
1
2
3
D
D
G
D
D
S
6
5
4
VOUT 22
19VCC
VOUT 23
25VOUT
VOUT 2
6 VDD
5 VDD
4 VDD
VDD3
21
D11270
3
231
RAC
1
2
4
(ERROR VOLTAGE DET.)
IC11200
3
(FEED BACK)
Q11200
VCC
4
12
11
9
2
B2
B1
3
4
VOUT
1
3
2
VOUT
24
GND
3
1
2
IP11400
1
IC11400
P2
7
4
(DC/DC CONVERTER)
8
HOT COLD
P1
IC11150
F/B
DRAIN 5
2
6
SW TRANSFORMER
T11150
RECTIFIER
C11141,C11142
D11141
L11121
D11110,L11120
(250V2A)
F11101
ABSORBER
SURGE
AND
SUPPRESSOR
SURGE
(SW IC)
P11101
AC SOCKET

Related product manuals