EasyManua.ls Logo

Panasonic DMR-E80HP - Page 140

Panasonic DMR-E80HP
180 pages
Print Icon
To Next Page IconTo Next Page
To Next Page IconTo Next Page
To Previous Page IconTo Previous Page
To Previous Page IconTo Previous Page
Loading...
D
D
H
Laser hour
U/H/F Error
Model information
Firm ware
Mini boot
MP3 Playback
Audio EE Delay
SDRAM
16bit/128M-
AUDIO EE SIGNAL
VIDEO EE SIGNAL
24
-3/
12TC
AUDIO
ANALOG
ST0 ST7
25
-1/2/TC
10TC
-1/2
14
DATA/ADDRESS BUS LINE
21TC
2
/
1
-
7
TC
DATA(MSD16 MSD31)/ADDRESS BUS LINE(MSA1 MSA7)
25TC
DATA/ADDRESS BUS LINE
REC656
27MHz
REC656
27MHz
VCLKPCLK
128102
ENAD
AD IN2
95
85
I/F
SDRAM
54MHz
27MHz
IC50014
IC50001
X3202
IC3205
IC3204
Q3202
Q3201
(27MHz)
PLL
CLK27I
158
CLK27O
APCE
143164
CLPOS
CIN
VIDEO
SECTION
BLOCK
AUDIO
ANALOG
SECTION
BLOCK
VIDEO
ANALOG
I/F
IDE
BLOCK SECTION
VIDEO
TO ANALOG
Q50003
BUFFER
Q50002
BUFFER
Q50001
BUFFER
Q50005
BUFFER
Q50004
BUFFER
XVCO(54MHz)
24
T
C
(NAND FROM)
STRAGE
DATA
IC6704
P.C.B.
Main
P.C.B.
Digital
Ref.No.7500 SERIES
Ref.No.1500 SERIES
Ref.No.4000 SERIES
Ref.No.3000 SERIES
PP9701,PP9702,PP9703
Ref.No.7400 SERIES
Ref.No.6700 SERIES
Ref.No.6000 SERIES
Ref.No.3200/4400 SERIES
AV-Input
System Control
P9001,P9002,P9003
Main P.C.B.connect circuit
Ref.No.9000 SERIES
Glue
Digital Net
Timer
AV-Encoder
Ref.No.
Circuit Name
P.C.B. Name
AV-Decoder
Ref.No.50000 SERIES
Ref.No.3400 SERIES
Main Net
Digital P.C.B.connect circuit
Video I/O Main
Audio Main
-1/2/TC
-1/2
20TC 17
-
2
/
1
2
/
1
-
2
/
1
-
2
/
1
-
16TC
-
2
/
1
MEMORY
WORKING
17
T
C
-
2
/
1
IC4402
(AUDIO BUFFER)
6
2
7
1
SD0-SD31 DATA BUS LINE
SA0-SA25 ADDRESS BUS LINE
-
3
2
/
1
-
12
T
C
18
T
C
IC6007
BUFFER
5
13
89
1920
14
15
22
10
2
11
12
3
6
TC
TC
TCTC
TC
T
C
T
C
T
C
T
C
T
C
T
C
T
C
T
C
T
C
T
C
4
T
C
SYNCHRO.
FRAME
IC50004IC50002
1818
PP9701
P9001
1616
PP9701
P9001
1515
PP9701
P9001
2222
PP9701
P9001
20 20
PP9701
P9001
WMDET
AUDIO
CPPM
CPRM
CSS
MCP10
AV-DEC
SDRAM I/F
I/F
HOST
OSD
PROS
POST
I/F
MICON
RTSC
ENC
LOCAL
I/F
SDRAM
I/F
SDRAM
PS I/F
STREAM
I/F
HOST
ENC
AUDIO
ENC
VIDEO
384fs
27MHz
TBC
I/F
HOST
C DEC
WSS
CC
1/4
DAC3
DAC2
DAC1
DAC5
DAC4
108
114
109
120
116
RPR OUT DM
BPB OUT DM
GPY OUT DM
C OUT DM
IECOUT
94
90
IECIN
AD IN3
AD OUT1
IECOUT
88
83
96
111
IC6002 IC6006IC6004
MAIN CPU
LOADER
SDRAM
16bit/64M
SDRAM
16bit/64M
DMIX
DECIEC
Y OUT DM
IC50003
(AV DEC)
ENCODER
NTSC/PAL
ADOUT3
IECOUT
MIXROUT DM
MIXLOUT DM
19 19
P9002
PP9702
21 21
P9002
PP9702
DATA
VOUTR
VOUTL
2
8
7
IC50010
(AUDIO 2CH DAC)
IC6701
(GLUE)
17 17
P9002
PP9702
P9002
P9002
12
14
SDRAM
16bit/16M
IC3201
66
65
(40MHz OSC)
X3401
Y/C
3D
ADC
ADC
27
P9001
P9001
P9001
28
30
25
39
DOUT
VINR
VINL
12
2
1
20
10
14
12
25
30
28
PP9702
PP9702
PP9701
PP9701
PP9701
(AUDIO ADC)
IC4403
AADC R
AADC L
IC3404
16bit/128M-SDRAM
16bit/128M-SDRAM
IC3403IC3401
SDRAM
32bit/64M
CLAMP DC
CPNCIN DM
CPSVIN DM
IC3406
(RTSC)
IC3402
(AV ENC)
(VAD CON)
IC3203
E
V
I
R
D
M
A
R
D
V
D
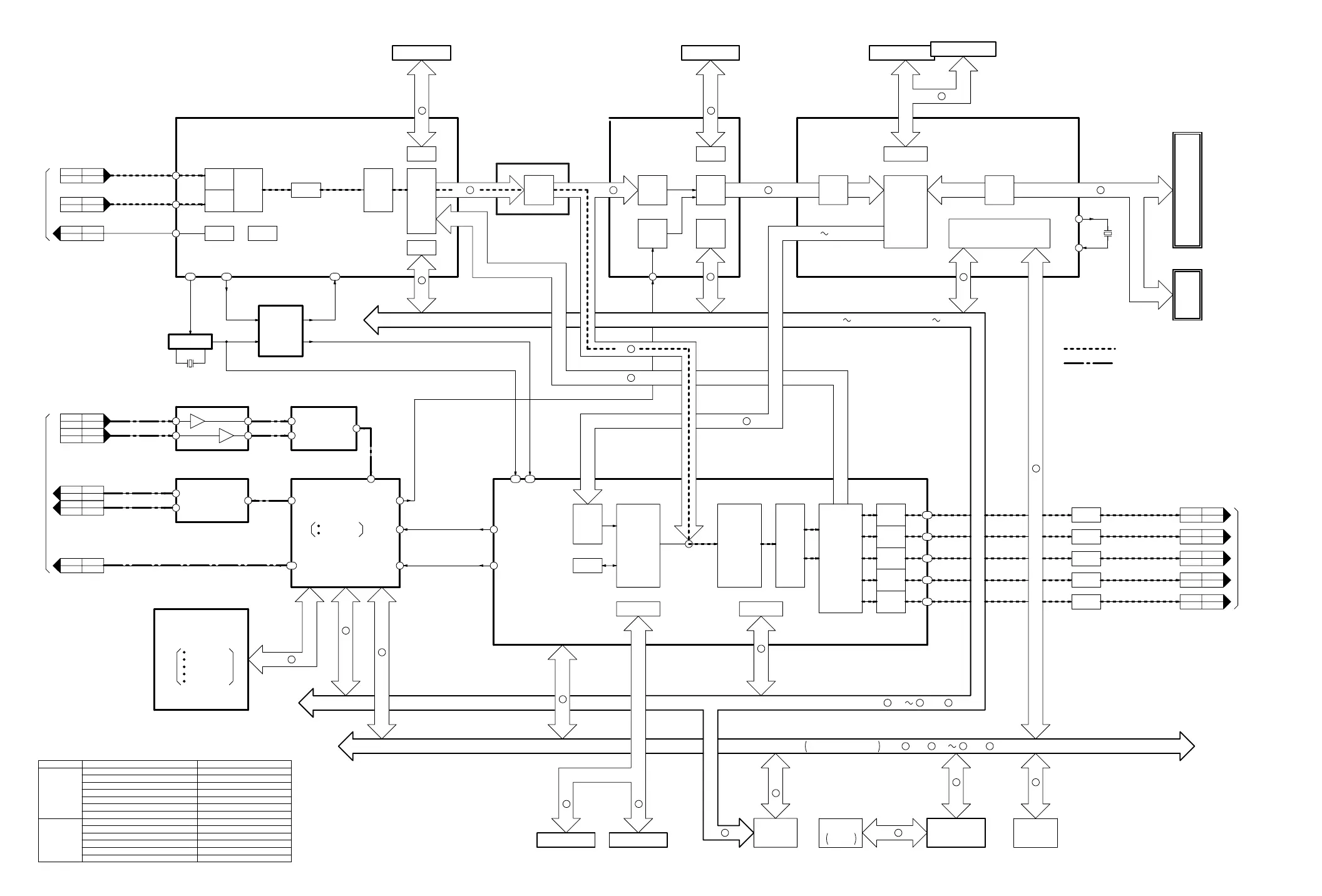
Digital Block Diagram
DMR-E80H P/PC
1
23TC
TC
ARRAY
GATE
IC3202
(VIDEO PROCESSOR)
Miniboot:Load main program and updata firmwave.
#Loader:Load booting and miniboot program.
program at "WORKING MEMORY".
4."MAIN CPU" is controled by Downloaded main
miniboot and download it to "WORKING MEMORY".
3.Search main program at "DATA STRAGE" by
by loader and download it to "WORKING MEMORY".
2.Search miniboot program at "DATA STRAGE"
1."LOADER" is booted.
<Booting process for Digital PCB>
Sub Power Supply

Other manuals for Panasonic DMR-E80HP

Related product manuals