EasyManua.ls Logo

Panasonic DMR-E80HP - Page 98

Panasonic DMR-E80HP
180 pages
Print Icon
To Next Page IconTo Next Page
To Next Page IconTo Next Page
To Previous Page IconTo Previous Page
To Previous Page IconTo Previous Page
Loading...
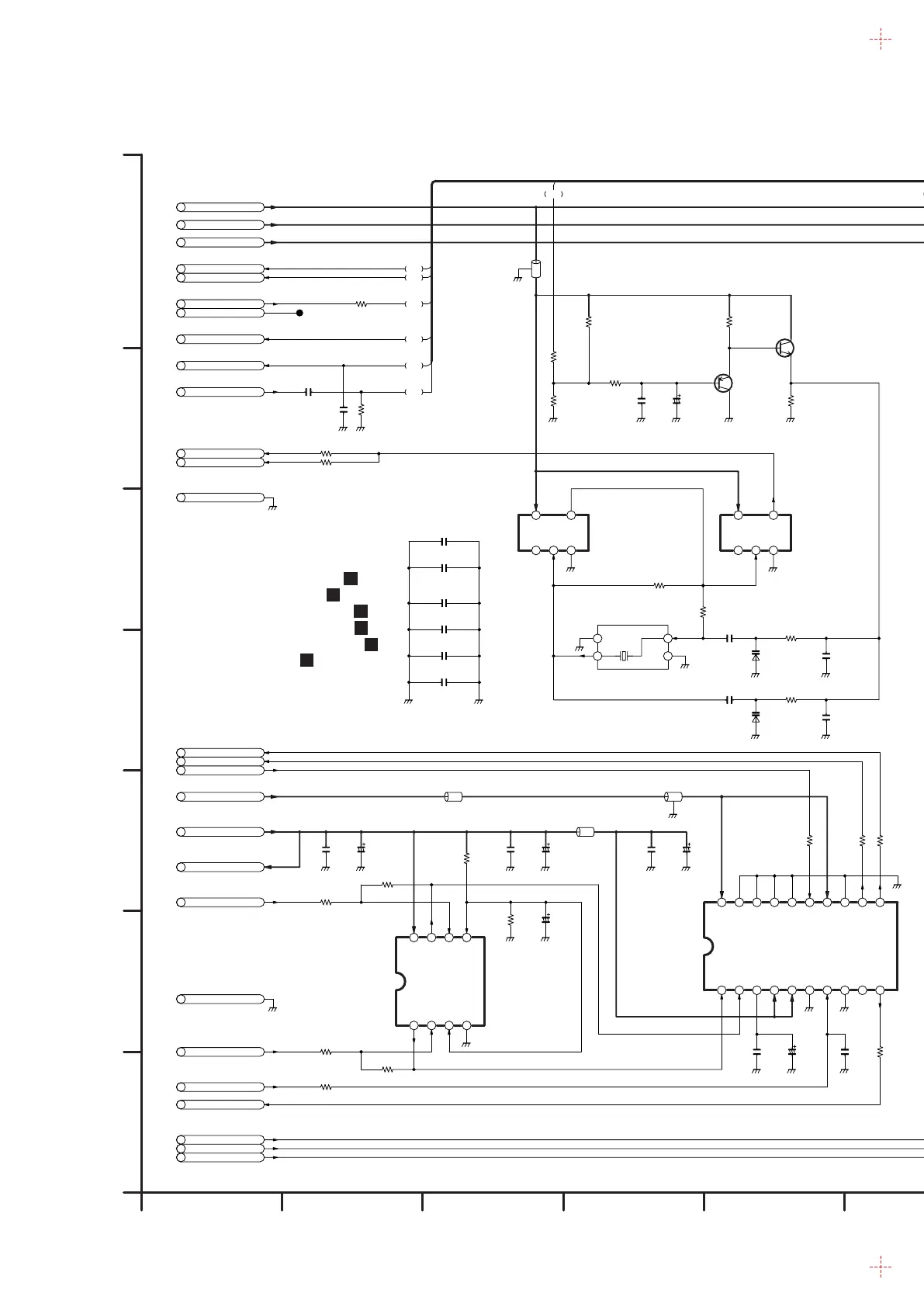
14.9. AV Input Schematic Diagram (AI) ( Digital P.C.B. 2/6 )
0.1
C3205
0.1
C3202
0.1
C3208
10K
R3206
(VIDEO PROCESSOR)
C1ZBZ0002277
IC3202
VCC(+3.3V)
CLIP
NC
SETUP
NC
VCC(+3.3V)
GND
RESET
NC
NC
NC
GND
VCC(+3.3V)
NTSC/PAL
NC
TST
NC
GND
VCC(+3.3V)
NC
GND
CLK27IN
GND
VCC(+3.3V)
GND
R656OUT7
R656OUT6
R656OUT5
R656OUT4
GND
VCC(+3.3V)
R656OUT3
R656OUT2
R656OUT1
GND
R656IN0
R656IN1
R656IN2
R656IN3
GND
VCC(+3.3V)
R656IN4
R656IN5
R656IN6
R656IN7
A9
F1H0J1050018
FL3211
22(X4)
RA3213
22(X4)
RA3214
6V22
C3201
CLIPS
SETUPS
AD
CLK27A3
R656ENC7
R656ENC6
R656ENC5
R656ENC4
R656ENC3
R656ENC2
R656ENC1
R656AIO7
R656AIO6
R656AIO5
R656AIO4
R656AIO1
R656AIO2
R656AIO0
R656AIO3
H
F1H0J1050018
FL3201
F1H0J1050018
FL3210
J0JHC000032
LB3201
R656ENC0
3
1
5
1
7
3
5
7
4
2
6
8
8
6
2
4
I
13
14
15
16
17
18
19
20
21
22
23
24
48
47
46
45
44
43
42
41
40
39
38
37
252627282930313233343536
121110987654321
R656OUT0
VCC(+3.3V)
GND
ANA3.3V
D1.8V
D3.3V
2200P
C3203
R3233 0
22K
R3211
C3216 0.01
A8
AUGND
DN
A7
A6
A5
A4
A3
A2
A1
CS
RAS
CAS
AD3
AD2
AD1
AD0
AD10
AD11
WE
DT7
DT6
DT5
DT4
DT3
DT2
DT1
DT0
AD4
AD5
AD6
AD7
AD8
AD9
DT8
DT9
DT10
DT11
DT12
DT13
DT14
DT15
DGND
DN
CL3205G CPS(H)
G
G
DN
DN
AD
DN
AD
G
G
G
AD
AD
DN
DN
DN
DN
DN
DN
DN
DN
DN
CPNCIN DM
CLK54A2
CLK54A1
R3238 0
R3237 0
C GCA CONT
Y GCA CONT
CPSVIN DM
CLAMP DC
CLAMP PULSE
LRCK
FSYNC
BYPAS
XPDWN
AGND
VCC
VREF2
VREF1
VINR
BCK
DOUT
DGND
VDD
SCKI
TEST
FMT0
FMT1
MODE0
MODE1
VINL
VEE
+INA
-INA
+INB
-INB
OUTB
VCCOUTA
ADLRCK
XADC PD
AADC L
DAC 3.3V
ENCMCK2
ADDATA
ADBCK
C4414 1000P
C4413 1000P
C4412 1000P
C4411 1000P
C4410 1000P
C4409 1000P
J0JGC0000020
LB4403
F1H0J1050018
FL4401
J0JGC0000020
LB4402
10V10
C4417
0.1
C4418
0
R4414
0
R4413
0
R4415
0
R4412
25V4.7
C4415
0.1
C4416
0.1
C4419
R4411 220
R4404 10K
R4403 10K
6V22
C4406
6800
R4406
10K
R4407
10K
R4408
6800
R4405
6V100
C4408
0.1
C4407
AU5V
AU5V
6.3V330
C4403
0.1
C4402
0.01
C3207
C3229 1000P
MA2ZV0100L
D3203
R3239 100K
0.01
C3231
MA2ZV0100L
D3204
R3242 100KC3230 1000P
680
R3241
H0J540500006
X3202
GND
GND 3
21
4
IN VSS
OUTVDD
IN VSS
OUTVDD
321
45
321
45
R3240 1M
(XVCO)
2SB1218A0L
Q3201
(XVCO)
2SD1819A0L
Q3202
1K
R3224
10K
R3223
6V100
C3227
0.1
C3226
100K
R3222
6800
R3221
5600
R3219
6800
R3220
ANA 3.3V
AADC R
4321
5678
11121314151617181920
10987654321
(A/D CONVERTER)
C0FBAK000008
IC4403
(AUDIO BUFFER)
C0ABBB000105
IC4402
C0JBAB000474
IC3205
(XVCO)(XVCO)
C0JBAB000474
IC3204
D3.3V
D1.8V
D
C
A
B
E
F
G
F1H0J1050018
FL3213
(16bit/16M SDRAM)
J0JHC0000032
LB3204
D1H82204A024
RA3202
D1H82204A024
RA3201
22(X4)
RA3204
22(X4)
RA3203
J0JHC0000032
LB3202
J0JHC0000032
LB3205
VDD
A3
A2
A1
A0
A10
A11
/CS
/RAS
/CAS
/WE
LDOM
VDD0
DO7
DO6
VSS0
DO5
DO4
VDD0
DO3
DO2
VSSO
DO1
DO0
VDD
VSS
A4
A5
A6
A7
A8
A9
NC
CKE
CLK
UDOM
NC
VDD0
DO8
DO9
VSS0
DO10
DO11
VDD0
DO12
DO13
VSSO
DO14
DO15
VSS
C3ABMG000103
IC3201
753
2468
1753
2468
1
753
2468
1753
2468
1
26272829303132333435363738394041424344454647484950
25242322212019181716151413121110987654321
J
1110987654321
G
F
E
D
C
B
A
DMR-E80H P/PC
AV Input Section(Digital P.C.B.(2/6)) Schematic Diagram(AI)
G
DN:Digital Net Section(Page: )
F
AI:AV Input Section(Page: )
G
EN:AV Encoder Section(Page: )
H
AD:AV Decoder Section(Page: )
I
S:System Control Section(Page: )
G:Glue Section(Page: )
J
K
57

Other manuals for Panasonic DMR-E80HP

Related product manuals