EasyManua.ls Logo

Panasonic FPG-C32T2H - Operation and Precautions When RUN Starts

Panasonic FPG-C32T2H
440 pages
Print Icon
To Next Page IconTo Next Page
To Next Page IconTo Next Page
To Previous Page IconTo Previous Page
To Previous Page IconTo Previous Page
Loading...
9-10
9.5.2 Operation and Precautions When RUN Starts
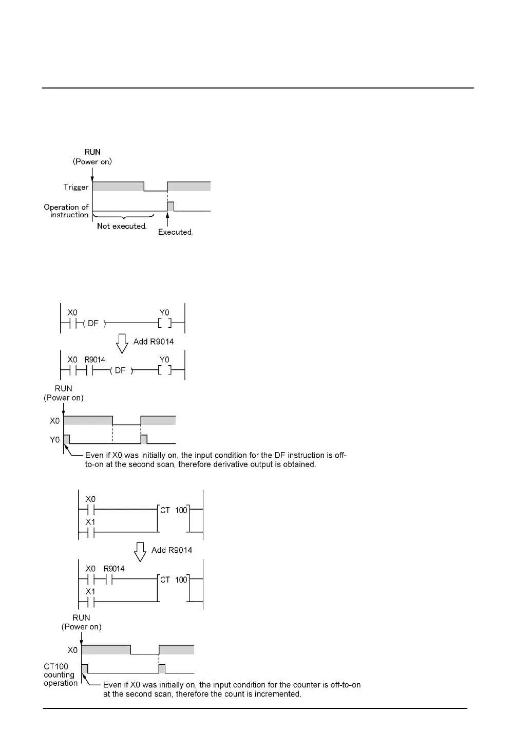
Operation of first scan after RUN begins
The leading edge detection instruction is not executed when the mode has been switched to the RUN
mode, or when the power supply is booted in the RUN mode, if the trigger (execution condition) is
already on.
If you need to execute an instruction when the trigger (execution condition) is on prior to switching to
RUN mode, make a program as below using R9014 (initial pulse off relay). (R9014 is a special internal
relay which is off during the first scan and turns on at the second scan.)
<Example 1> DF (leading edge differential) instruction
<Example 2> CT (counter) instruction

Table of Contents

Related product manuals