EasyManua.ls Logo

Panasonic FPG-C32T2H - 6.1 Overview of Each Functions

Panasonic FPG-C32T2H
440 pages
Print Icon
To Next Page IconTo Next Page
To Next Page IconTo Next Page
To Previous Page IconTo Previous Page
To Previous Page IconTo Previous Page
Loading...
6-2
6.1 Overview of Each Functions
6.1.1 Three Functions that Use Built-in High-speed Counter
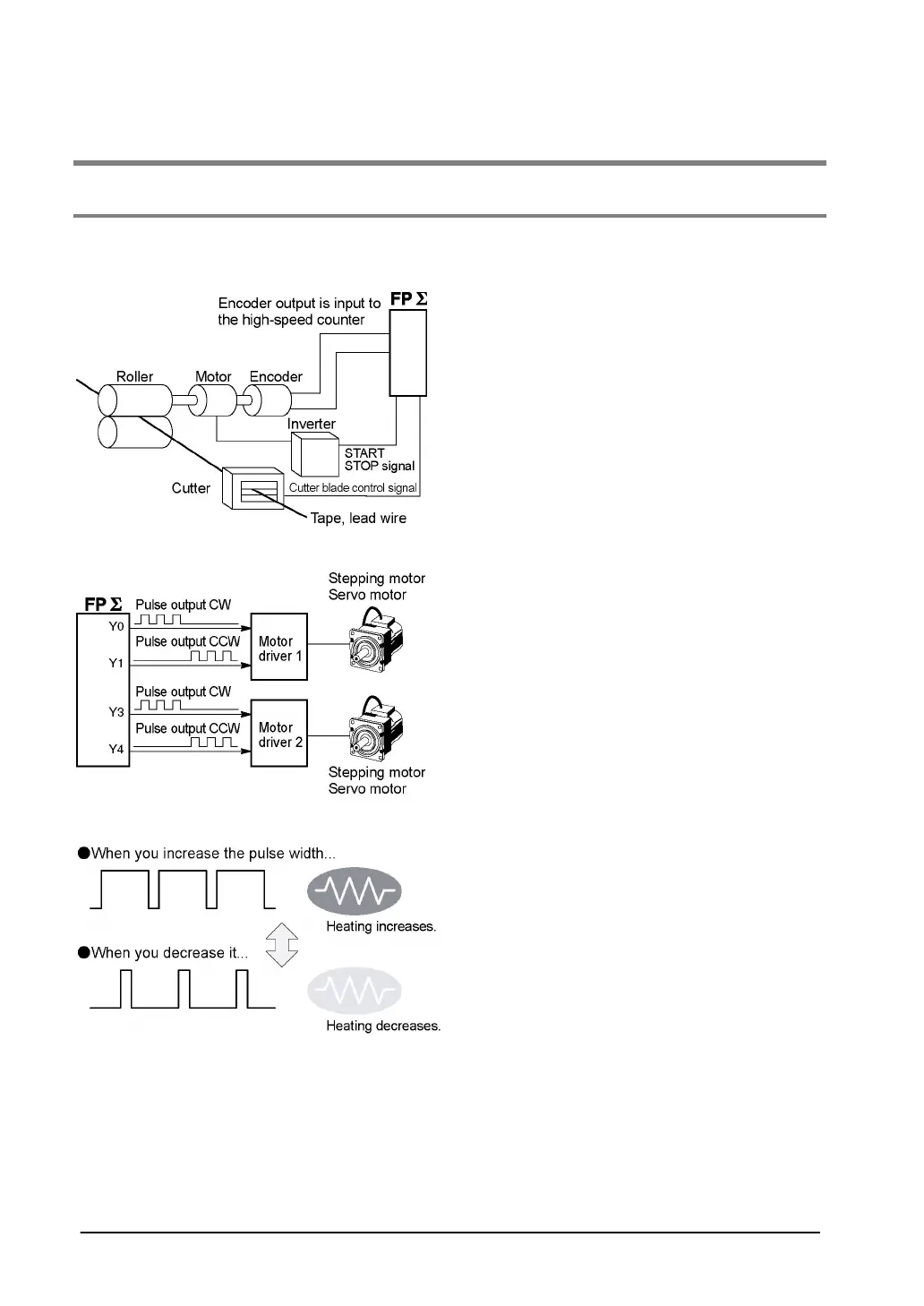
There are three functions available when using the high-speed counter built into the FPΣ.
High-speed counter function
The high-speed counter function counts external
inputs such as those from sensors or encoders.
When the count reaches the target value, this
function turns on/off the desired output.
Pulse output function
Combined with a commercially available motor
driver, the function enables positioning control.
With the exclusive instruction, you can perform
trapezoidal control, home return, and JOG
operation.
PWM output function
By using the exclusive instruction, the PWM output
function enables a pulse output of the desired duty
ratio.

Table of Contents

Related product manuals