EasyManua.ls Logo

Panasonic FPG-C32T2H - Thermister Input (Only for TM Type); Overview of Thermister Input

Panasonic FPG-C32T2H
440 pages
Print Icon
To Next Page IconTo Next Page
To Next Page IconTo Next Page
To Previous Page IconTo Previous Page
To Previous Page IconTo Previous Page
Loading...
2-14
2.5 Thermister Input (Only for TM type)
2.5.1 Overview of Thermister Input
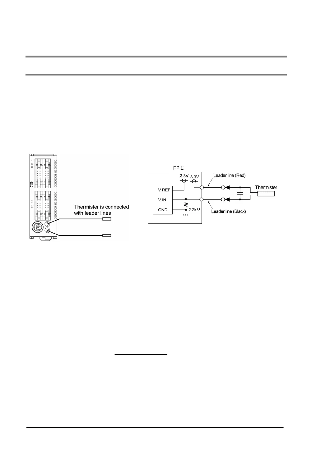
The control units of which part and product numbers end in “TM” is quipped with the leader lines which
enable the thermister input instead of the analog potentiometer. The change in the termister’s resistance
values can be loaded as analog values by connecting the thermister with these leader lines.
Mechanism for loading thermister input
Loads the change in the resistance values of the thermister connected externally as the change in
voltage, and then loads it as digital values by the AD converter in which a microcomputer is built.
The values converted to digital values are reflected in the special data registers (DT90040 or
DT90041) and can be read in the user’s program.
<Block diagram>
Non-isolated between the FPΣ thermister input unit
and the power supply connector (24V).
The red leader line is connected with the 3.3V power
supply and the black is connected with the Vin.
Total precision
Total precision
= (Total precision of AD converter in which microcomputer is built: ±5LSB
Note)
)+(Precision of thermister)
Note) ±5LSB means there is a margin of error of ±5LSB for the values (0 to 1000) converted with AD
converter.
Thermister resistance values and digital conversion values
Use the following formula for conversion of thermister resistance values and digital conversion values.
Digital conversion values changes within a range of K0 to K1000.
1024 X 2.2
Thermister resistance value (k) = -2.2
(Digital value+12)

Table of Contents

Related product manuals