EasyManua.ls Logo

Panasonic KX-T7730CA - Page 25

Panasonic KX-T7730CA
34 pages
Print Icon
To Next Page IconTo Next Page
To Next Page IconTo Next Page
To Previous Page IconTo Previous Page
To Previous Page IconTo Previous Page
Loading...
25
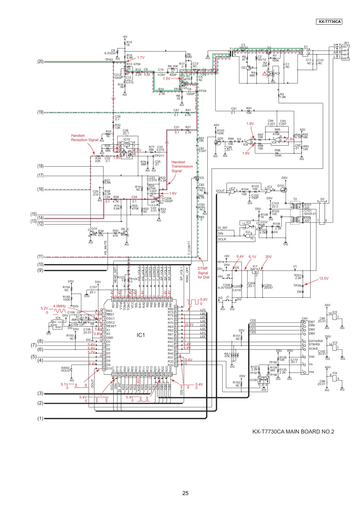
KX-T7730CA
(1)
(2)
(3)
(4)
(6)
(8)
(9)
(10)
(11)
(12)
(14)
(16)
(17)
(18)
(19)
(20)
(13)
(15)
(5)
(7)
KX-T7730CA MAIN BOARD NO.2
NC
C83
C81
0.047
C21
0.1
R22
3.3K
C22
0.01
C23
0.015
R24
270K
R26
4.7K
R28
2.2K
R27
5.6K
T1
1
5
R4
68K
R1
100K
R2
22K
JK1
1
H
2
T
3
R
4
L
C91
0.1
R91
10K
C94
0.001
C93
0.047
R95
470K
IC6
5
6
7
R94
4.7K
R92
18K
A5V
R93
10K
IC6
3
2
1
R97
10K
R98
15K
R96
100K
D3
R99
10K
C95
Z0.1
R100
100K
A5V
C24
0.1
IC1
64
RD1
63
RD0
62
VTref
61
TONR
60
TONC
59
VCC
58
SEL
57
RA1
56
RA0
55
R93
54
R92
53
R91
52
R90
51
R83
50
R82
49
R81
48
R80
47
R73
46
R72
45
R71
44
R70
43
R63
42
R62
41
R61
40
R60
39
R43
38
R42
37
R41
36
R40
35
R31
34
R32
33
R33
17
D11
18
D12
19
D13
20
R00
21
R01
22
R02
23
R03
24
R10
25
R11
26
R12
27
R13
28
R20
29
R21
30
R22
31
R23
32
R30
1
RE0
2
TEST
3
OSC1
4
OSC2
5
RESET
6
X1
7
X2
8
GND
9
D0
10
D1
11
D2
12
D3
13
D4
14
D5
15
D9
16
D10
T2
5
10
1
2
7
R101
220
R102
220
IC5
89
6
R21
2.7K
R41
4.7K
R81
15K
R25
470K
R8
33
R9
20K
R15
6.8K
R16
56
R14
18
+6V
R13
470K
C8
0.22
R12
2.2K
R10
2.7K
R34
22K
C92
Z1
D5V
1M
R121
IC2
9
10
8
150P
C102
IC2
5
4
6
10K
R104
1K
R108
4.7K
R107
IC2
13
12
11
100
R105
IC2
1
2
3
10K
R103
D5V
2.2K
R106
C106
Z0.01
DG
DG
12P
C108
12P
C109
4MHZ
X1
C107
Z0.1
R23
120
R82
4.7K
R83
0
C110
Z0.1
RA1
47K
R122
3.3K
C103
Z2.2
C101
50VZ0.01
D5V
DG
DG
DG
D5V
IC2
7
14
C105
Z0.01
A5V
IC6
4
8
C96
Z0.01
D4
PC1
1
23
4
R3
1.8K
R5
47
NC
C1
R7
27K
DG
D5V
DG
R126
560
Q109
1
4
3
2
5
R127
2.2K
DG
R125
2.2K
R128
10K
IC9
RESET
1
Vin
2
GND
4
NC
3
R6
680
C4
2.2
C41
0.1
A5V
C85
Z0.01
IC5
7
14
R39
47K
R40
47K
DG
DGDG
AG
AG AG
AG
AG
AG
AG
AG
AG
AG
AG
AG
AG
AGAG
AG
AG
DG
H
T
R
L
C34
0.1
CN1
DATA/RW
6
STB/RS
4
SCK/E
5
Vdd
2
Vo
3
Vss
1
DB7
10
DB6
9
DB5
8
DB4
7
NC
C11
NC
C10
AG
R123
0
R124
0
IC7
1
I
3
O
2
B
D5
D5V
+6V
C204
Z0.1
DG
D5V
+6V
D5V
Vref
CC
DET
IC10
1
2
3
4
4
6
7
8
C26
0.1
R32
12K
C32
0.1
R35
56K
C33
0.015
R77
39K
R76
68K
C35
Z1
C6
1000P
NC
C5
J4
A5V
Q101
Q2
Q1
Q20
AG
AG
R74
5.6K
D5V
NC
R152
D5V
NC
R151
D5V
NC
R153
NC
R154
D5V
R155
100K
SW42
HOLD
AG
R17
0
NC
C13
C36
Z0.1
NC
R19
C12
0.015
C7
820P
NC
R33
C82
NC
C14
0.047
V1
J1
AG
AG
DG
AG
R201
2.2K
D6
D2
3
12
4
D1
3
12 2
4
Q4
Q3
E
C
B
Q5
E
C
B
Q10
E
C
B
Q6
E
C
B
Q102
E
C
B
TP195
TP197
TP196
TP26
TP43
TP38
TP35
TP34
TP33
TP211
DG
DG
AG
C207
NC
NC
R20
C208
1000P
C212
1000P
C2
16V10
25V47
C203
6.3V1000
C206
6.3V100
C205
C9
6.3V220
C3
16V22
C25
Z10
T_CONT1
DOUT
DCLR
DIN
DI_INT
DOUT
DI_INT
DIN
DCLR
SP_VOL1
SP_VOL2
SP_VOL4
SP_VOL3
T_CONT1
T_CONT2
T_CONT3
T_CONT4
C[5]
L[0]
L[1]
L[2]
L[3]
L[4]
L[5]
C[4]
K[5]
K[6]
K[0]
K[4]
K[1]
K[2]
K[3]
K[7]
RING_OFF
L[7]
HEAD_SET
L[6]
C[0]
C[1]
C[2]
C[3]
HS_MUTE
HS_VOL1
HS_VOL2
C[0]
C[1]
C[2]
C[3]
3
4
D5V
D5V
6
4
9
1.7V
1.5V
1.6V
0
0
0
0
0
0
5.4V
5.4V
5.4V
5.2V
5.4V
0.8V
5.4V
5.4V
5.4V
5.4V
5.4V
0
0
0
0
0
5.4V
0
0
0
0
0
0
5.4V
5.4V
5.4V
5.4V
5.4V
5.4V
5.4V
13.5V
1.8V
0
0
1.2V
2.0V
1.6V
1.9V
1.9V
5.4V
0
5.2V
0
4.0MHz
5.4V
5.4V
0
0
0
5.1V
0
5.4V
5.4V
6.1V 20V
Handset
Reception Signal
Handset
Transmission
Signal
DTMF
Signal
for Dial
1.8V
All manuals and user guides at all-guides.com

Related product manuals