EasyManua.ls Logo

Panasonic MX-AC210 - Wiring Connection Diagram; Wiring Diagram; Electric Circuit

Panasonic MX-AC210
26 pages
Print Icon
To Next Page IconTo Next Page
To Next Page IconTo Next Page
To Previous Page IconTo Previous Page
To Previous Page IconTo Previous Page
Loading...
14
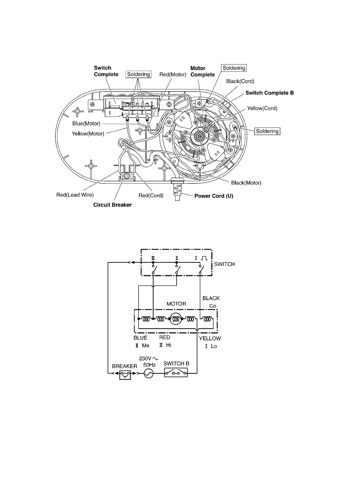
6 Wiring Connection Diagram
6.1. Wiring Diagram
6.2. Electric Circuit
As shown in the wiring diagram heavy duty motor's yellow wire is connected with low speed switch terminal, blue wire
is connected with medium speed switch terminal, red wire is connected with maximum speed switch terminal. Motor
black wire is connected to power cord black wire, Power cord green wire is connected to motor body for earth and Red
wire is connected to circuit breaker. One end of the lead wire is connected to the circuit breaker and the other end is
connected with switch.

Other manuals for Panasonic MX-AC210

Related product manuals