EasyManua.ls Logo

Panasonic NN-CF770M CPH - Digital Programmer Circuit Schematic; D.P.C. Schematic Diagram

Panasonic NN-CF770M CPH
41 pages
Print Icon
To Next Page IconTo Next Page
To Next Page IconTo Next Page
To Previous Page IconTo Previous Page
To Previous Page IconTo Previous Page
Loading...
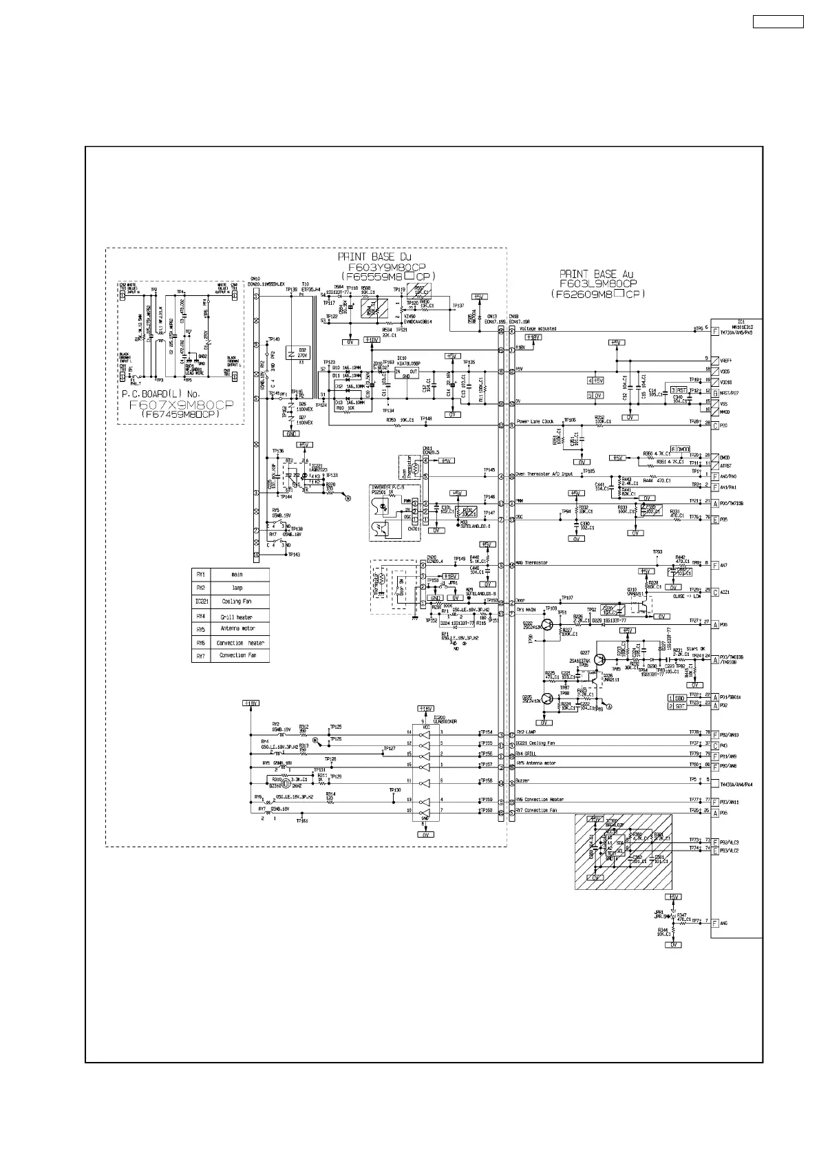
12 DIGITAL PROGRAMMER CIRCUIT
12.1. SCHEMATIC DIAGRAM
39
NN-CF770M

Table of Contents

Related product manuals