EasyManua.ls Logo

Panasonic NN-GD577M - Schematic Diagram (NN-GT547 W)

Panasonic NN-GD577M
21 pages
Print Icon
To Next Page IconTo Next Page
To Next Page IconTo Next Page
To Previous Page IconTo Previous Page
To Previous Page IconTo Previous Page
Loading...
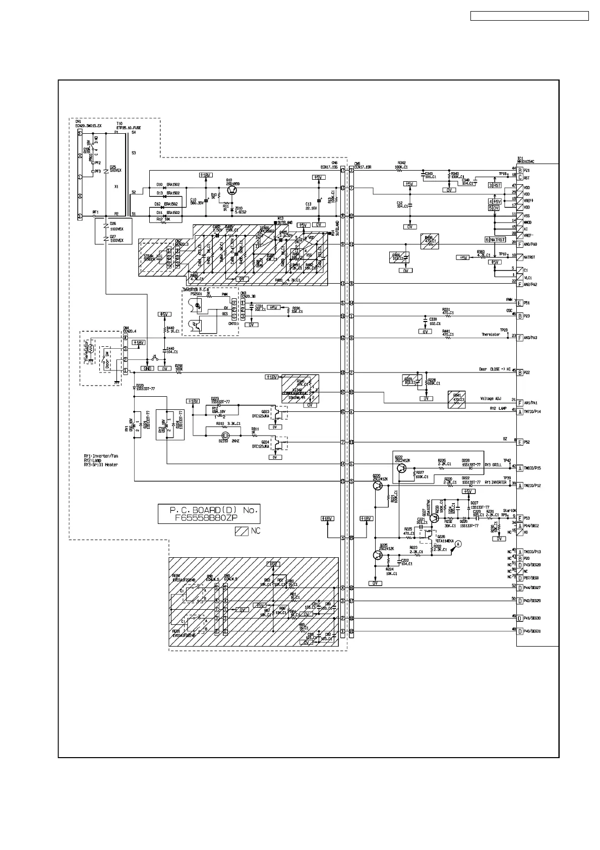
5.2. SCHEMATIC DIAGRAM (NN-GT547W)
19
NN-GD577M / NN-SD577M / NN-GT547W

Related product manuals