EasyManua.ls Logo

Panasonic NN-P795 - Digital Programmer Circuit Diagrams

Panasonic NN-P795
43 pages
Print Icon
To Next Page IconTo Next Page
To Next Page IconTo Next Page
To Previous Page IconTo Previous Page
To Previous Page IconTo Previous Page
Loading...
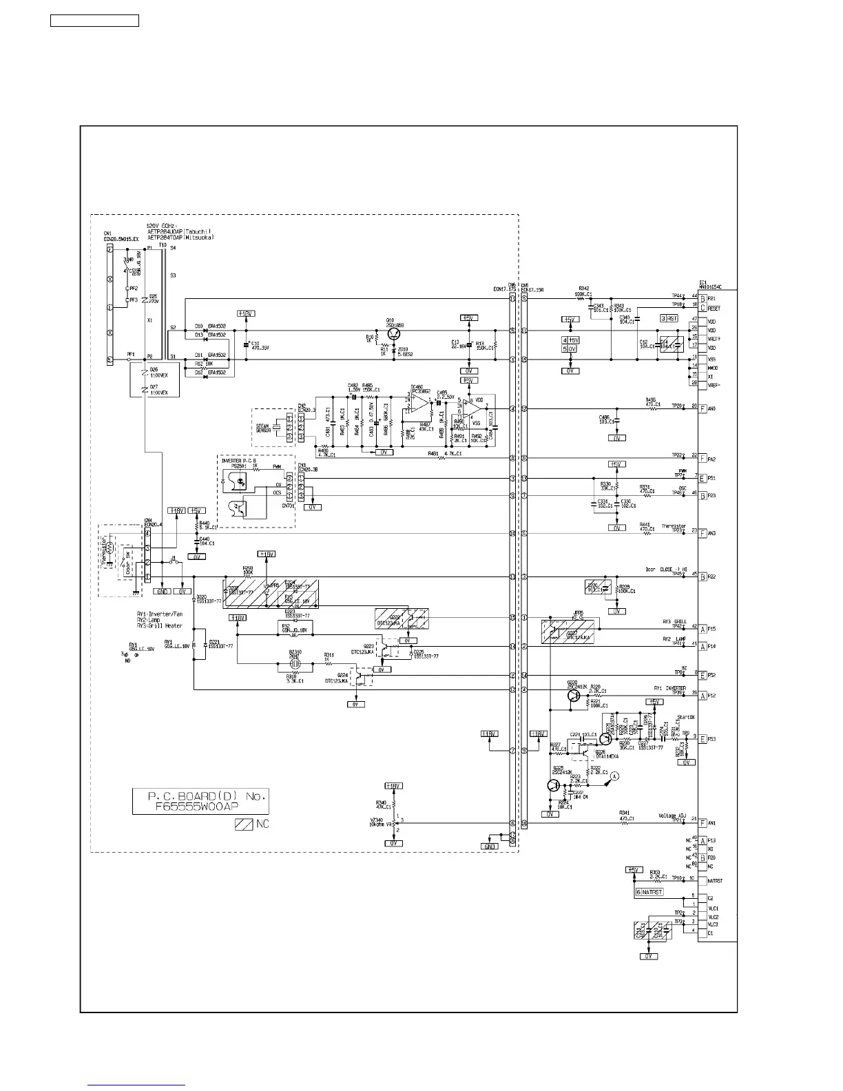
6 DIGITAL PROGRAMMER CIRCUIT
6.1. NN-P795 CPH, P794*FR APH/CPH
22
NN-P795 NN-P794SFR