EasyManua.ls Logo

Panasonic NN-P795 - Nn-T775 Sf;T765 Sf;T745 Sf;T735 Sf Aph, T764 Sfr; Aph

Panasonic NN-P795
43 pages
Print Icon
To Next Page IconTo Next Page
To Next Page IconTo Next Page
To Previous Page IconTo Previous Page
To Previous Page IconTo Previous Page
Loading...
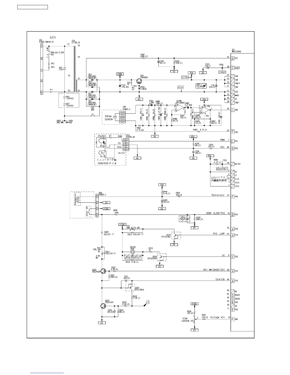
6.4. NN-T775SF/T765SF/T745SF/T735SF APH, T764SFR APH
28
NN-P795 NN-P794SFR