EasyManua.ls Logo

Panasonic NN-P795 - Nn-S735 Aph

Panasonic NN-P795
43 pages
Print Icon
To Next Page IconTo Next Page
To Next Page IconTo Next Page
To Previous Page IconTo Previous Page
To Previous Page IconTo Previous Page
Loading...
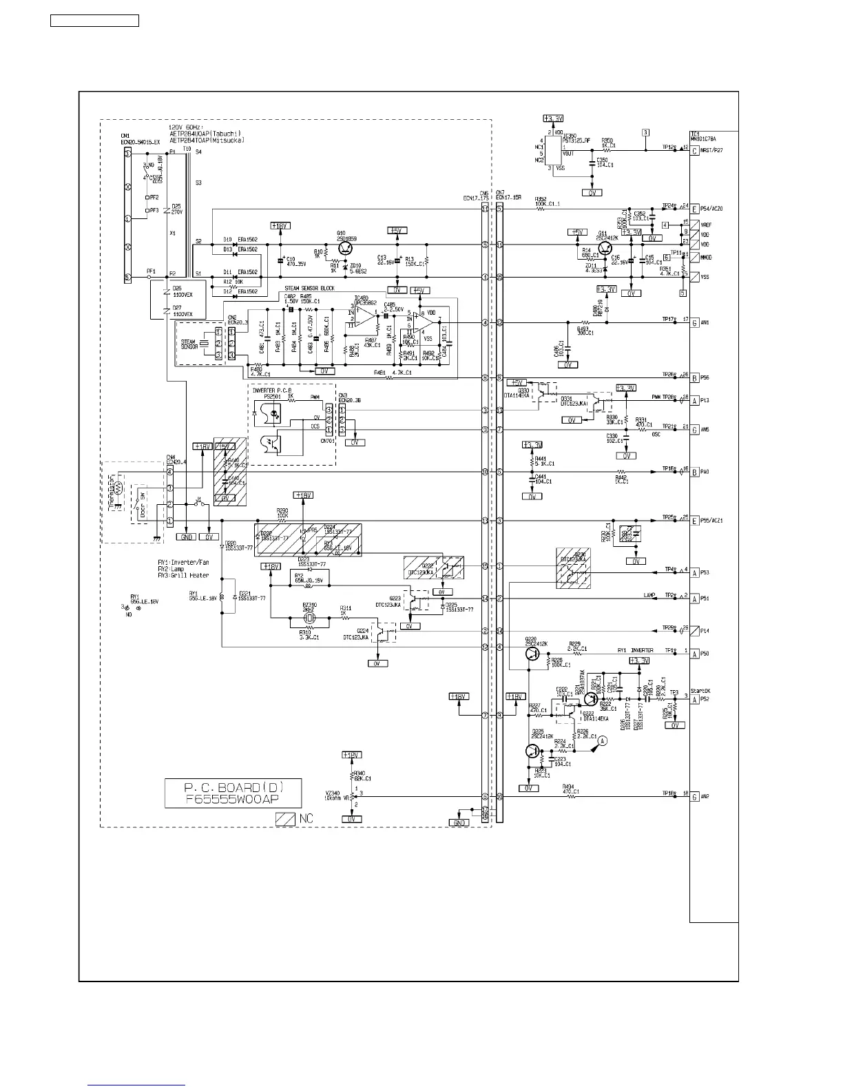
6.6. NN-S735 APH
32
NN-P795 NN-P794SFR