EasyManua.ls Logo

Panasonic NN-P795 - Cph

Panasonic NN-P795
43 pages
Print Icon
To Next Page IconTo Next Page
To Next Page IconTo Next Page
To Previous Page IconTo Previous Page
To Previous Page IconTo Previous Page
Loading...
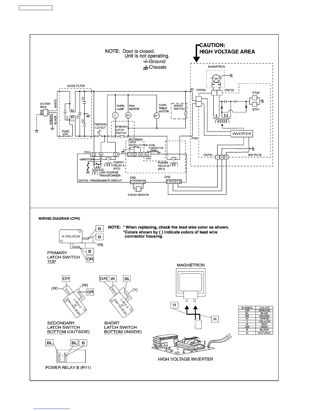
1.2. CPH
6
NN-P795 NN-P794SFR