EasyManua.ls Logo

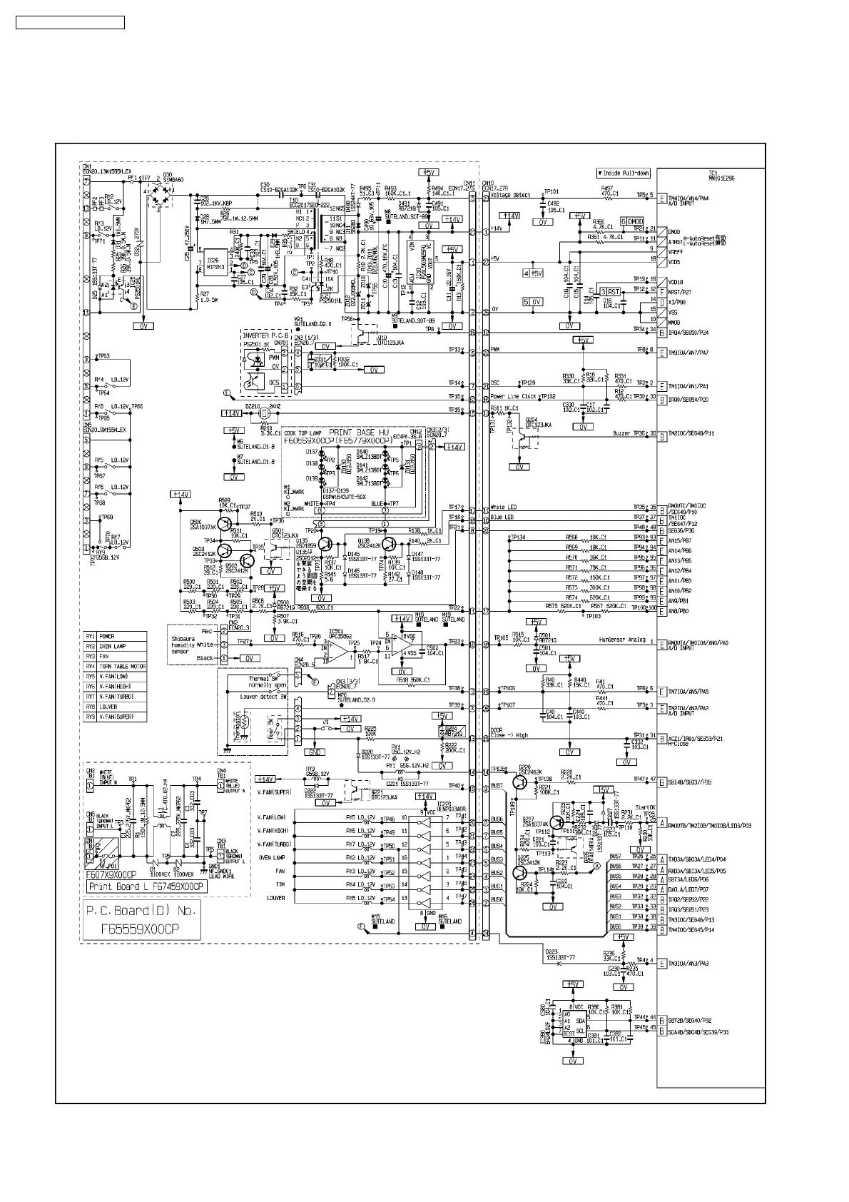
Panasonic NN-SD291S - 9 DIGITAL PROGRAMMER CIRCUIT; 9.1. SCHEMATIC DIAGRAM

Panasonic NN-SD291S
26 pages
Print Icon
To Next Page IconTo Next Page
To Next Page IconTo Next Page
To Previous Page IconTo Previous Page
To Previous Page IconTo Previous Page
Loading...
9 DIGITAL PROGRAMMER CIRCUIT
9.1. SCHEMATIC DIAGRAM
24
NN-SD291S / NN-SD291W

Related product manuals