EasyManua.ls Logo

Panasonic NN-SD372 - 12 Digital Programmer Circuit; Schematic Diagram

Panasonic NN-SD372
35 pages
Print Icon
To Next Page IconTo Next Page
To Next Page IconTo Next Page
To Previous Page IconTo Previous Page
To Previous Page IconTo Previous Page
Loading...
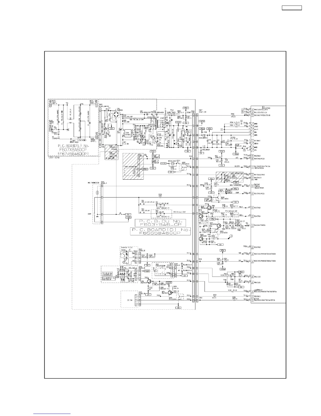
12 DIGITAL PROGRAMMER CIRCUIT
12.1. SCHEMATIC DIAGRAM
33
NN-SD372S

Table of Contents

Related product manuals