EasyManua.ls Logo

Panasonic NN-SD372 - 3 Schematic Diagram

Panasonic NN-SD372
35 pages
Print Icon
To Next Page IconTo Next Page
To Next Page IconTo Next Page
To Previous Page IconTo Previous Page
To Previous Page IconTo Previous Page
Loading...
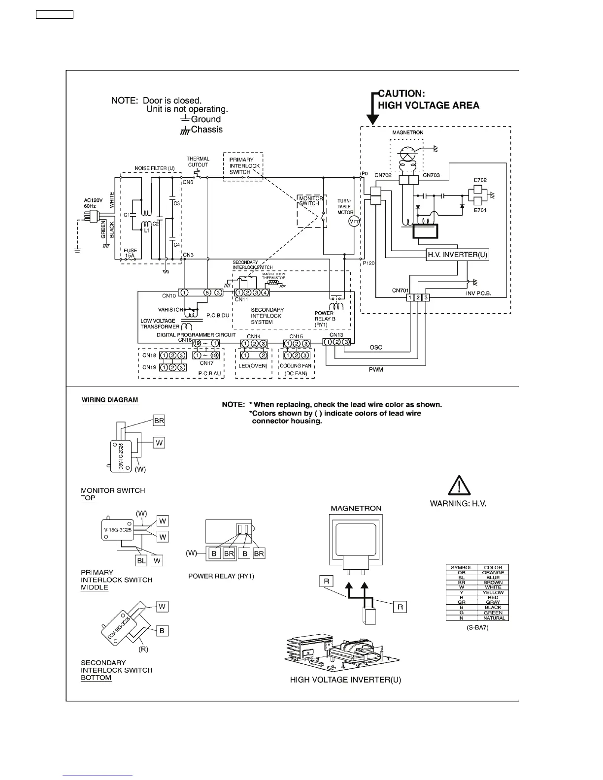
3 SCHEMATIC DIAGRAM
6
NN-SD372S

Table of Contents

Related product manuals