EasyManua.ls Logo

Panasonic NV-DS37B - Packing Parts & Accessories Section

Panasonic NV-DS37B
103 pages
Print Icon
To Next Page IconTo Next Page
To Next Page IconTo Next Page
To Previous Page IconTo Previous Page
To Previous Page IconTo Previous Page
Loading...
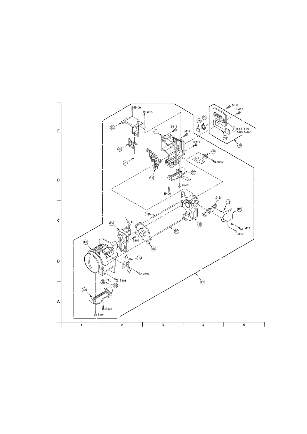
13.5. PACKING PARTS & ACCESSORIES SECTION
27
www.freeservicemanuals.info
23/7/2013
World of free manuals

Related product manuals