EasyManua.ls Logo

Panasonic NV-GS75E - 13 Exploded Views; Frame & Casing Section

Panasonic NV-GS75E
59 pages
Print Icon
To Next Page IconTo Next Page
To Next Page IconTo Next Page
To Previous Page IconTo Previous Page
To Previous Page IconTo Previous Page
Loading...
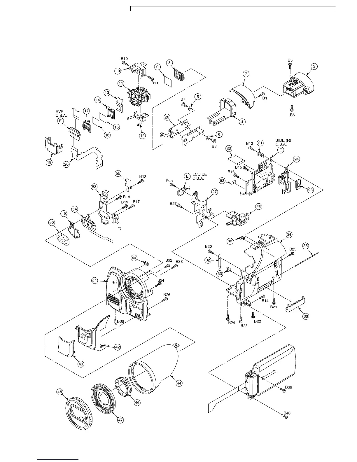
13 EXPLODED VIEWS
13.1. FRAME & CASING SECTION (1)
49
NV-GS75E / NV-GS75EG / NV-GS75EB / NV-GS75EK / NV-GS75EP / NV-GS75GC / NV-GS75GN / NV-GS75GCD / NV-GS78GK

Table of Contents