EasyManua.ls Logo

Panasonic PT-DW6300ES - A-P.C.board (7;12) (PT-DW6300*;D6000*)

Panasonic PT-DW6300ES
224 pages
Print Icon
To Next Page IconTo Next Page
To Next Page IconTo Next Page
To Previous Page IconTo Previous Page
To Previous Page IconTo Previous Page
Loading...
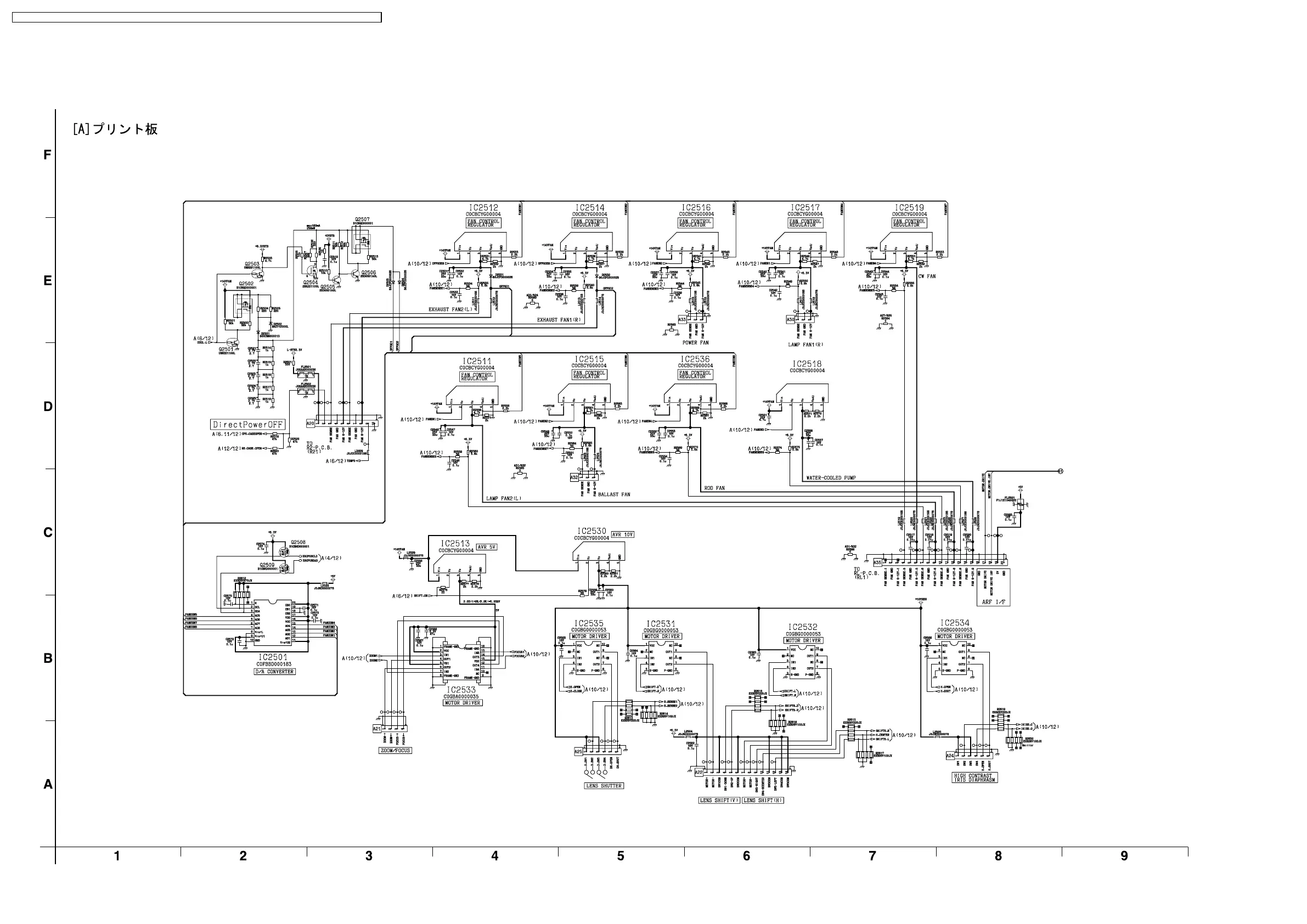
15.21. A-P.C.Board (7/12) (PT-DW6300*/D6000*)
TXN/A1VKK7 (7/12) (PT-DW6300*/D6000*)
PT-DZ6710U / PT-DZ6710E / PT-DZ6700U / PT-DZ6700E / PT-DW6300US / PT-DW6300ES / PT-D6000US / PT-D6000ES
90

Table of Contents

Other manuals for Panasonic PT-DW6300ES

Related product manuals