EasyManua.ls Logo

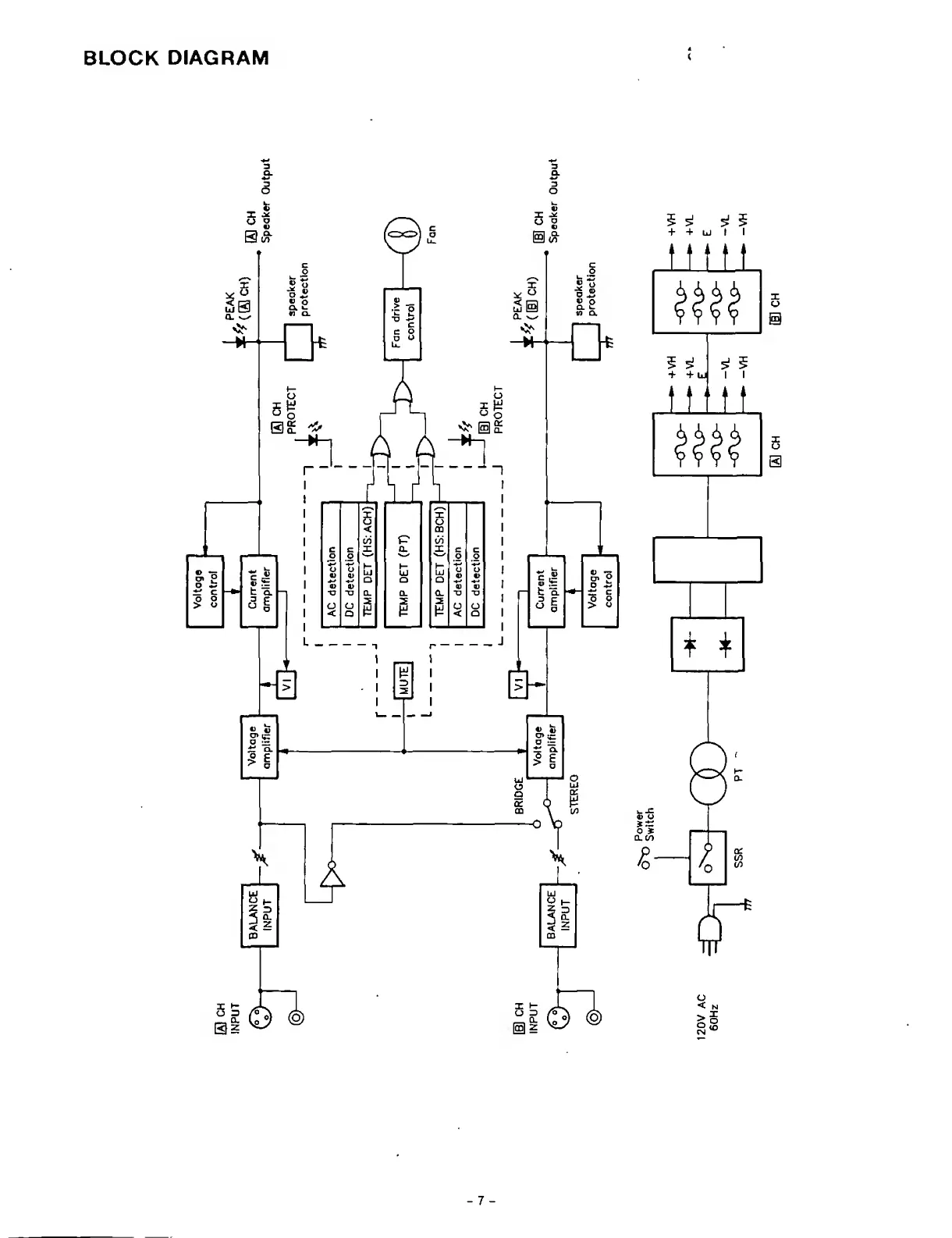
Panasonic RAMSA WP-1400 - BLOCK DIAGRAM

Panasonic RAMSA WP-1400
12 pages
Print Icon
To Next Page IconTo Next Page
To Next Page IconTo Next Page
To Previous Page IconTo Previous Page
To Previous Page IconTo Previous Page
Loading...
Voltoge
control
BLOCK
DIAGRAM
SSR

Related product manuals