EasyManua.ls Logo

Panasonic RR-DR60 - Page 10

Panasonic RR-DR60
14 pages
Print Icon
To Next Page IconTo Next Page
To Next Page IconTo Next Page
To Previous Page IconTo Previous Page
To Previous Page IconTo Previous Page
Loading...
767778798081828384858687888990919293949596979899
1
2
3
4
5
6
7
8
9
10
11
12
13
14
15
16
17
18
19
20
21
22
23
24
25
50494847464544434241403938373635343332313029282726
75
74
73
72
53
71
70
69
68
67
66
65
64
63
62
61
60
59
58
57
56
55
54
52
51
100
MEMI/O0
MEMI/O1
MEMI/O2
MEMI/O3
V
DD
MEMI/O4
MEMI/O5
MEMI/O6
MEMI/O7
MEMR/B
RXDI
MEMCLE
Vss
/MEMRE
/MEMWE
/MEMALE
/SYNCO
V
DD
AVDD
VCO IN
PC OUT
AVss
Vss
OSCF0
OSCF1
VDD
PLLSLEEP
/ FRSYNC
/ACFL
/RST
MODE0
MODE1
MODE2
MODE3
LMUTE
PSACK
GI0
GI1
Vss
TXD0
TXD1
RXD0
MEM MODE
EX CLK
EXSH CLK
ADPCM IN
HWYSYNC
BCLOCK
ADPCM OUT
V
DD
PRACK
/GO1
PCS
/PWE
/PRE
PIBE
POBF
Vss
P0
P1
P2
P3
P4
P5
P6
P7
V
DD
P8
P9
P10
P11
P12
P13
P14
P15
Vss
/ACDWN
/PMUTE
GO2
GO3
GO4
GO5
GO6
GO7
GO8
GO9
GO10
V
DD
RXSYNC1
RXSYNC2
RXSYNC3
RXSYNC4
RXSYNC5
RXSYNC6
/MEMCE0
MEMCE1
/DTMFCS
HWY CLK
/BPSYNC
Vss
R31
390K
R33
120K
R42
180K
R44
100K
S9
(MODE)
S4
(REC START/STOP)
S2
(ERASE)
R40
100K
D
R32
120K
S11
(10SEC REVIEW
/BEEP)
S3
(PLAY/SEL/STOP)
A
L
M
R41
180K
R43
100K
I
J
A
B
C
D
R24
1M
C28
1
R25
1M
C27
0.1
R21
33K
R49
33K
R28
1M
C31
1000P
C32
0.1
S
Q
R
E
K
U
V
W
X
Y
Z
a
b
HGFTP
C29
0.1
CON
R34
1M
R35
1M
R36
1M
S5
(HOLD)
S7
(MODE SELECT)
S6
(SPEED CONTROL)
C25
0.1
C23
0.047
R22
56
R23
560
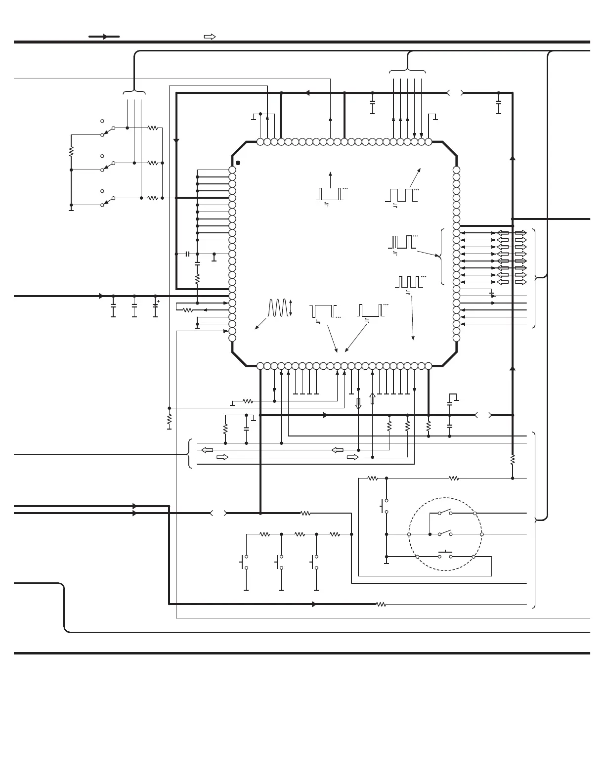
IC2
MN1931712BB
DSP
B
C21
0.1
C22
4V10
OFF
ON
C
F.LOCK
CLOCK/
MIC SET
C
C
OFF
ON
(SET)
(DOWN)
(UP)
R29
1M
C30
1000P
3.3V
3.3V
3.3V
R98
1K
3.3V
3.3V
3.3V
3.3V
3.3V
3.3V
0.8V
0.8V
1.6V
1.3V
3.3V
0V
3.3V
3.3V
3.3V
3.3V
0V
0V
3.3V
0.5V (0.3V)
0.5V (0.3V)
0.5V (0.3V)
0.5V (0.3V)
0.5V (0.3V)
0.5V (0.3V)
0.5V (0.3V)
0.5V (0.3V)
0V
3.3V
3.3V
3.3V
3.3V
3.3V
1.7V
2.7V
1.3V
0.6V
3.1V
3.3V
3.3V
2.7V
3.3V
3.2V
P-P
F=8MHz
0V
3.3V
T 27ms.
3.3V
0V
T 180us.
3.3V
0V
T 2us.
:POSITIVE VOLTAGE LINE :VOICE SIGNAL (DIGITAL)LINE
0V
3.3V
T 27.4ms.
0V
3.3V
T 25.6ms.
3.3V
0V
T 170us.

Other manuals for Panasonic RR-DR60

Related product manuals