EasyManua.ls Logo

Panasonic SA-DK20 - Page 56

Panasonic SA-DK20
111 pages
Print Icon
To Next Page IconTo Next Page
To Next Page IconTo Next Page
To Previous Page IconTo Previous Page
To Previous Page IconTo Previous Page
Loading...
: +B SIGNAL LINE
: -B SIGNAL LINE
: FM/AM SIGNAL LINE
: MAIN SIGNAL LINE
: PLAYBACK SIGNAL LINE
: AUX SIGNAL LINE
1
2
3
4
5
6
1
2
3
4
5
6
1
2
3
4
5
6
16V10
C710
Q719
Q716,Q718-Q719
B1GFGCAA0001
MUTING SWITCH
Q716
Q718
Q714
B1GDCFJJ0002
MUTING SWITCH
Q715
B1GBCFJN0004
MUTING CONTROL
R227
3.9K
R448
3.9K
R228
R447
15K
1K
R741
1K
R751
1K
R739
1K
R749
47K
R748
47K
R750
1K
R723
1K
R714
47K
R743
47K
R718
1K
R716
47K
R763
47K
R764
1K
R759
1K
R760
10K
R744
56K
R753
56K
R754
15K
R740
15K
R742
15K
R732
15K
R730
10K
R729
R226
3.9K
R230
47K
R229
47K
R225
3.9K
2.7K
R219
6.8K
R216
6.8K
R215
R213
6.8K
R214
6.8K
R218
R217
18K
1K
R778
R221
12K
2.7K
R220
47K
R224
2.7K
R223
16V22
C711
16V22
C703
C781
50V3.3
FL
R233
4.7K
R232 4.7K
R231
4.7K
16V10
C730
IC201
IC201
NJU7313AMT2
SELECTOR
16V22
C749
C235
47
47
C234
C233
47
2200P
C758
2200P
C724
2200P
C757
2200P
C716
2200P
C713
2200P
C731
0.01
C225
0.01
C226
0.1
C229
R222
10K
CTR
SUBW
FL
FR
SL
SR
FL
FR
CTR
SL
SR
7.5V
-7.5V
MXL
FR
SL
SR
CTR
SUBW
FR1
SR1
CNT1
SWO1
FL1
PBR
TUR
LINOUTR
LINOUTL
PBL
TUL
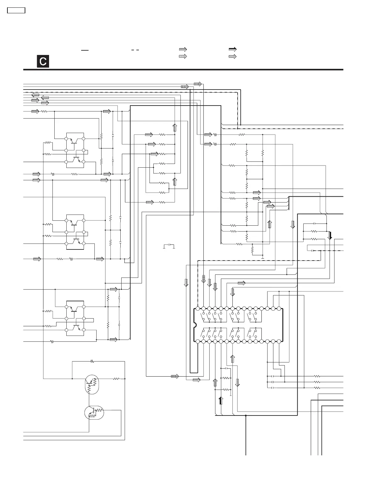
SCHEMATIC DIAGRAM - 14
MAIN CIRCUIT
R
L
1
2
3
4
5
67
8
9
10
11
12
13 14
15
25
26
27
2829
30
22
23
24
1617
18
19
20
21
S1
S2
S3
S4
C1
S5
S6
C2
S7
S8
C3
NC
VEE
VDD
VSS
NC
DATA
CK
ST
NJ-ST
ECK/NJ-CK
EDA/NJ-DT
SL1
18K
15K
<-0.01V>
((5.04V))
<4.42V>
((-0.01V))
<-0.02V>
((-0.01V))
<1.51V>
((5.05V))
<1.22V>
((-3.85V))
<0V>
((0V))
<0V>
((0V))
<0V>
((0V))
<0V>
((0V))
<0.66V>
((-3.85V))
<0.66V>
((-3.85V))
<0V>
((0V))
<0V>
((0V))
<0V>
((0V))
<0V>
((0V))
<0.66V>
((-3.85V))
<0.66V>
((-3.85V))
<0V>
((0V))
<0V>
((0V))
<0V>
((0V))
<0V>
((0V))
<0.66V>
((-3.85V))
<0.66V>
((-3.85V))
<-7.89V>
((-7.89V))
<0V>
((0V))
<7.74V>
((7.72V))
DSR
DSL
DFR
DFL
<0V>
((0V))
<0V>
((0V))
<0V>
((0V))
<0V>
((0V))
<0V>
((0V))
<0V>
((0V))
<0V>
((0V))
<0V>
((0V))
<0V>
((0V))
<0V>
((0V))
<0V>
((0V))
<0V>
((0V))
<0V>
((0V))
<0V>
((0V))
<0V>
((0V))
<0V>
((0V))
<0V>
((0V))
<0V>
((0V))
<0V>
((0V))
<0V>
((0V))
<0V>
((0V))
<0V>
((0V))
<0V>
((0V))
<0V>
((0V))
<0V>
((0V))
<0V>
((0V))
<0V>
((0V))
1000P
C733
56
SA-DK20

Related product manuals