EasyManua.ls Logo

Panasonic SA-G90 - Page 85

Panasonic SA-G90
95 pages
Print Icon
To Next Page IconTo Next Page
To Next Page IconTo Next Page
To Previous Page IconTo Previous Page
To Previous Page IconTo Previous Page
Loading...
Q601
Q602
N
Q1681
(Q1682)
Rch
HEADPHONES
Q603
RL601
RL602
RL604
RL603
M
Q772,773,
776~778,
780,781
POWER TRANSFORMER
(MAIN)
POWER
TRANSFORMER
(SUB)
T701
SP A
SP B
S/C SP
Q751
RLY
D701~704
+B12
Q707,D707
-B4
-B2
F3
F4
Q708,D708
D401
Q701,703~705
Q706
T751
D721~728
D751~754
D921
Q752,753
-B1
-B3
+B11
+B2
+B1
+B8
+B3
+B9
+B10
Z751
F1
L6
(R6)
C5
SL5
(SR5)
-B1
RL751
AC INL701
SPEAKER
Q774,775
D901
AC1
AC2
FL DISPLAY
(FL901)
F5
+B4
Q1701
+B7
Q1702,1703
+B6
+B5
PQ30RV11
IC1701
D741~744
AC
MUTING
RELAY
DRIVE
RELAY
DRIVE
RELAY
DRIVE
FRONT
SPEAKER(A)
FRONT
SPEAKER(B)
CENTER
SPEAKER
SURROUND
SPEAKER
MOTOR DRIVE
FAN MOTOR
OVER
LOAD DET
RELAY
DRIVE
AC OUTLET
(SWITCHED)
REGULATOR
REGULATOR
SWITCH-
ING
REGULATOR
S-DET
Q723~725
REGULATOR
REGULATOR
REGULATOR
REGULATOR
POWER
SUPPLY
Q1703
REGULATOR
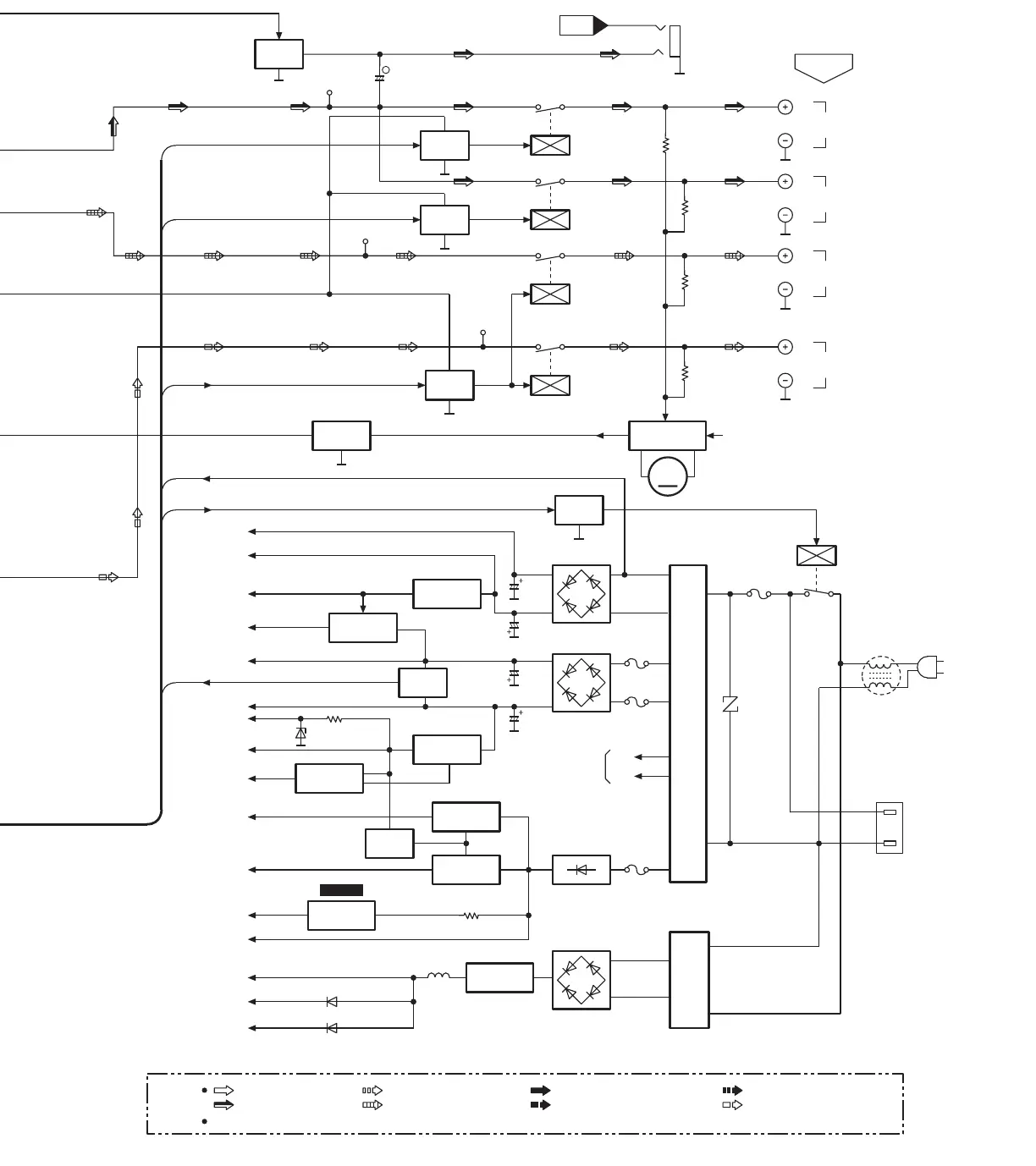
NOTES : FM SIGNAL LINE : FM OSC SIGNAL LINE : AM SIGNAL LINE : AM OSC SIGNAL LINE
: FM/AM SIGNAL LINE : CENTER SP SIGNAL LINE : SUB WOOFER SIGNAL LINE : SURROUND SP SIGNAL LINE
( ) indicates pin No. Right channel.

Related product manuals