EasyManua.ls Logo

Panasonic SA-HR45E - Page 49

Panasonic SA-HR45E
75 pages
Print Icon
To Next Page IconTo Next Page
To Next Page IconTo Next Page
To Previous Page IconTo Previous Page
To Previous Page IconTo Previous Page
Loading...
SIGNAL
: MAIN SIGNAL LINE: +B SIGNAL LINE : -B SIGNAL LINE
1
2
3
45
6 7 8 9 10 11 12 13 14 15 16 17 18 19 20 21 22 23
POWER AMP
IC552
C1AA00000755
OSC
INT+
INT-
VDDA1
SGND1
VSSA1
PROT
VDDP1
BOOT1
OUT1
VSSP1
STAB1
VSSP2
OUT2
BOOT2
VDDP2
VSSD
VSSA2
SGND2
VDDA2
IN2-
IN2+
MODE
POWER AMP
IC551
C1AA00000755
OSC
INT+
INT-
VDDA1
SGND1
VSSA1
PROT
VDDP1
BOOT1
OUT1
VSSP1
STAB1
VSSP2
OUT2
BOOT2
VDDP2
VSSD
VSSA2
SGND2
VDDA2
IN2-
IN2+
MODE
1
2
3
45
6 7 8 9 10 11 12 13 14 15 16 17 18 19 20 21 22 23
R512
68K
4
5
3
2
1
4
3
6
7
8
5
2
1
C563
0.1
C565
220P
C573
0.015
C579
0.1
C572
0.015
C570
220P
C560
0.1
C562
0.1
C558
0.1
C556
330P
C552
0.47
C554
0.47
C580
0.68
C582
0.1
C583
0.1
R526
22
R527
22
R529
120K
R532
68K
R5512
47K
C5506
16V10
C5507
16V10
R5513
47K
C581
0.68
C550
1000P
R520
5.6K
WA506
0
WA511
0
R522
5.6K
R524
10
C574
220P
C571
220P
R525
10
C575
220P
C559
0.1
C561
0.1
C557
330P
R534
10
R535
10
C551
1000P
C553 0.47
R521 5.6K
R523
5.6K
WA510
0
C555
0.47
C594
35V470
L502
ETQA15B220
L503
ETQA15B220
C595
35V470
SL
SR
OSC
+29V
-29V
FR-
FR+
MODE1
FL-
FL+
MODE1
SL+
FR+
FR-
FL+
FL-
FR-
FR+
FL-
FL+
SR+
MODE2
LB505
J0JKB0000020
LB504
J0JKB0000020
R549
120K
R552
68K
R569
120K
R572
68K
C688
6.3V100
R570
150K
C513
0.1
C509
0.1
C511
0.1
C
OSC
+29V
-29V
C+
MODE2
PWR_AMP
MUTE_ALL
MODE1
+5V
MUTE_SC
MODE2
DC_DET
JK503
JK504
C566 0.1
C577 1
C576 1
C569 1
C567 0.1
C568 1
C515
220P
C522
0.015
C529
0.1
C520
220P
C510
0.1
C512
0.1
C508
0.1
C506
330P
C502
0.47
WA500
0
WA504
0
WA521
0
C504
0.47
C530
0.68
C532
0.1
R506
22
DC DETECT SWITCH DC DETECT SWITCH
VOLTAGE REGULATOR
SWITCH
SWITCH (MODE 1)
SWITCH (MODE 2)
SR+
SL+
C+
SR+
SL+
C+
GND
GND
GND
GND
GND
GND
D5003
B0ACCK000005
R5002
3.3K
R5003
3.3K
R5004
3.3K
R5005
3.3K
WA527
0
WA502
0
C5001
16V33
C5002
16V33
D5002
B0ACCK000005
C500
1000P
R500
5.6K
R502
5.6K
R504
10
R5700
4.7K
C524
220P
C544
35V470
C545
35V470
L500
ETQA15B220
LB503
J0JKB0000020
LB502
J0JKB0000020
R515
10
R514
10
C517 0.1
C527 1
C518 1
C516 0.1
C519 1
B1ABDF000033
Q592
B1ABDF000033
Q591
B1GDCFJJ0037
Q5001
B1GBCFJJ0040
Q5002
B1GBCFJJ0040
Q5003
B1GBCFJJ0040
Q5006
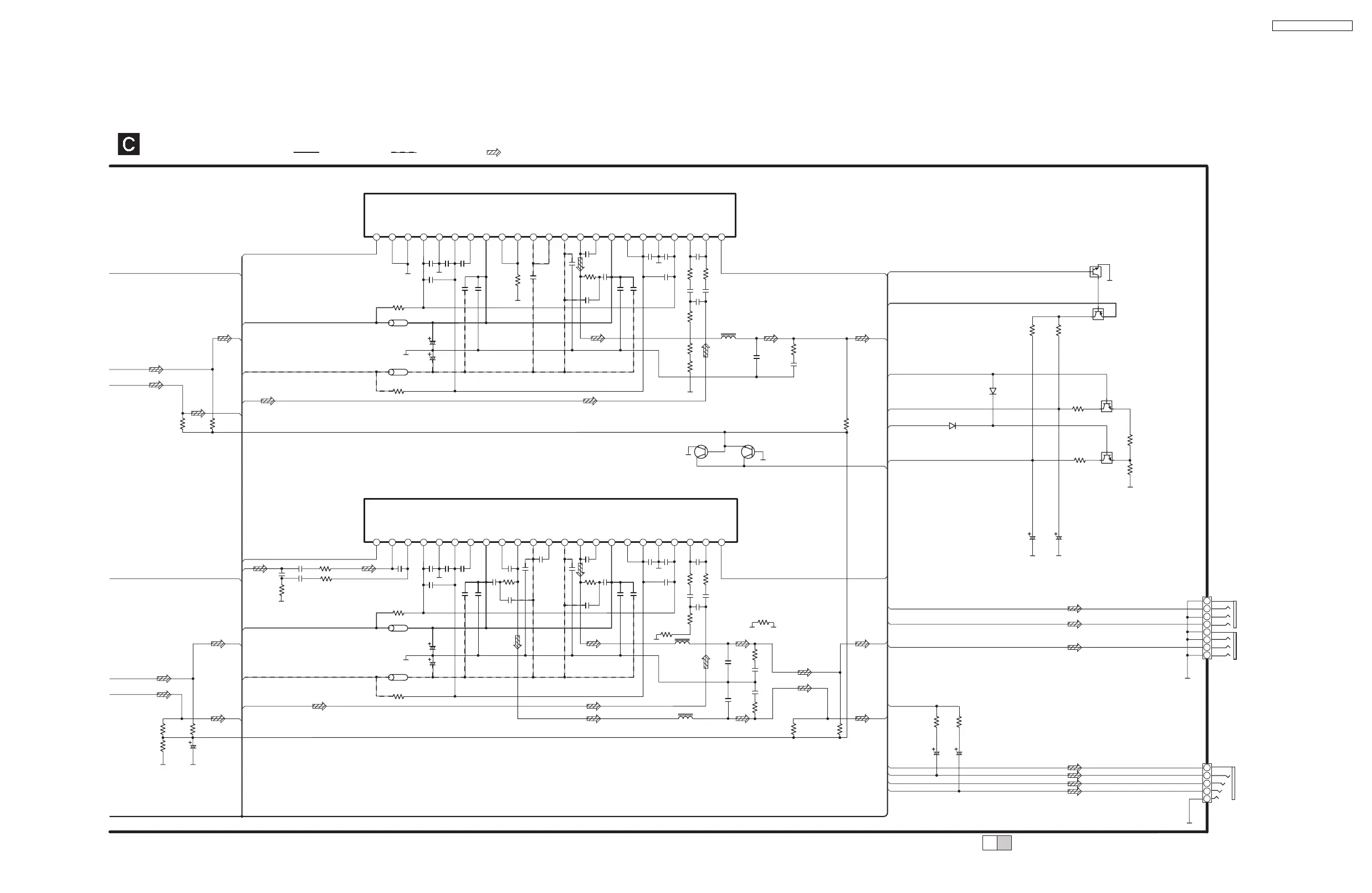
SCHEMATIC DIAGRAM - 7
DIGITAL AMP CIRCUIT
SPEAKERS
TO SURROUND / CENTER
TO FRONT SPEAKERS
SA-HR45E/EG DIGITAL AMP CIRCUIT
W522
0
1/2 2/2
SA-HR45E / SA-HR45EG
49

Related product manuals