EasyManua.ls Logo

Panasonic SA-HR45E - Page 51

Panasonic SA-HR45E
75 pages
Print Icon
To Next Page IconTo Next Page
To Next Page IconTo Next Page
To Previous Page IconTo Previous Page
To Previous Page IconTo Previous Page
Loading...
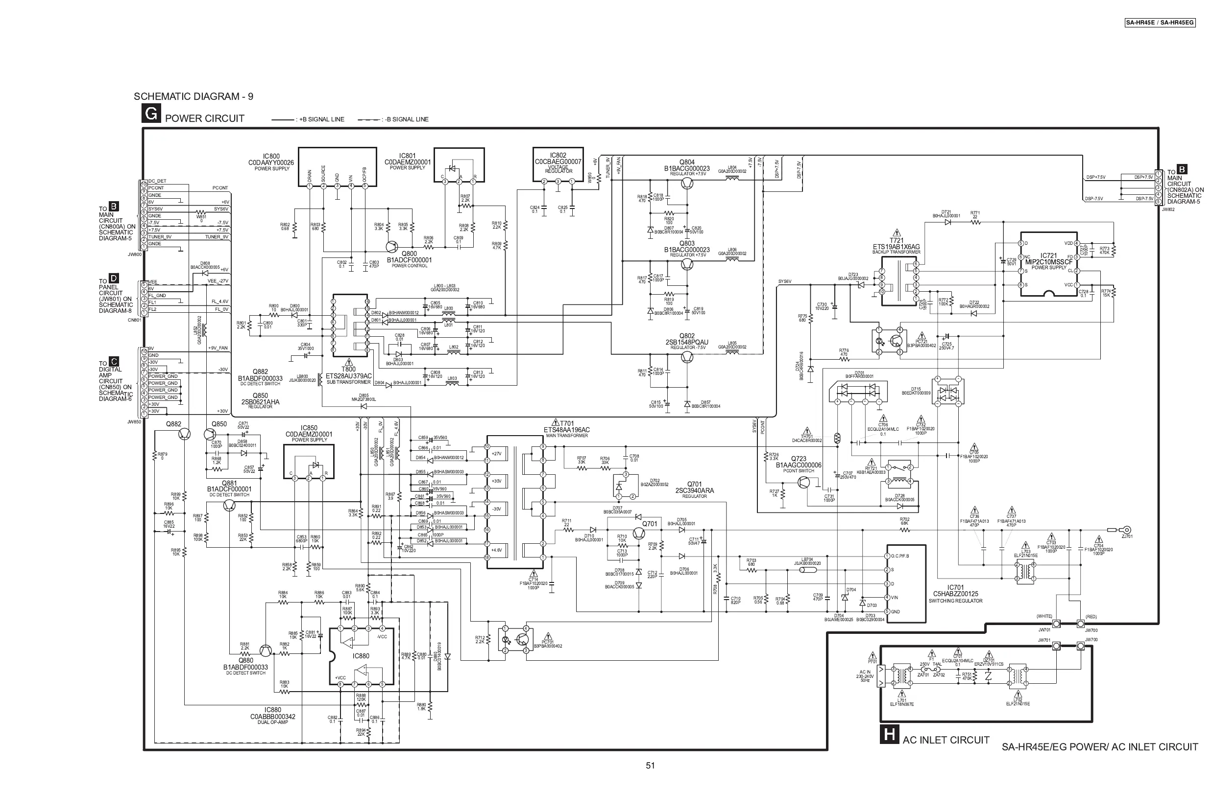
13.5. (G) Power Circuit & (H) AC Inlet Circuit
MAIN
SCHEMATIC DIAGRAM - 9
POWER CIRCUIT
DC_DET
PCONT
GNDE
6V +6V
SYS6V
GNDE
-7.5V
+7.5V
TUNER_9V
GNDE
PCONT
SYS6V
-7.5V
+7.5V
TUNER_9V
JW800
CN801
JW850
9V
GND
-30V
-30V
POWER_GND
POWER_GND
POWER_GND
POWER_GND
+30V
+30V
+9V_FAN
-30V
+30V
VEE
6V
FL_GND
FL1
FL2
VEE_-27V
+6V
FL_4.6V
FL_0V
10
11
12
13
14
15
16
T800
ETS28AU379AC
D800
B0HAJL000001
D808
B0ACCK000005
R802
0.68
W851
0
R803
680
R804
3.3K
R805
3.3K
POWER CONTROL
R806
2.2K
C809
0.1
R808
2.2K
R810
2.2K
R809
4.7K
R807
2.2K
C803
470P
Q800
B1ADCF000001
C802
0.1
C801
330P
C804
35V1000
D802
LB800
J0JKB0000020
C805
16V680
L800
L801
L800 - L803
G0A200D00002
B0HANM000012
D801 B0HAJL000001
C800
0.01
R801
2.2K
R800
10
IC801
C0DAEMZ00001
C810
16V680
C806
16V680
C811
16V120
C807
16V680
C828
0.01
C812
16V120
C808
16V120
C813
16V120
D804
L803
B0HAJL000001
D803
L802
B0HAJL000001
C824
0.1
C825
0.1
+6V
R818
470
W850
0
C818
1000P
TUNER_9V
+9V_FAN
+7.5V
-7.5V
R820
100
C820
50V100
D807
B0BC8R100004
Q804
B1BACG000023
L804
G0A200D00002
L806
G0A200D00002
L805
G0A200D00002
DSP+7.5V
DSP-7.5V
JW802
1
2
3
4
5
R817
470
C817
1000P
R819
100
C819
50V100
D806
B0BC8R100004
Q803
B1BACG000023
R811
470
C814
1000P
C815
50V100
SYS6V
SYS6V
PCONT
D857
B0BC8R100004
Q802
2SB1548PQAU
DSP+7.5VDSP+7.5V
DSP-7.5VDSP-7.5V
C857
50V22
L852
G0A200D00002
R852
100
R853
22K
R860
10K
C853
6800P
R859
100
R858
2.2K
R897
100
R899
10K
R879
0
R896
10K
C885
16V22
R895
10K
Q850
Q850
Q882
Q882
Q881
B1ABDF000033
C871
50V22
IC850
C0DAEMZ00001
POWER SUPPLY
D858
B0BC02400011
C870
1000P
R868
1.2K
DUAL OP-AMP
C0ABBB000342
Q880
R887
100K
R886
10K
R884
10K
R882
1K
R881
2.2K
R883
10K
C881
16V22
R885
10K
R893
3.3K
R889
4.7K
C880
0.01
R880
1.8K
D880
B0BC01400019
R888
120K
C884
0.1
R890
5.6K
C887
0.01
R894
22K
C886
0.1
C882
0.1
C883
0.01
D805
MA2Q73800L
C860 35V560
T701
ETS48AA196AC
D854 B0HANM000012
D855 B0HASM000003
D856 B0HASM000003
C868 0.01
C862
10V220
D853 B0HAJL000001
C869 0.01
D852 B0HAJL000001
PC701
B3PBA0000402
C865 1000P
C861 35V560
C867 0.01
C859 35V560
+27V
10
11
12
13
14
15
16
17
18
4
5
6
7
8
9
+30V
-30V
+4.6V
R867
3.9
R864
3.3K
R891
0.22
R892
0.22
L850
G0A200D00002
L851
G0A200D00002
+30V
-30V
FL_0V
FL_4.6V
R898
100K
R712
2.2K
C714
F1BAF1020020
1000P
R711
22
C708
0.01
R707
33K
MAIN TRANSFORMER
R706
33K
R710
10K
R709
2.2K
R708 3.3K
C713
1000P
C712
220P
C711
50V47
R703
680
C706
ECQU2A104MLC
0.1
RY721
K6B1AEA00003
D715
B0EDKT000009
PC721
B3PBA0000402
C705
1000P
F1BAF1020020
C732
1000P
F1BAF1020020
C736
470P
F1BAF471A013
C737
470P
F1BAF471A013
C703
1000P
F1BAF1020020
C704
1000P
F1BAF1020020
L703
ELF21N015E
JW701
P701
JW700
(WHITE)
(RED)
ZJ701
JW701
JW700
R776
470
C726
1800P
C729
50V1
D
NC
S
S
VDD
D
VIN
GND
O.C.P/F.B
S
VCC
FD
CL
C727
1000P
R773
470K
R774
15K
C728
0.1
R772
100K
C725
250V4.7
R771
22
R775
680
C730
10V220
R705
0.56
R704
0.68
C709
470P
D704
B0JAME000025
D728
B0ACCK000005
D701
B0FFAR000001
D724
B0BC4R600016
D723
B0JAJG0000002
D722
B0HAGR000002
D721
B0HAJL000001
BACKUP TRANSFORMER
LB704
J0JKB0000020
D703
B0BC02900004
L701
ELF18N067E
ZA701
F1
250V T4AL
ZA702
L702
ELF21N015E
ECQU2A104MLC
C701
0.1
R751
470K
DZ701
ERZV10V511CS
R702
68K
Q723
C731
1000P
C707
250V470
R726
3.3K
R727
1K
TH701
D4CAC8R00002
C710
820P
D710
B0HAJL000001
D708
B0BC01700015
D705
B0HAJL000001
REGULATOR
PCONT SWITCH
REGULATOR -7.5V
REGULATOR +7.5V
REGULATOR +7.5V
D707
B0BC035A0007
D702
B0ZAZ0000052
Q701
Q701
D706
B0HAJL000001
D709
B0ACCK000005
14
23
1
4
2
3
1
4
2
3
2SC3940ARA
SWITCHING REGULATOR
C5HABZZ00125
ETS19AB1X6AG
T721
AC INLET CIRCUIT
SA-HR45E/EG POWER/ AC INLET CIRCUIT
TO
CIRCUIT
(CN800A) ON
SCHEMATIC
DIAGRAM-5
TO
PANEL
CIRCUIT
(JW801) ON
SCHEMATIC
DIAGRAM-8
TO
MAIN
CIRCUIT
(CN802A) ON
SCHEMATIC
DIAGRAM-5
TO
DIGITAL
AMP
CIRCUIT
(CN850) ON
SCHEMA
TIC
DIAGRAM-6
D704
D703
DC DETECT SWITCH
2SB0621AHA
REGULATOR
DC DETECT SWITCH
DC DETECT SWITCH
B1AAGC000006
~
~~+-
~
+ -
B1ADCF000001
B1ABDF000033
C866 0.01
: +B SIGNAL LINE : -B SIGNAL LINE
1
2345
IC800
C0DAAYY00026
DRAIN
SOURCE
GND
VIN
OCP/FB
POWER SUPPLY

1
CAR
23
POWER SUPPLY
SUB TRANSFORMER
VOLTAGE
REGULATOR
IC802
C0CBAEG00007
1
23
1
2
3
4
5
IC701
IC880
IC880
-VCC
+VCC
1234
8765

2
RAC
31
8
7
6
5
2
1
3
4
IC721
POWER SUPPLY
MIP2C10MSSCF
1
2
3
4
5
6
10
8
7
9
1
2
3
4
5
1
2
3
4
5
6
10
8
7
9
8
7
9
6
5
4
3
2
1
1
2
AC IN
230-240V
50Hz
10
7
8
9
1
2
3
4
5
6
1
2
3
1
4
3
2
34
1
2
2
1
3
4
SA-HR45E / SA-HR45EG
51

Related product manuals