EasyManua.ls Logo

Panasonic SA-PM10 - Page 98

Panasonic SA-PM10
111 pages
Print Icon
To Next Page IconTo Next Page
To Next Page IconTo Next Page
To Previous Page IconTo Previous Page
To Previous Page IconTo Previous Page
Loading...
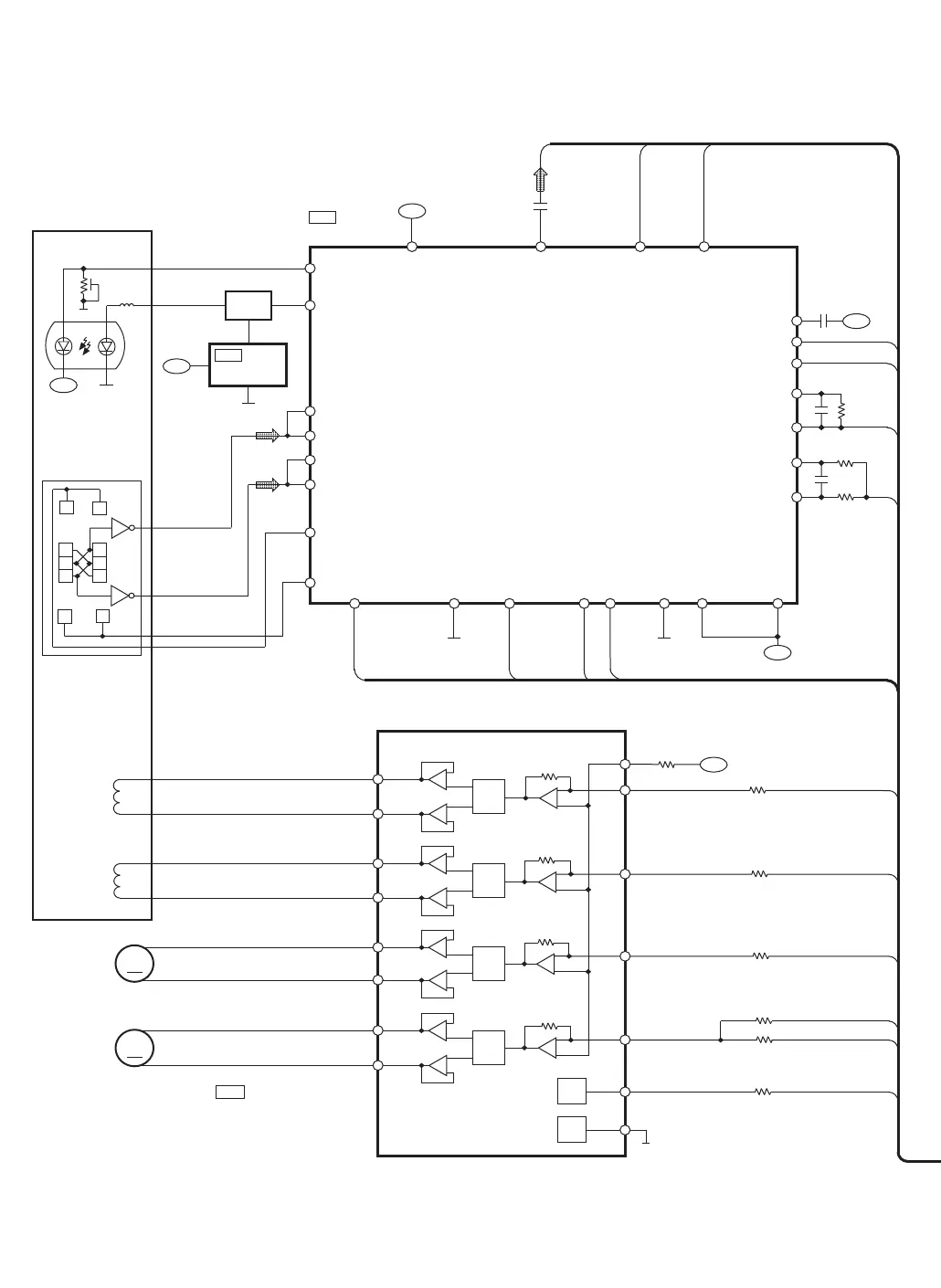
IC703
FOCUS COIL/
TRACKING COIL/
TRAVERSE MOTOR/
SPINDLE MOTOR DRIVE
BA5948FPE2
+B
+B
+B
+B
+B
LEVEL
SHIFT
+
-
+
-
+
-
+
-
+
-
+
-
LEVEL
SHIFT
LEVEL
SHIFT
LEVEL
SHIFT
MUTE
[CH1]
MUTE
[CH2]
M
M
+B
LDON
+
-
+
-
+
-
+
-
+
-
+
-
IN2
M702
SPINDLE
MOTOR
E
E
D
A
D
C
B
C
F
F
PHOTO DETECTOR
FOCUS COIL
TRACKING COIL
F+
F-
T+
T-
D3-
15
D3+
16
D4+
18
14
D2+
[CH2]
D2-
13
D1+
12
D1-
[CH1]
11
[CH3]
SP+
SP-
TRV+
TRV-
PC2
2
PC1
4
IN1
3
1
IN4
27
IN3
28
VREF
26
ENV
OFTR
BDO
/RFDET
FE
TBAL
FBAL
LDON
PC
ECM
ECS
TVD
TRD
FOD
8
3
9
26
24
LPD
LD
1
2
A
LDON
16
31
E
27
F
28
AGC
VCC
HPF_AMP
STOUT
10
OFTR
BDO
/RFDET
FEN
14
13
15
22
FEOUT
23
25
FBAL
TBAL
20
TEN
21
TEOUT
D
29
GCTL
FCLK
TE
RF
D4-
17
[CH4]
EQBST
18
16
EQSW
4
VREF
19
M701
TRAVERSE
MOTOR
C
32
B
30
Q701
LASER
POWER
DRIVE
CD OPTICAL PICKUP
SEMICONDUCTOR
LASER
IC701
AN22004A-NF
SERVO AMP
IC802
S81333H9-Z
REGULATOR

Related product manuals