EasyManua.ls Logo

Panasonic SA-PM10 - Page 99

Panasonic SA-PM10
111 pages
Print Icon
To Next Page IconTo Next Page
To Next Page IconTo Next Page
To Previous Page IconTo Previous Page
To Previous Page IconTo Previous Page
Loading...
C
+B
+B
SUBCODE
BUFFER
DSL/PLL VCO
SERVO CPU
DIGITAL AUDIO
INTERFACE
INTERPOLATION/
SOFT MUTING/
DIGITAL
ATTENUATION
DIGITAL AUDIO
INTERFACE
16K
SRAM
CIRC ERROR CORRECTION/
DEINTERLEAVE
DIGITAL DE-EMPHASIS
8 TIMES OVERSAMPLING
DIGITAL FILTER
1 BIT DAC
PWM LOGICS
PWM
(R)
PWM
(L)
MICRO COMPUTER
INTERFACE
CD-TEXT
BUFFER
EFM DEMODULATION/
SYNC INTERPOLATION
SUBCODE DEMODULATION
VCO
TIMING
GENERATOR
PITCH CONTROL
D/A
CONVERTER
OUTPUT
PORT
+B
+B
+B
A/D
CONVERTER
INPUT PORT
SERVO
TIMING
GENERATOR
CD SIGNAL
RCH
66
CLVS
67
CRC
BLKCKBLKCK
/CLDCK
SBCK
13
62
56
SUBC
DEMPH
55
68
SQCK
SUBQ
14
15
MLD
9
MCLK
7
8
MDATA
IREF
45
STAT
17
VCOF2
54
VCOF
49
BYTCK
61
IOSEL
PSEL
MSEL
SSEL
70
78
79
80
75
OUTR
OUTL
FLAG
IPFLAG
TX
ECM
ECS
PC
LRCK
SRDATA
BCLK
DMUTE
DSLF2
KICK
TRV
VREF
TVD
TRD
FOD
TBAL
FBAL
/TLOCK
/FLOCK
11
12
73
65
64
6
24
25
23
2
3
1
16
42
26
21
29
22
27
28
31
30
DSLF2
TVD
TRD
FOD
TBAL
FBAL
ECM
ECS
PC
SQCK
SUBQ
MLD
STAT
CL
DI
19
X701
(16.9344 MHz)
63
20
59
58
32 33
34
37
X2 OUT
X1 IN
FE
TE
RFENV
TRCRS
VDET
BDO
/RFDET
OFT
SENSE
WVEL
LDON
/RST
35
39
38
36
10
4340
18
CSEL
FCLK
SMCK
LDON
OFTR
/RFDET
BDO
ENV
TE
FE
TO MAIN BLOCK
CDRST
+
-
+
-
FCLK
PCK
53
PLLF
EFM
PLLF2
DSLF
48
52
41
47
DRF
ARF
RSEL
46
44
76
AVDD1
72
DSLF2
RF
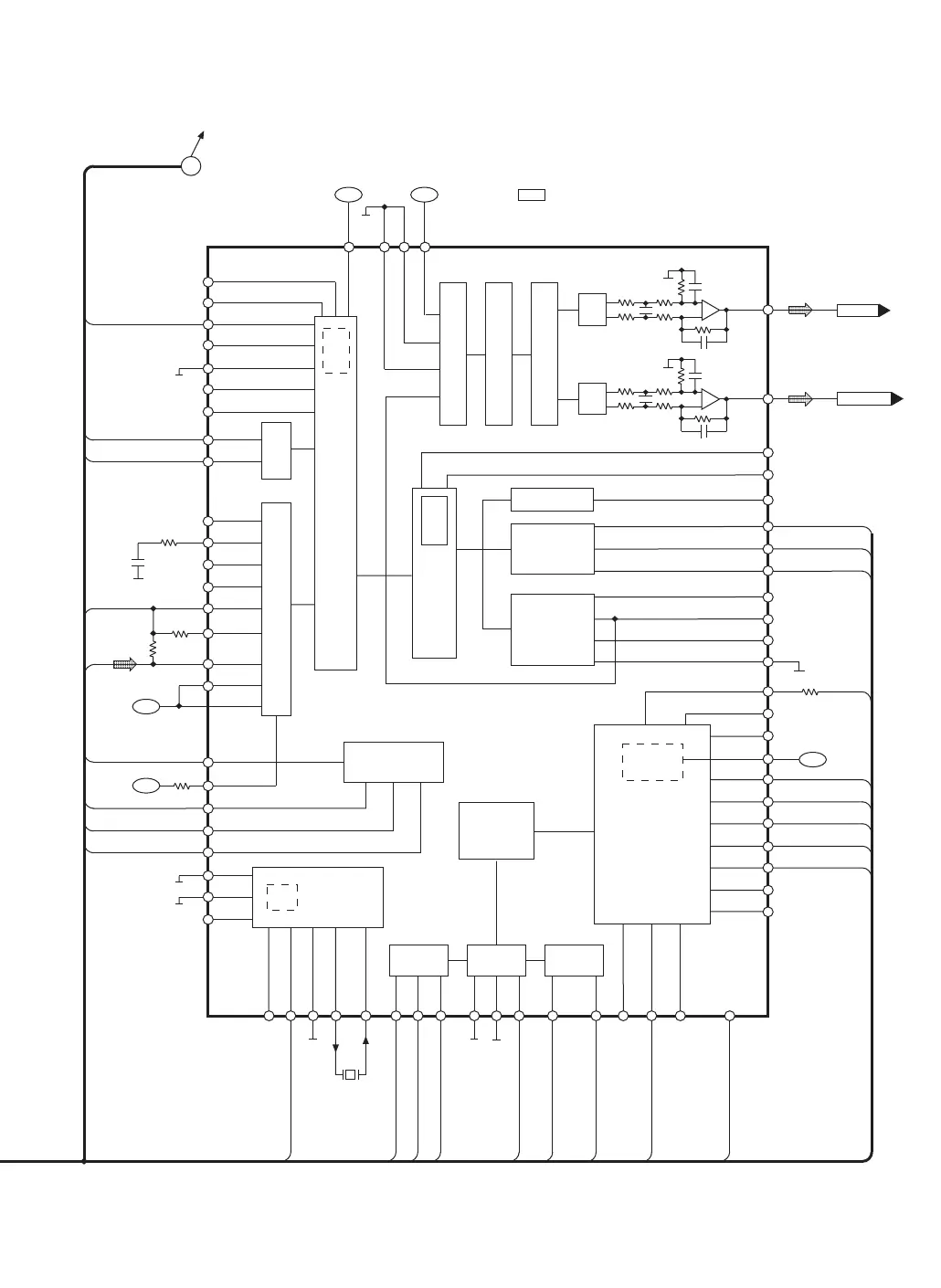
IC702
MN662790RSC
SERVO PROCESSOR/
DIGITAL SIGNAL PROCESSOR/
DIGITAL FILTER/D//A CONVERTER

Related product manuals