EasyManua.ls Logo

Panasonic SA-PM17E - Page 115

Panasonic SA-PM17E
146 pages
Print Icon
To Next Page IconTo Next Page
To Next Page IconTo Next Page
To Previous Page IconTo Previous Page
To Previous Page IconTo Previous Page
Loading...
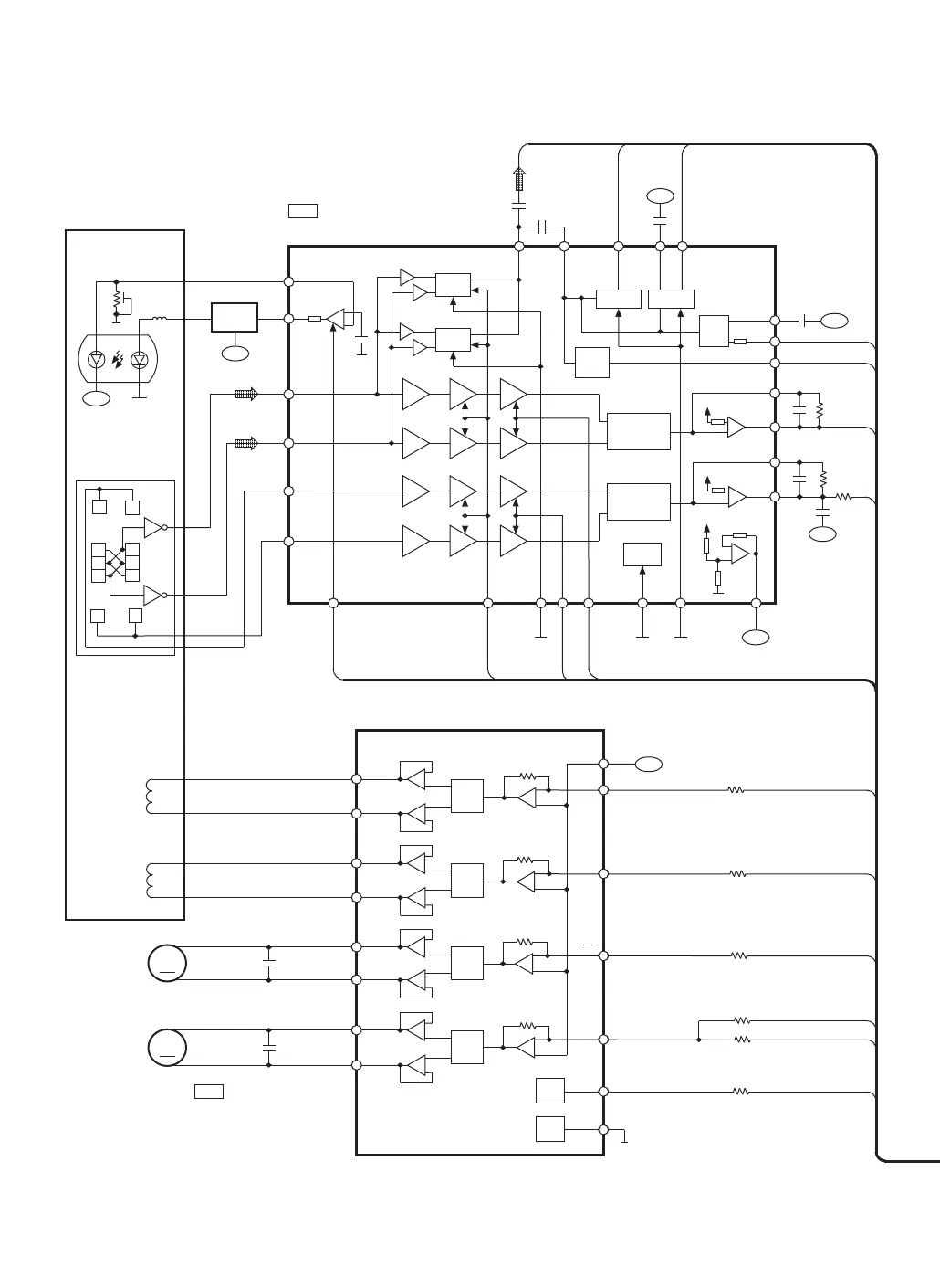
IC701
AN8885SBE1
SERVO AMP
IC703
FOCUS COIL/
TRACKING COIL/
TRAVERSE MOTOR/
SPINDLE MOTOR DRIVE
BA5948FPE2
+B
+B
+B
+B
+B
+
-
+
-
+
-
RFEQ2
RFEQ1
LEVEL
SHIFT
+
-
+
-
+
-
+
-
+
-
+
-
LEVEL
SHIFT
LEVEL
SHIFT
LEVEL
SHIFT
MUTE
[CH1]
MUTE
[CH2]
M
M
LASER
POWER
DRIVE
+B
BAND
GAP
+B
+
-
NRF
DET.
PDOWN
3
TENV
AMP
AMP
AMP
GCA
BCA
GCA
GCA
BCA
BCA
AMP
GCA
BCA
BDO
SUBTRACTER
SUBTRACTER
+
-
+
-
+
-
+
-
+
-
+
-
RST
Q701
M702
SPINDLE
MOTOR
E
E
D
A
D
C
B
C
F
F
PHOTO DETECTOR
FOCUS COIL
TRACKING COIL
F+
F-
T+
T-
D3-
15
D3+
16
D4+
18
14
D2+
[CH2]
D2-
13
D1+
12
D1-
[CH1]
11
[CH3]
SP+
SP-
TRV+
TRV-
NC
2
PC1
4
IN2
3
1
RSTIN
27
NC
28
IN3
26
ENV
OFTR
BDO
/RFDET
FE
TBAL
FBAL
LDON
PC
ECM
ECS
TVD
TRD
FOD
CD OPTICAL PICKUP
SEMICONDUCTOR
LASER
8 9
10
11
21
27
20
LPD
LD
6
7
PDA
LDON
13
4
PDE
1
PDF
2
RF
RFIN
CSBRT
CEA
ENV
19
OFTR
BDO
/RFDET
FEN
17
12
15
25
FEOUT
24
28
NC
FBAL
TBAL
22
TEN
23
TEOUT
PDB
5
NC
FCLK
TE
RF
D4-
17
[CH4]
NC
18
16
VREF
26
OFTR
VREF
VREF
VREF
M701
TRAVERSE
MOTOR

Related product manuals