EasyManua.ls Logo

Panasonic SA-PM17E - CD Loading Circuit

Panasonic SA-PM17E
146 pages
Print Icon
To Next Page IconTo Next Page
To Next Page IconTo Next Page
To Previous Page IconTo Previous Page
To Previous Page IconTo Previous Page
Loading...
14
13
12
11
10
2
4
6
8
9
7
5
3
1
M
M
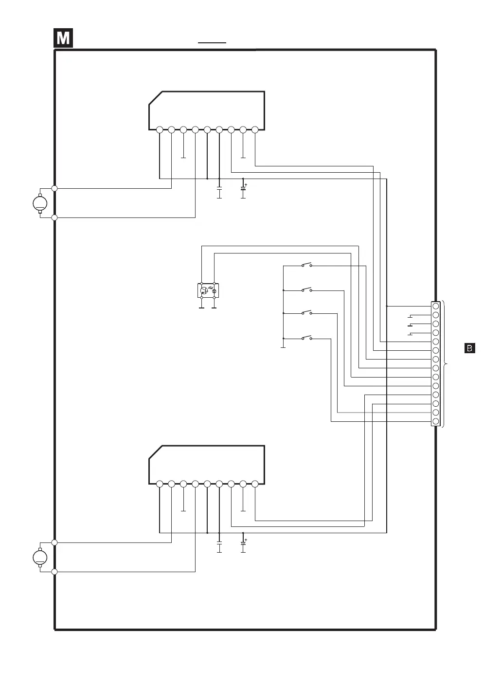
CD LOADING CIRCUIT
SCHEMATIC DIAGRAM-14
RM11
UP/DOWN
MOTOR
RM21
LOADING
MOTOR
C11
0.01
C12
16V100
C21
0.01
C22
16V100
Q1
B3NAA0000068
SENSOR
VREF
OUT2
RNF
OUT1
VM
VCC
F_IN
GND
R_IN
VREF
OUT2
RNF
OUT1
VM
VCC
F_IN
GND
R_IN
IC11
C0GAG0000007
UP/DOWN MOTOR DRIVE
IC21
C0GAG0000007
LOADING MOTOR DRIVE
S3
BOTTOM
S4
OPEN
S1
STOCK
S2
PLAY
: +B SIGNAL LINE
TO
MAIN CIRCUIT
(CN306) ON
SCHMEATIC
DIAGRAM-3
CN1
1 2 3 4 5 6 7 8 9
1 2 3 4 5 6 7 8 9

Related product manuals