EasyManua.ls Logo

Panasonic SA-PM17E - SCHEMATIC DIAGRAM-3

Panasonic SA-PM17E
146 pages
Print Icon
To Next Page IconTo Next Page
To Next Page IconTo Next Page
To Previous Page IconTo Previous Page
To Previous Page IconTo Previous Page
Loading...
2
4
6
8
9
7
5
3
1
14
13
12
11
10
2
4
6
8
9
7
5
3
1
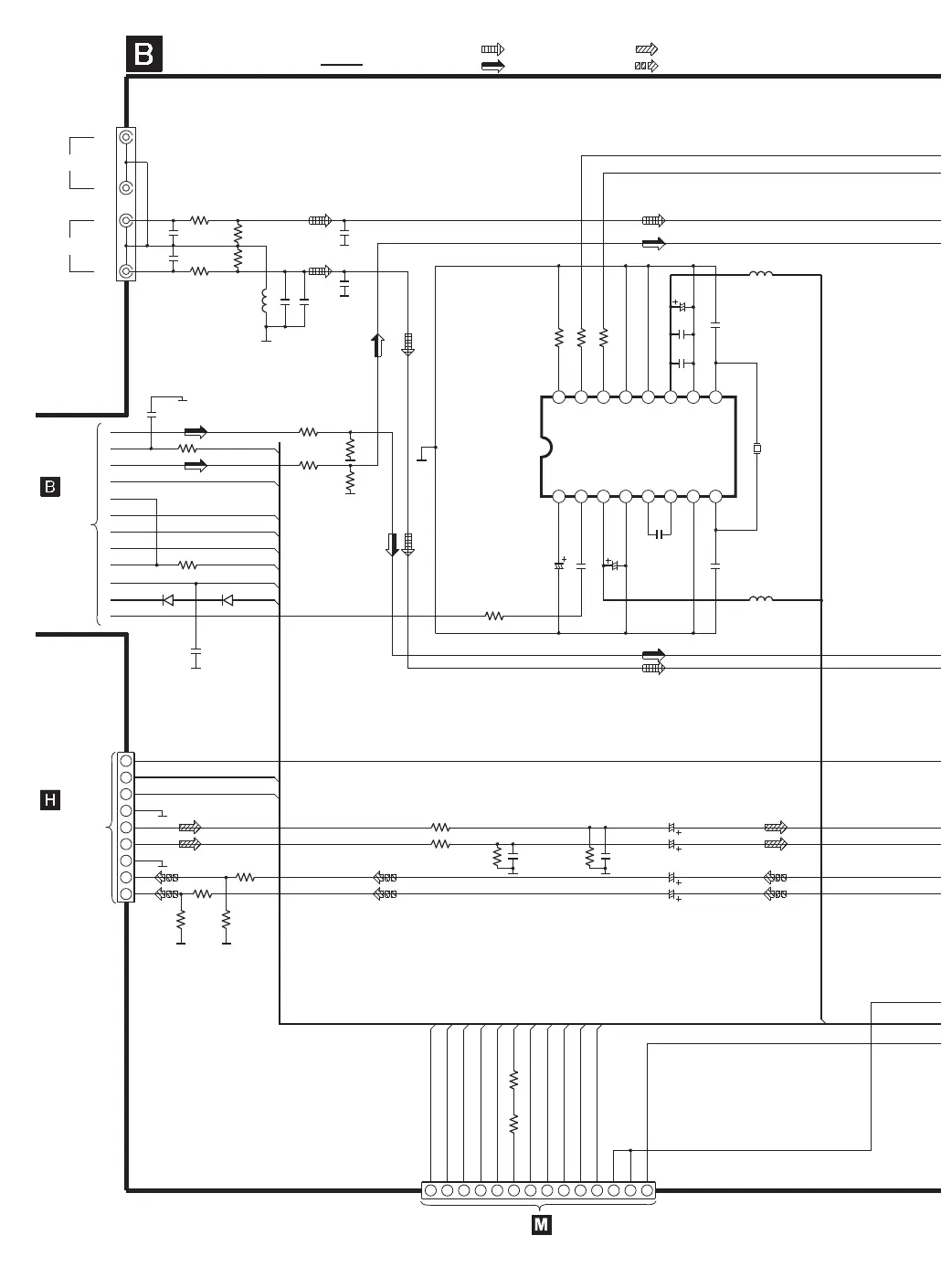
MAIN CIRCUIT
SCHEMATIC DIAGRAM-3
R201
18K
R401
18K
C201
470P
C401
470P
R202
1.8K
R402
1.8K
C301
1000P
R301 4.7K
R403
8.2K
R203
8.2K
R404
22K
R204
22K
R302 10K
C302
0.01
R207
18K
R407 18K
R408
1.8K
R208
1.8K
R214
5.6K
R414
5.6K
R415
8.2K
C406
220P
R215
8.2K
C206
220P
C205
50V2.2
C405 50V2.2
C207 16V10
C407 16V10
R348 120
R347 100
TUN_R
CE
TUN_L
PLLCE
PLLDA PLLDA
SQCLK/DO
TGND
PLLCLK
15V
SQCLK/DO
PLLCLK
SD
7.5V
D301
RL1N4003S-P
D302
RL1N4003S-P
+9V
SD
SQCLK/DO
15V
TGND
PGND
MO10V
+9V
9VGND
PBL
PBR
DECK_AGND
RECL
RECR
MO10V
+9V
PLAY_SW
ST_SW
M1_ROUT
M1_FOUT
OPEN_SW
SW5V
POS
BT_SW
M2_ROUT
M2_FOUT
(CDDGND)GND2
PGND
PGND
+8.5V
PLAY_SW
ST_SW
M1_ROUT
M1_FOUT
OPEN_SW
SW5V
POS
BT_SW
M2_ROUT
M2_FOUT
(CDDGND)GND2
TO
CD LOADING CIRCUIT
(CN1) ON
SCHEMATIC DIAGRAM-14
TO
DECK CIRCUIT
(H1304W1304) ON
SCHEMATIC
DIAGRAM-10
TO
MAIN (TUNER)
CIRCUIT
(1B) ON
SCHEMATIC
DIAGRAM-6
(1A)
LINE OUT
AUX
: +B SIGNAL LINE : AM/FM SIGNAL LINE
: AUX SIGNAL LINE
: RECORD SIGNAL LINE
: PLAYBACK SIGNAL LINE
JK303
LCH
GND
RCH
LCH
GND
RCH
CN306
CN307
SW5V
A
B
C
D
E
F
G
H
I
J
K
L
R395
100K
R394 1K
R393 1K
R391
1K
C397
0.01
C394
1000P
C396
6.3V47
C391
47P
L392
100µH
L391
100µH
X391
H0H433400001
C399
47P
C392
560P
C393
50V10
C398 330P
C395
50V10
RDS_IO/
READY
RDCL
RDDA
RST
MODE
VCCD
VSSD
XIN
VREF
MPXIN
VDDA
VSSA
FLOUT
CIN
TEST
XOUT
IC302
IC302
C1BB00000527
RDS IC
DET_OUT
C225
1000P
C425
1000P
C204 1000P
C404 1000P
L201
G0C100JA0027
1
2
3
4
13
1415
16
5
12
6
11
7
10
8
9

Related product manuals