EasyManua.ls Logo

Panasonic SA-PM17E - SCHEMATIC DIAGRAM - 2

Panasonic SA-PM17E
146 pages
Print Icon
To Next Page IconTo Next Page
To Next Page IconTo Next Page
To Previous Page IconTo Previous Page
To Previous Page IconTo Previous Page
Loading...
40
41
42
43
39 38 37 36 35 34 33 32 31 30 29 28 27 26 25 24 23 22 21
20
19
18
44
17
45
46
47
48
49
50
51
52
53
54
55
56
57
58
59
60
61 62 63 64 65 66 67 68 69 70 71 72 73 74 75 76 77 78 79
16
15
14
13
12
11
10
9
8
7
6
5
4
3
2
80
1
R714
0
R717
1K
R709
47K
R711
82K
R721
100
R718
1K
R712
220
R741
47K
R742
220K
R753
10
C722
10P
C721
10P
C724
0.1
C744
5600P
C726
1000P
C725
1000P
C730
0.1
C733
0.1
C718
0.22
C716
820P
C745
0.1
C717
0.1
C753
470P
C743
0.1
C727
50V1
C728
50V1
C731
6.3V220
C723
10V220
C732
6.3V220
S701
REST SW
1
3
5
7
9
8
6
4
2
10
11
12
13
14
15
16
17
18
19
CN702
RESY
SSEL
BYTCK
DEMPH
IN
DVSS1
DVDD1
VDD
AVSS2
AVDD2
OUT
/CLDCK
FCLK
IPFLAG
FLAG
CLVS
CRC
/TEST
AVDD1
AVSS1
RSEL
PSEL
MSEL
BCLK
LRCK
SRDATA
TX
MCLK
MDATA
MLD
SENSE
/FLOCK
/TLOCK
BLKCK
SQCK
SUBQ
DMUTE
STAT
/RST
SMCK
TVD
PC
ECM
ECS
TRD
FOD
VREF
FBAL
TBAL
FE
TE
RFENV
VDET
OFT
TRCRS
/RFDET
BDO
LDON
WVEL
ARF
IREF
DRF
DSLF
PLLF
EFM
PCK
SUBC
SBCK
VSS
X1
X2
OUTR
OUTL
10
11
17
13
18
19
REST SW
PLLF2
VCOF
VCOF2
IOSEL
IOVDD
CSEL
28
29
30
DSLF2
2
KICK
TRV
/RST
3
STAT
SUBQ
SQCK
7
BLKCK
8
MLD
MDATA
MCLK
P.GND
+7.5V
TX
LD SW
D.GND
+3.3V
Rch OUT
A.GND
Lch OUT
16
X701
RSXC16M9S04
14
D750
MAZ80560ML
R761
4.7K
9
LOADING
31
6 5
4
1
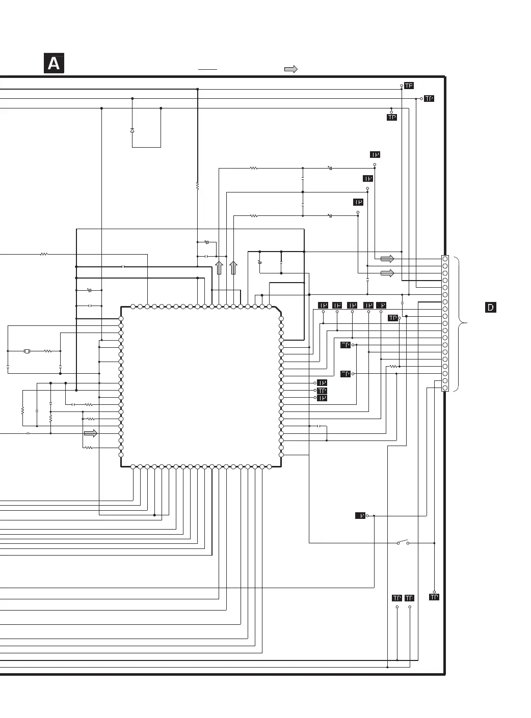
SCHEMATIC DIAGRAM - 2
TO
PANEL CIRCUIT
(CN606) ON
SCHEMATIC
DIAGRAM-8
IC702
MN662790RSC
SERVO PROCESSOR
DIGITAL SIGNAL PROCESSOR/
DIGITAL FILTER/
D/A CONVERTER
CD SERVO CIRCUIT
: CD SIGNAL LINE
: +B SIGNAL LINE
C754
470P
0V((3.2V))
0V((3.2V))
0V
0V
1.6V
1.6V
1.6V
1.6V
1.6V
1.6V
1.6V
1.6V
1.6V
1.6V
1.6V
3.2V((0V))
3.2V
1.6V
3.2V
0.5V
3.2V
0V
0V((0.2V))
3.2V((3.1V))
0V((3.1V))
3.1V
3.2V
3.2V
2.9V
1.5V
1.5V
2.9V
3.2V
3.2V
3.2V
1.5V
1.5V
3.2V
0.5V
1.6V
1.6V
1V
1.6V
1.5V

Related product manuals