EasyManua.ls Logo

Panasonic SA-PM17E - Page 135

Panasonic SA-PM17E
146 pages
Print Icon
To Next Page IconTo Next Page
To Next Page IconTo Next Page
To Previous Page IconTo Previous Page
To Previous Page IconTo Previous Page
Loading...
C115
50V4.7
C121 50V0.47
C122
50V1
C123 50V1
C129
6.3V100
C141
50V1
C120
16V10
C142
50V1
R131
68
R124
33
R125
470
R126
1K
R120
47K
R104
10K
R127
470
R142
6.8K
R132
10K
R102
4.7K
R121
22K
R141
6.8K
R145
100K
R146
100K
R123
68K
R133
1K
R143
22K
R122
2.7K
X102
RLFDFT
22DD
Z102
RLI2Z021M-T
2
1
3
Q106
KRA102MTA
TUNER SUPPLY
SWITCH
1
C149
0.1
C106
0.01
C109
1000P
C148
0.01
C131
10
C138
0.01
C147
1000P
C143
5600P
C144
5600P
C116
0.033
C139
50V4.7
C137
3300P
C118
0.01
C117
0.01
C119
PLLCLK
DO/ST
PLLDA
CE
SD
DO/ST
LCH
15V
RCH
1
2
3
4
5
6
Q106
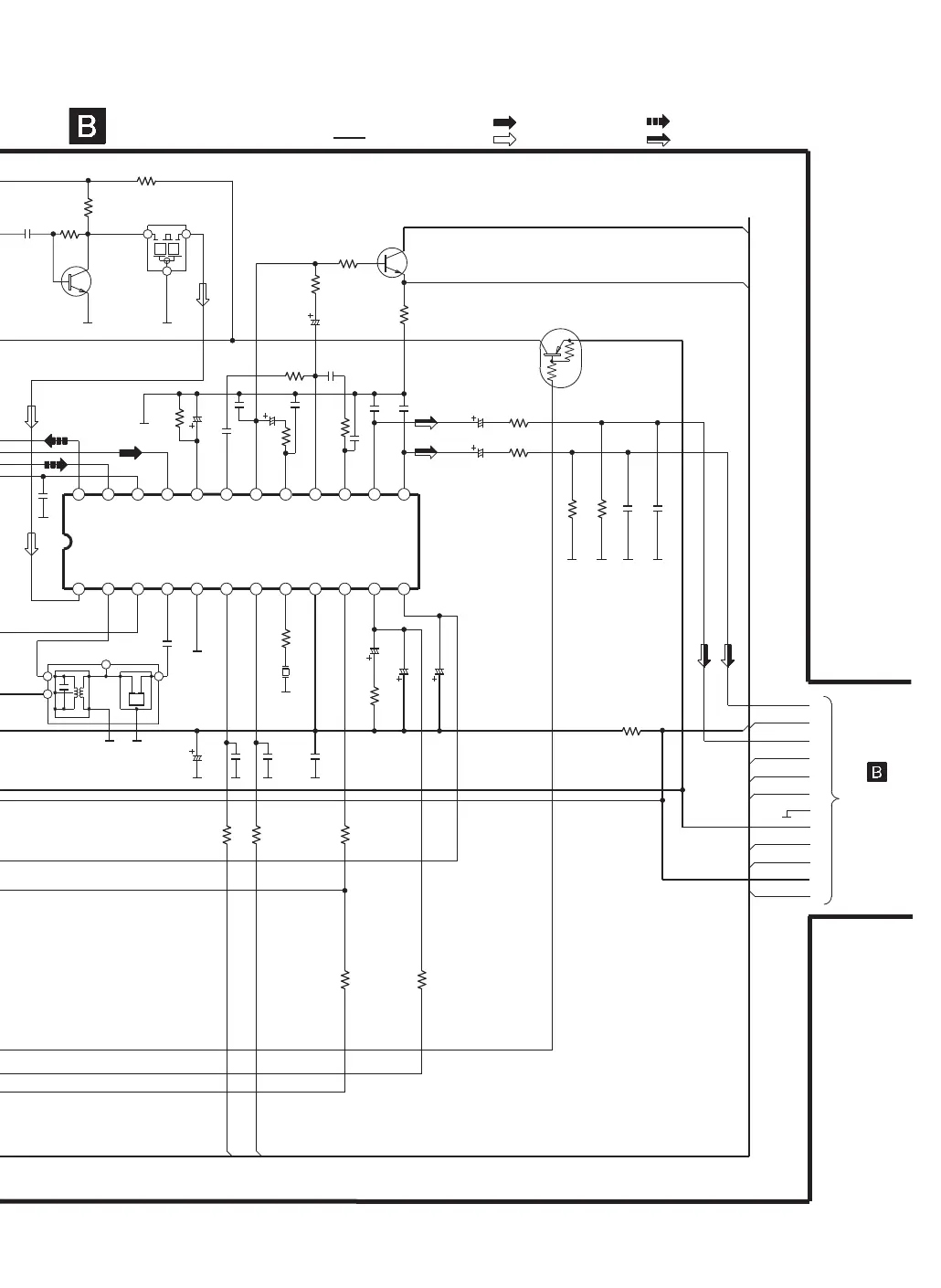
IC101
LA1833NMNTLM
IF & MPX IC
(TUNER)
SD
SCHEMATIC DIAGRAM-6
: +B SIGNAL LINE
: AM SIGNAL LINE
: FM SIGNAL LINE
: FM/AM SIGNAL LINE
TO
MAIN CIRCUIT
(1A) ON
SCHEMATIC
DIAGRAM-3
A
B
(1B)
TGND
R108
470K
(2.073V)
<2.073V>
((2.111V))
(5.81V)
<5.46V>
((5.62V))
(2.079V)
<2.089V>
((2.117V))
(2.066V)
<2.076V>
((2.105V))
(0.02V)
<0.027V>
((0.05V))
(5.22V)
<5.21V>
((5.19V))
(5.19V)
<5.18>
((5.07V))
(4.3V)
<3.34V>
((3.5V))
(0.041V)
<0.049V>
((3.7V))
(1.123V)
<4.39V>
((4.56V))
(4.07V)
<3.245V>
((3.12V))
(1.666V)
<1.665V>
((1.699V))
(1.654V)
<1.647V>
((1.683V))
(2.017V)
<2.026V>
((2.054V))
(2.08V)
<2.09V>
((2.118V))
(2.071V)
<2.08V>
((2.109V))
(2.34V)
<2.357V>
((2.395V))
(1.26V)
<0.002V>
((0.001V))
(0.758V)
<0.212V>
((0.298V))
(2.071V)
<2.484V>
((2.517V))
(2.072V)
<2.488V>
((2.517V))
(5.83V)
<5.48V>
((5.64V))
(4.42V)
<4.07V>
((4.23V))
((14.52V))
((0.6V))
((14.56V))
(4.3V)
<3.35V>
((3.51V))
MAIN (TUNER) CIRCUIT
CF202
J0B1075A0077
560P
: AM OSC SIGNAL LINE
DO/ST
C
D
E
F
G
H
I
J
C105
1000P
Q102
Q102
2SC2058SPTA
SWITCHING
R109
330
Q110
Q110
2SC3311ARTA
SWITCH
R139
22K
R140
22K
+7.5V
DET_OUT
7.5V
+7.5V
K
L
DET_OUT
13
14
15
16
17
21
20
19
18
24
23
22
10
9
11
12
8
7
6
5
3
4
2
FM IF in
OSC OUT
STRQ
V
CC
FM DET
SD
GND
AM IF in
REG
AM MIX out
AGC
AM RF in
AFC
OSC
FM/AM
Mono
Lch
Rch
AM OUT
ST
DET OUT
PILOT IN
MPX IN
PILOT OUT
IC101

Related product manuals