EasyManua.ls Logo

Panasonic SA-PM25 - Page 77

Panasonic SA-PM25
100 pages
Print Icon
To Next Page IconTo Next Page
To Next Page IconTo Next Page
To Previous Page IconTo Previous Page
To Previous Page IconTo Previous Page
Loading...
STRQ
SDC
LW
AIN
PD
AOUT
VDD
FMIN
AMIN
IFIN
MONO
FM
AM
CE
DI
CL
DO
VSS
Xout
Xin
AM EXT ANT
DO
CL
DI
CE
16V10
C2
50V 4.7
C11
25V22
C25
6.3V100
C30
50V3.3
C14
16V22
C27
10K
R30
3.3K
R38
470
R34
1K
R35
1K
R36
1K
R37
100K
R12
4.7K
R18
5.6K
R14
1K
R16
10K
R13
560
R15
390
R11
100
R3
470
R5
470K
R6
5.6K
R10
12K
R19
330
R7
68K
R17
82
R28
27K
R29
D1
Q1
0.47UH
L3
0.68UH
L1
0.68UH
L2
X3
1000P
C36
0.01
C3
0.01
C1
1000P
C5
1000P
C4
1000P
C9
0.047
C26
0.047
C7
1000P
C13
1000P
C32
18P
C34
15P
C33
0.01
C10
8.2P
C8
0.01
C12
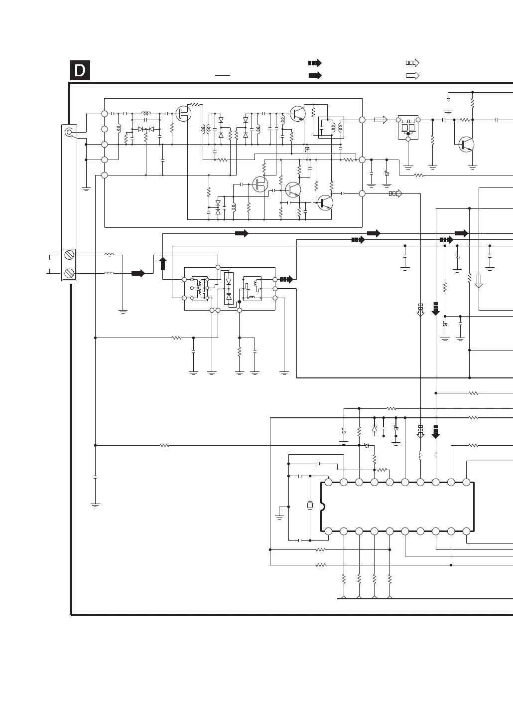
LC72131MDTRM
IC2
1
2
4
3
5
6
7
8
9
10
18
19
20
17
16
15
14
13 12
11
8P
8P
2SC2996
2P
470K
2SC2996
1.5M
4P
33K
8P
8P
100
2.7K
0.022
0.022
150
0.022
16V
100uF
18P
8
15P
330
0.022
1.2K
10K
33P
220
10K
47P
3P
100K
2SK360
HVM27
330
6
7
IFT
10K
2SC2620
1uH
4P
22P
1P
220P
7P
33K
33K
HVM27
HVM27
22
2SK238
100K
4
18P
0.47uH
100K
3
2
1P
HVM27
15P
5
1
22P
RLA2Z006M-TZ1
AM OSC COIL
AM ANT COIL
JK1
75 OHM
FM EXT ANT
AM LOOP ANT
CF1
3
1
2
IC2
TUNER (MAIN) CIRCUIT
SCHEMATIC DIAGRAM-5
1
2
3
4
5
6
789
4
3
2
1
2SC2787LTA
Q1
: +B SIGNAL LINE : AM SIGNAL LINE
: AM OSC SIGNAL LINE
: FM SIGNAL LINE
: FM OSC SIGNAL LINE
SWITCHING
PLL IC (TUNER)
RLFFETNGD01L
RSXD7M20C01
Z20 ENV17290G1Y
<2.56V>
(2.56V)
<0.32V>
(0.32V)
<0.46V>
(0.46V)
<0.46V>
(0.47V)
<5.24V>
(5.24V)
<4.35V>
(0.16V)
<0.01V>
(0V)
<3.93V>
(4.25V)
<0.07V>
(14.77V)
<0.01V>
(0V)
<0.01V>
(0.01V)
<0.01V>
(2.48V)
<2.50V>
(0V)
<5.24V>
(5.24V)
<0.92V>
(0.93V)
<1.84V>
(1.09V)
<0V>
(0V)
<2.59V>
(2.59V) <0.92V>
(0.93V)
<0.03V>
(0.02V)
<0.38V>
(0V)
<3.65V>
(0V)
<0V>
(0V)

Related product manuals