EasyManua.ls Logo

Panasonic SA-PM25 - Page 78

Panasonic SA-PM25
100 pages
Print Icon
To Next Page IconTo Next Page
To Next Page IconTo Next Page
To Previous Page IconTo Previous Page
To Previous Page IconTo Previous Page
Loading...
PILOT OUT
MPX IN
PILOT IN
DET OUT
ST
AM OUT
Rch
Lch
Mono
FM/AM
OSC
AFC
AM RF in
AGC
AM MIX out
REG
AM IF in
GND
SD
FM DET
Vcc
STRQ
L ch
15V
7.5V
OSC OUT
FM IF in
R ch
STEREO
SD
CE
DI
DO/ST
CL
DO/ST
SD
0.018
C17
0.018
C18
4700P
C37
4700P
C39
0.033
C16
50V1
C42
25V 10
C20
50V1
C41
6.3V100
C29
50V1
C23
50V1
C22
50V0.47
C21
50V 4.7
C15
2.7K
R22
22K
R43
1K
R33
68K
R23
100K
R46
100K
R45
1K
R41
22K
R21
4.7K
R2
10K
R32
1K
R42
470
R27
10K
R4
470K
R8
R20 47K
1.5K
R26
470
R25
270
R24
68
R31
330
R9
RVTDTA114EST
Q6
2SC2787LTA
Q2
RLFDFT13DD
4700P
C44
4700P
C43
1000P
C47
0.01
C38
100P
C31
0.01
C48
0.01
C6
100P
C24
0.1
C49
390P
C19
LA1833NMNTLM
IC1
1
2
4
3
5
6
7
8
12
11
9
10
2223
24
18
19
20
21
17
16
15
14
13
RLFFETMGD01L
CF2
31
2
RLI2Z006M-T
Z2
Q6
IC1
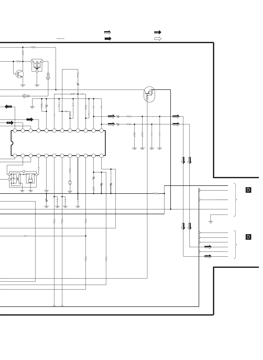
SCHEMATIC DIAGRAM-6
TO
MAIN
CIRCUIT
(1B) ON
SCHEMATIC
DIAGRAM-7
TO
MAIN
CIRCUIT
(2B) ON
SCHEMATIC
DIAGRAM-7
A
B
C
D
a
b
c
d
e
f
(1A)
(2A)
1
2
3
4
56
Q2
: +B SIGNAL LINE : AM SIGNAL LINE
: AM OSC SIGNAL LINE
: FM SIGNAL LINE
: AM/FM SIGNAL LINE
AMPLIFIER FM IF
IF & MPX IC
(TUNER)
POWER SUPPLY SWITCH
X2
AGND
E
<2.07V>
(2.06V)
<2.06V>
(2.06V)
<5.45V>
(5.77V)
<2.05>
(2.05V)
<0V>
(0V)
<5.16V>
(5.15V)
<5.24V>
(5.24V)
<3.39V>
(4.84V)
<5.45V>
(5.77V)
<5.45V>
(5.77V)
<0.02V>
(0.02V)
<4.35V>
(1.13V)
<3.19V>
(3.97V)
<1.17V>
(1.69V)
<1.69V>
(1.69V)
<2.01V>
(2.00V)
<2.07V>
(2.05V)
<2.06V>
(2.05V)
<2.69V>
(0.51V)
<0V>
(1.26V)
<2.31V>
(2.04V)
<2.31V>
(2.04V)
<5.44V>
(5.77V)
<3.95V>
(4.27V)
<14.49V>
(14.55V)
<14.38V>
(0V)
<0.06V>
(14.52V)
<0.57V>
(0V)
<3.66V>
(0V)
<0V>
(0V)

Related product manuals