EasyManua.ls Logo

Panasonic SA-PM25 - Page 90

Panasonic SA-PM25
100 pages
Print Icon
To Next Page IconTo Next Page
To Next Page IconTo Next Page
To Previous Page IconTo Previous Page
To Previous Page IconTo Previous Page
Loading...
FILTER
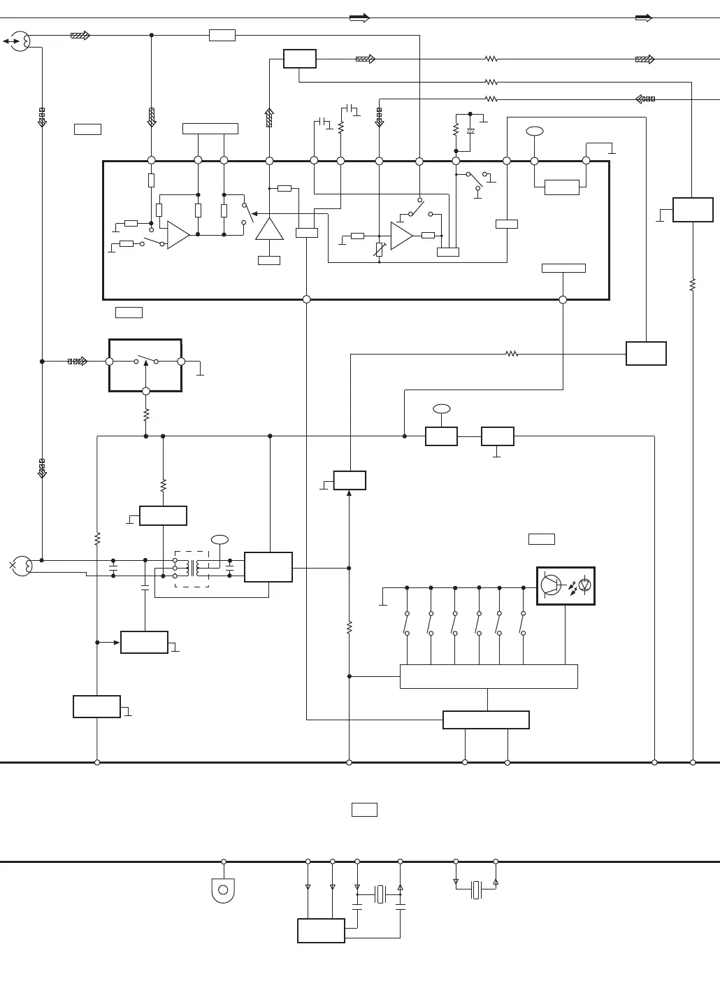
BA7755A
IC1000
ANALOG SWITCH
VR801
JOG VOL
Q604,Q605
MBP1
OSCILLATOR
42 41
MBP2
X601
39 38
XOUT
XIN
37 36
X602
XCOUT
XCIN
5
V_JOG
R/P HEAD
(L ch)
4
3
2
L1301
BIAS
SWITCH
Q1313
Q1317
ERASE
HEAD
Q1309,
Q1310,
Q1312
Z971
INTERFACE
Q1304
Q1301
MK_IN2
4
Q1308
BEAT PROOF
LEVEL SWITCH
SWITCH
DECK
MUTING
CONTROL
+B
SWITCH
S971 (MODE)
S974 (RECINH_R)
S973 (CR02)
S972 (HALF)
22(1)
MUTE
TPS
ALC
LOGIC
RIPPLE
REJECTION
REC AMP (L)
21(2)
20(3)
19(4) 18 17 16 15 14 13 12 10
PB LIN(R)
PB L NF(R)
PB L EQ(R)
PB LOUT(R)
ALC LOW CUT
TPS GAIN
REC
L OUT(R)
REC
LIN(R)
ALC
NOR/CRO SW
VCC
RF
Q1102(Q1202)
MUTING
SWITCH
+
6
SWITCHING
9
MK_IN1
3
Q1306,Q1307
S976 (METAL)
S975 (RECINH_L)
TPS OUT
PB/REC
SW
Q1321,
Q1322
+B
SWITCH
SWITCH
SWITCH
Q1305
SWITCH
BP
28
Q1303
SWITCH
+B
DMT
27
RECH
29
FILTER
IC971
PHOTO INTERRUPTER
0N2180RLC1
IC601
M38258MCM088
MICROCOMPUTER
CR02
34
IC1001
AN7326K
P/B REC AMP

Related product manuals