EasyManua.ls Logo

Panasonic SA-PM25 - Page 92

Panasonic SA-PM25
100 pages
Print Icon
To Next Page IconTo Next Page
To Next Page IconTo Next Page
To Previous Page IconTo Previous Page
To Previous Page IconTo Previous Page
Loading...
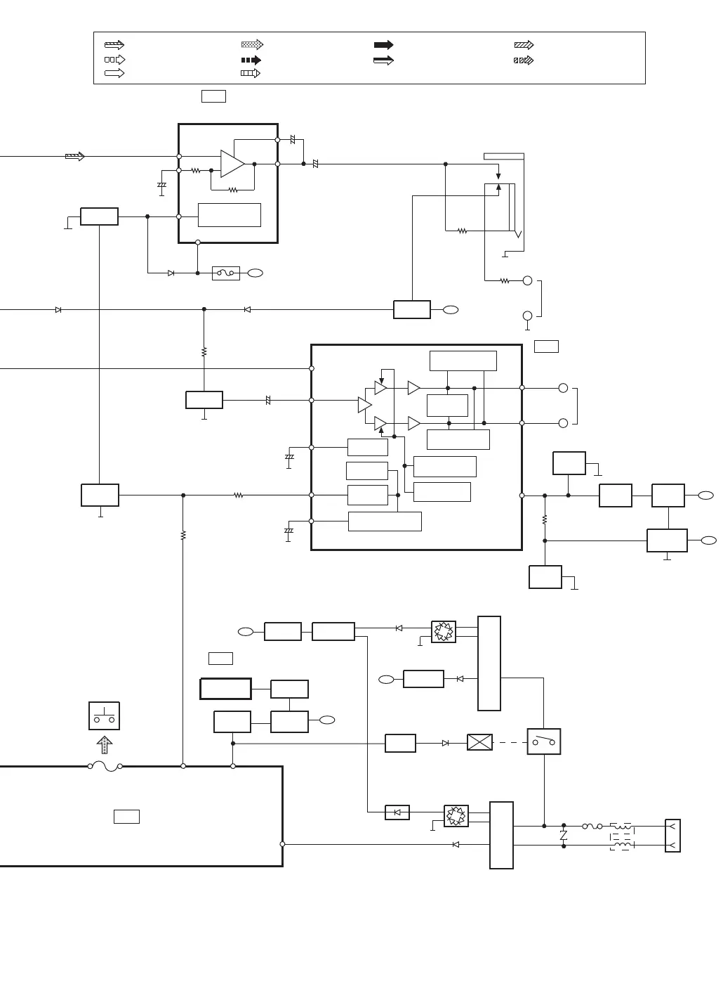
PLAYBACK SIGNAL LINE
RECORDING SIGNAL LINE
SIGNAL LINES
FM SIGNAL LINE
FM OSC SIGNAL LINE
MAIN SIGNAL LINE
FM & AM SIGNALS LINE
AM SIGNAL LINE
CD SIGNAL LINE
AUX SIGNAL LINE
AM OSC SIGNAL LINE
IC301
S81333HG-Z
ANALOG SWITCH
IC501
LA4705NA
RIPPLE
FILTER
RIPPLE FILTER/
STABILIZER
3
+
-
2(5)
1(6)
11(8)
12(7)
+
+
10
SWITCH
Q514
+
7
3
5
6
FP510
STABILIZER
Q510
POP NOISE
PREVENTION CIRCUIT
STANDBY
SWITCH
BIAS CIRCUIT
RIPPLE
FILTER
THERMAL
SHUTDOWN
OVER VOLTAGE/
SURGE PROTECTION
OUTPUT PIN TO GND
SHORT PROTECTOR
+
-
+
OUTPUT PIN TO VCC
SHORT PROTECTOR
LOAD SHORT
PROTECTOR
POWER
AMP
PRE-
DRIVER
+
SWITCH
Q511
+
REGULATOR
Q502
+B
SWITCH
Q501
D501,D502
T2
SUB
TRANSFORMER
T1
POWER TRANSFORMER
D506~D509
D512
D510
RL501
F1
JK501
AC INLET
L501
D505
JK502
HEADPHONES
14(15)
12(17)
+B
D522
D521
+B
PCNT
32
PCONT2
31
SYNC/HALT
17
POWER
CONTROL
SWITCH
Q512
CURRENT
SWITCH
Q503
D513~D516
2
+
-
JK504
SPEAKER
LCH
IN1
IN2
STANDBY
SWITCH
POP
NOISE
INVERTING
OUT 2(1)
NON-
INVERTING
OUT 2(1)
+B
Q312
SUPPLY
SWITCH
Q313
REGULATOR
SWITCH
Q303,Q304
D523
+
-
JK503
HIGH CH
SPEAKER
REGULATOR
Q309
D524
+B
KEY2
KEY1
9,10
KEY SW
11
NON-
INVERTING
OUT 2(1)
Q507
CURRENT
LIMITTER
Q506
SWITCH
+B
Q509
REGULATOR
+B
Q505
SWITCH
Q508
CURRENT
LIMITTER
POWER AMP
IC502
AN7135
IC601
M38258MCM088
MICROCOMPUTER
POWER
CONTROL
SWITCH

Related product manuals