EasyManua.ls Logo

Panasonic SA-PM65MD - Page 134

Panasonic SA-PM65MD
144 pages
Print Icon
To Next Page IconTo Next Page
To Next Page IconTo Next Page
To Previous Page IconTo Previous Page
To Previous Page IconTo Previous Page
Loading...
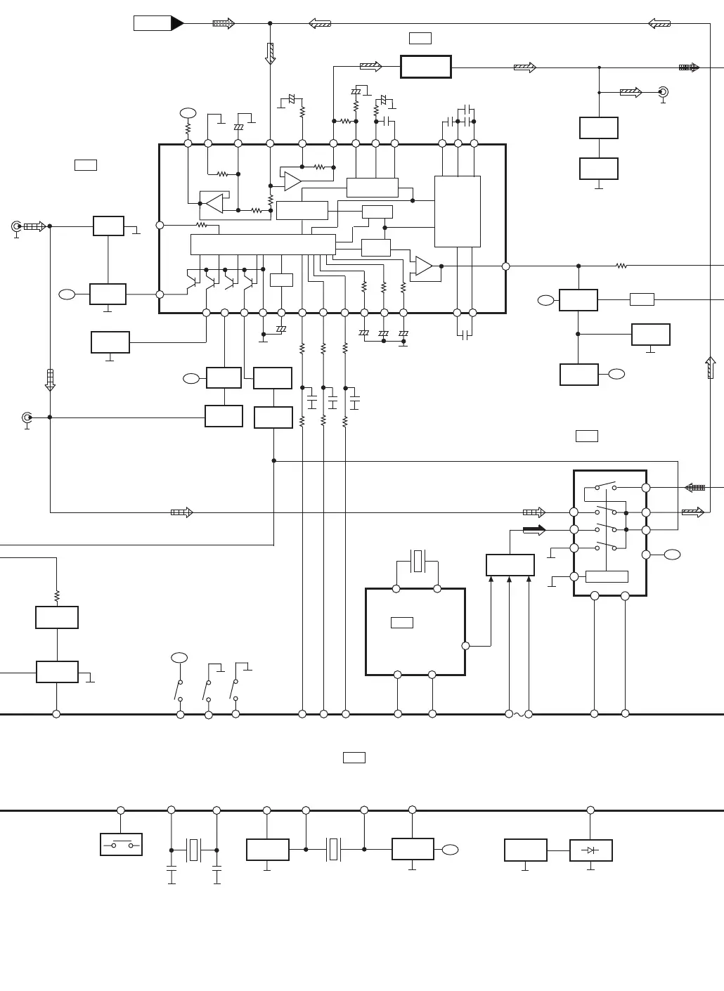
IC801
MN101C49KAA2
MICROPROCESSOR
IC401
BU4052BCF-E2
FUNCTION SWITCH
CONTROL
VOLUME
MUTING
AUX
SWITCH
VREF
-
+
VOLUME
(BASS)
:
:
:
TONE
:
:
:
(TREBLE)
MATRIX
SURROUND 1
MATRIX
SURROUND 2
-
+
+
-
24 11
+
10
9
(12)
8
(13)
7
(14)
6
(15)
5
(16)
4
(17)
3
(18)
2
(19)
1
(20)
25
29
26 27 28 30 31 32 33 34 35 36 37
39
(22)
40
(21)
38
(23)
Q409
MUTING
CONTROL
SWITCH
MUTING
SWITCH
CONTROL
Q404
MUTING
CONTROL
40
MUTING
Q406
MUTING
CONTROL
Q405
(Q505)
MUTING
84 83 82
2~3
SW751~SW767,
SW775~SW785
15 16
13
12
98
FREQ SHIFT
Q803
99
Q802
SW CONT..
15(2)
16
11(4)
8
9
10
7
14(5)
13(3)
36 37
12(1)
Q401(Q501)
Q403
+
+ + +
Q807
Q805
X802
ADIN 0~2
XI
XO
MBP2
OSC1
OSC2
MBP1
CD&TUNER_H
AGLATCH
AGDATA
AGCLK
SEL1
SEL2
VCC
A_GND
A_GND
INL(R)
NFL(R)
BUOUT L(R)
SIN L(R)
SNF L(R)
SO L(R)
BVN L(R)
BIN L(R)
BVO L(R)
PORT 1
PORT2
PORT3
D_GND
VREF
AGLATCH
AGDATA
AGCLK
BC
TC
VC
TVO L(R)
TIN L(R)
PORT4
SC
OUT L(R)
X801
FROM
CD UNIT
+
+B
+B
+B
+B
+B
CD SIGNAL
TUNER PACK
OP AMP
JK603
EXTERNAL
OUT LCH
IC402
BH3857AFV-E2
ASP
Q407
(Q507)
MUTING
Q408
MUTING
SWITCH
Q402
(Q502)
MUTING
JK603
EXTERNAL
IN LCH
82~84
D752~
D754
LED
SUPPLY
CONTROL
Q751
19 20
16 17
11
10
RDS_DATAIN
FL RDS_CLK
XOUT
XIN
RDDA
RDCL
X201
SD
PLL DO
PLL DI
PLL CE
PLL CK
74~78
2
MPXIN
JK603
AUX(1)
Q431
(Q531)
HPF
SWITCH
Q621
Q451
+B
+B
FILTER
S790
34
CD_OPSW
+B
52
MD_PNL_SW
53
CD_PNL_SW
BA4558FE2
IC471
LPF
IC201
LC72721NMTLM
RDS
FREQ SHIFT

Related product manuals