EasyManua.ls Logo

Panasonic SA-PM65MD - Page 135

Panasonic SA-PM65MD
144 pages
Print Icon
To Next Page IconTo Next Page
To Next Page IconTo Next Page
To Previous Page IconTo Previous Page
To Previous Page IconTo Previous Page
Loading...
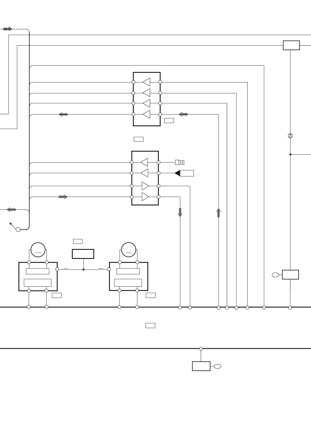
IC802
TC74HCT7007A
3V TO 5V
IC803
TC4050BF
5V TO 3V
IC801
MN101C49KAA2
MICROPROCESSOR
IC903
BA6283N
MD PANEL DRIVER
IC904
BA6283N
CD PANEL DRIVER
MUTING
58
MUTING
CONTROL
Q804
Q432 (Q532)
JK 604
OPT IN
15
502946 4845
49
47
10
6
4
14
9
7
5
MD REQ
RX2
MD CLK
MD DATA_OUT
MD CS
RX1
MD SYSRST
MD DATA_IN
LOADSW
6
12
3
1
4
13
2
5
FROM
CD UNIT
TO MD UNIT
DRIVE
DIRECTION SELECT
M
4
3
1
68 67
9
7
3.3V
REGULATOR
MOTOR
(RM902)
LOADSW
39
OPTICAL
SWITCH
Q914
DIGITAL_L
MD DATA_OUT
MD CS
CD_PNL_OP
CD_PNL_CL
MD DATA_IN
MD SYSRST
MD REQ
MD CLK
MD_LCH
RECIN_L(R)
D633
MUTE A
A
TX
IC901
UPC29M33HF
+B
DRIVE
DIRECTION SELECT
M
4
3 1
69 70
9
7
MOTOR
(RM901)
MD_PNL_CL
MD_PNL_OP
+B

Related product manuals