EasyManua.ls Logo

Panasonic SA-PMX100EG - Checking of Main P.C.B

Panasonic SA-PMX100EG
74 pages
Print Icon
To Next Page IconTo Next Page
To Next Page IconTo Next Page
To Previous Page IconTo Previous Page
To Previous Page IconTo Previous Page
Loading...
42
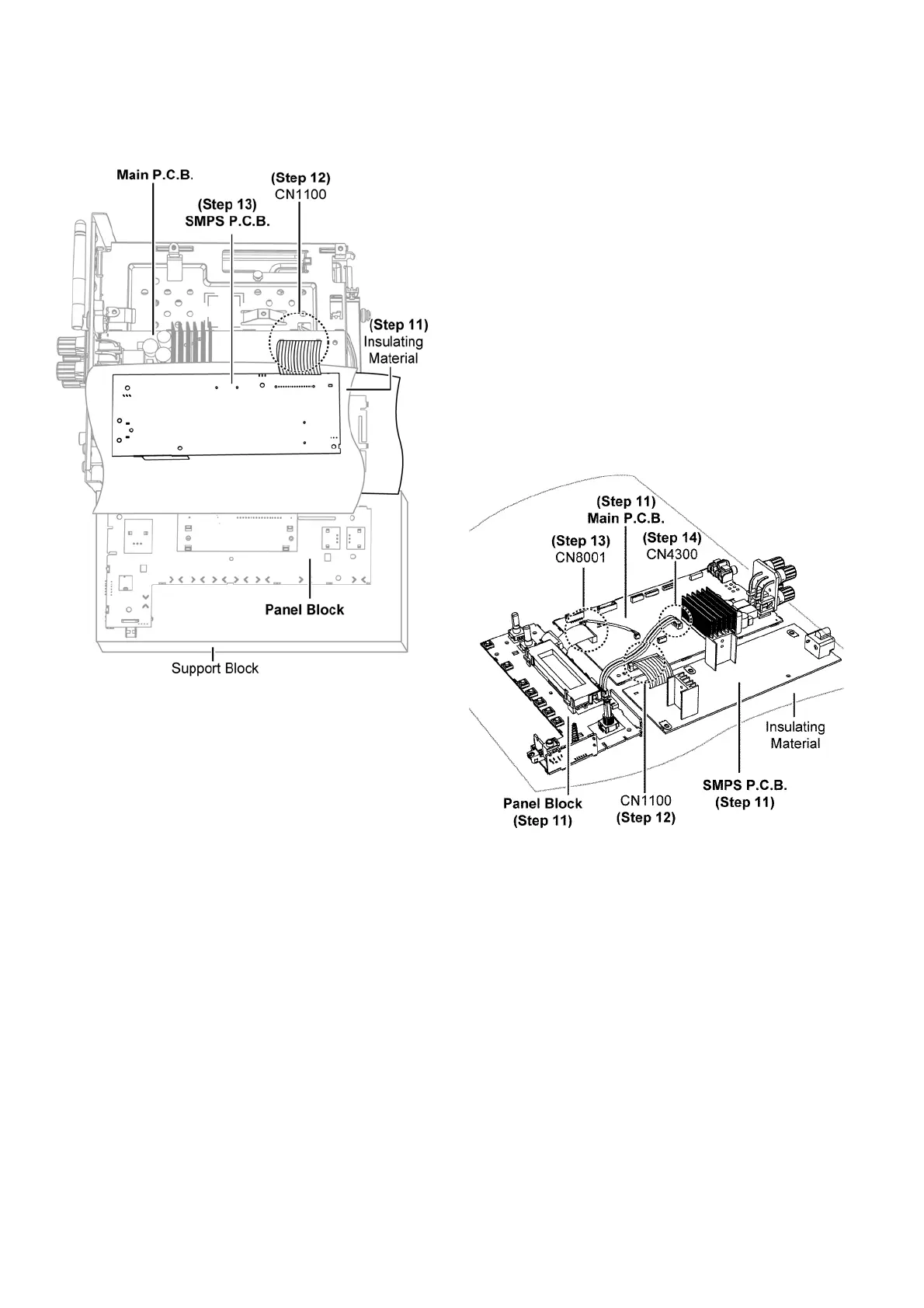
Step 11 : Place SMPS P.C.B. on an Insulated Material.
Step 12 : Connect 15P wire at the connector (CN1100) on the
Main P.C.B..
Step 13 : Check SMPS P.C.B. according to the diagram shown.
9.3. Checking of Main P.C.B.
Step 1 : Remove Top Cabinet.
Step 2 : Remove Front Panel Unit.
Step 3 : Remove Relay Block.
Step 4 : Remove Panel Block.
Step 5 : Remove Antenna P.C.B..
Step 6 : Remove SMPS P.C.B..
Step 7 : Remove Main P.C.B..
Step 8 : Remove Inner Chassis.
Step 9 : Remove Tuner P.C.B..
Step 10 : Remove CD Mechanism Unit.
Step 11 : Place Panel Block, Main P.C.B. & SMPS P.C.B. on an
insulated material.
Step 12 : Connect 15P wire at connector (CN1100) on Main
P.C.B..
Step 13 : Connect 21P FFC at connector (CN8001) on Main
P.C.B..
Step 14 : Connect 5P wire at connector (CN4300) on Main
P.C.B..

Table of Contents

Related product manuals