EasyManua.ls Logo

Panasonic SA-PMX100EG - Smps Circuit (1;2)

Panasonic SA-PMX100EG
74 pages
Print Icon
To Next Page IconTo Next Page
To Next Page IconTo Next Page
To Previous Page IconTo Previous Page
To Previous Page IconTo Previous Page
Loading...
58
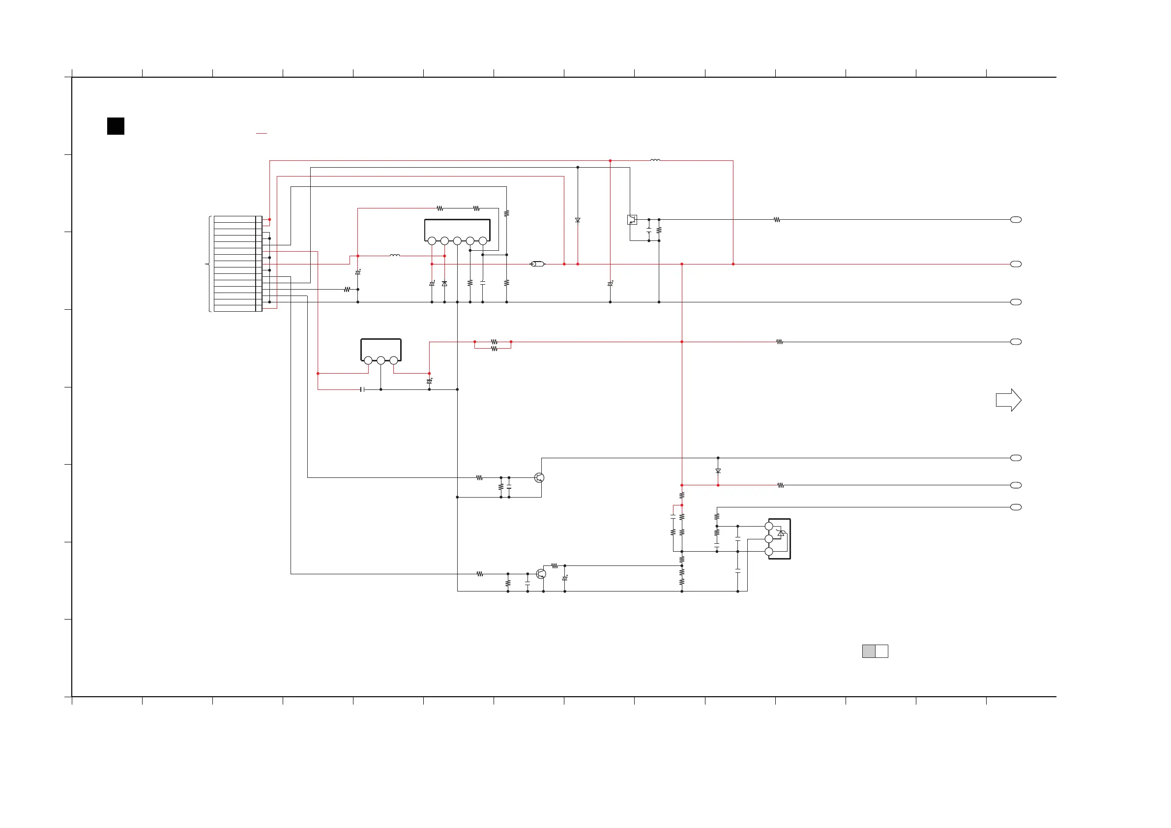
12.7. SMPS CIRCUIT (1/2)
A
1
2 3 4 5 6 7 8 9 10 11 12 13 14
1 2 3 4 5 6 7 8 9 10 11 12 13 14
C
D
B
E
G
H
F
I
SMPS CIRCUIT
SCHEMATIC DIAGRAM - 6
SA-PMX100EG SMPS CIRCUIT
2/21/2
TO SMPS
CIRCUIT (2/2)
1
2
3
4
5
6
7
TO MAIN P.C.B.
(CN1100)
: +B SIGNAL LINE
10R5820
10R5821
R2905
4.7K
30K
R2906
2.2K
R5862
DA2J10100L
D5812
G0A330ZA0045
L5801
B1GBCFGG0030
DC DETECT
QR5862
R5864
1.5K
C5791
10
R2908
10K
D2907
B0JCPG000005
R2907 3.9K
R5882
3.9K
C2908
0.1
L2900
G0A330ZA0045
J0JHC0000107
LB5830
C5808
35V470
42135
C0DBAYH00005
+12V VOLTAGE REGULATOR
IC2900
1K
R2909
C2906
16V820
C2907
35V56
8
9
13
11
10
12
2
3
1
5
7
6
4
15
14
H2015
47K
R5868
0.1
C5870
R5728
22K
22KR5863
1
C5824
50V10
C5823
2 13
IC5823
C0DBGYY05244
+5V VOLTAGE REGULATOR
1KR5867
R5818
10K
2.2K
R5817
R5861
100K
Q5863
B1ABGC000001
SWITCH
R5801
100
DA2J10100L
D5804
82K
R5804
15K
R5802
1.5K
R5809
R5810
220
R5806
10K
10K
R5805
C5828
6.3V100
56P
C5819
A
R
K
C0DAAYY00072
SHUNT REGULATOR
IC5801
C5818
0.1
C5820
1000P
B1ABGC000001
SWITCH
Q5864
C5817
6800P
R5814
100K
C5869
0.1
R5819
270
GND VINVOUT
ECO_CTL
SMPS STOP
DCDET
12V
REGION DET
12VGND
GND
VDD_24V
GND
GND
SYS5V
GND
DAMPVDD_24V
PCONT3
VOUTVIN ON/OFFGND ADJ
DAMPVDD_24V

Table of Contents

Related product manuals