EasyManua.ls Logo

Panasonic SA-PMX152EG - Disassembly and Assembly Instructions; Disassembly of ALLPLAY Antenna P.C.B.; Disassembly of SMPS P.C.B.

Panasonic SA-PMX152EG
79 pages
Print Icon
To Next Page IconTo Next Page
To Next Page IconTo Next Page
To Previous Page IconTo Previous Page
To Previous Page IconTo Previous Page
Loading...
33
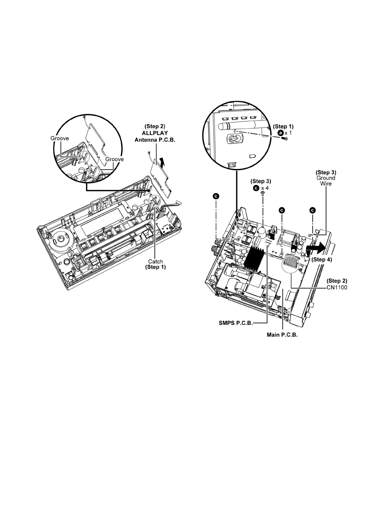
8.9. Disassembly of ALLPLAY
Antenna P.C.B.
Refer to “Disassembly of Top Cabinet”
Refer to “Disassembly of Front Panel Unit”
Refer to “Disassembly of Panel Block”
Step 1 : Release catch.
Step 2 : Remove ALLPLAY Antenna P.C.B..
Caution : During assembling, ensure ALLPLAY Antenna
P.C.B. are inserted and seated into grooves.
8.10. Disassembly of SMPS P.C.B.
Refer to “Disassembly of Top Cabinet”
Step 1 : Remove screw.
Step 2 : Detach 15P Wire at connector (CN1100) on Main
P. C .B . .
Step 3 : Remove 4 screws and detach ground wire.
Step 4 : Lift up to remove SMPS P.C.B..

Table of Contents

Related product manuals