EasyManua.ls Logo

Panasonic SA-PMX152EG - Disassembly and Assembly Instructions; Disassembly of CD Interface P.C.B.

Panasonic SA-PMX152EG
79 pages
Print Icon
To Next Page IconTo Next Page
To Next Page IconTo Next Page
To Previous Page IconTo Previous Page
To Previous Page IconTo Previous Page
Loading...
42
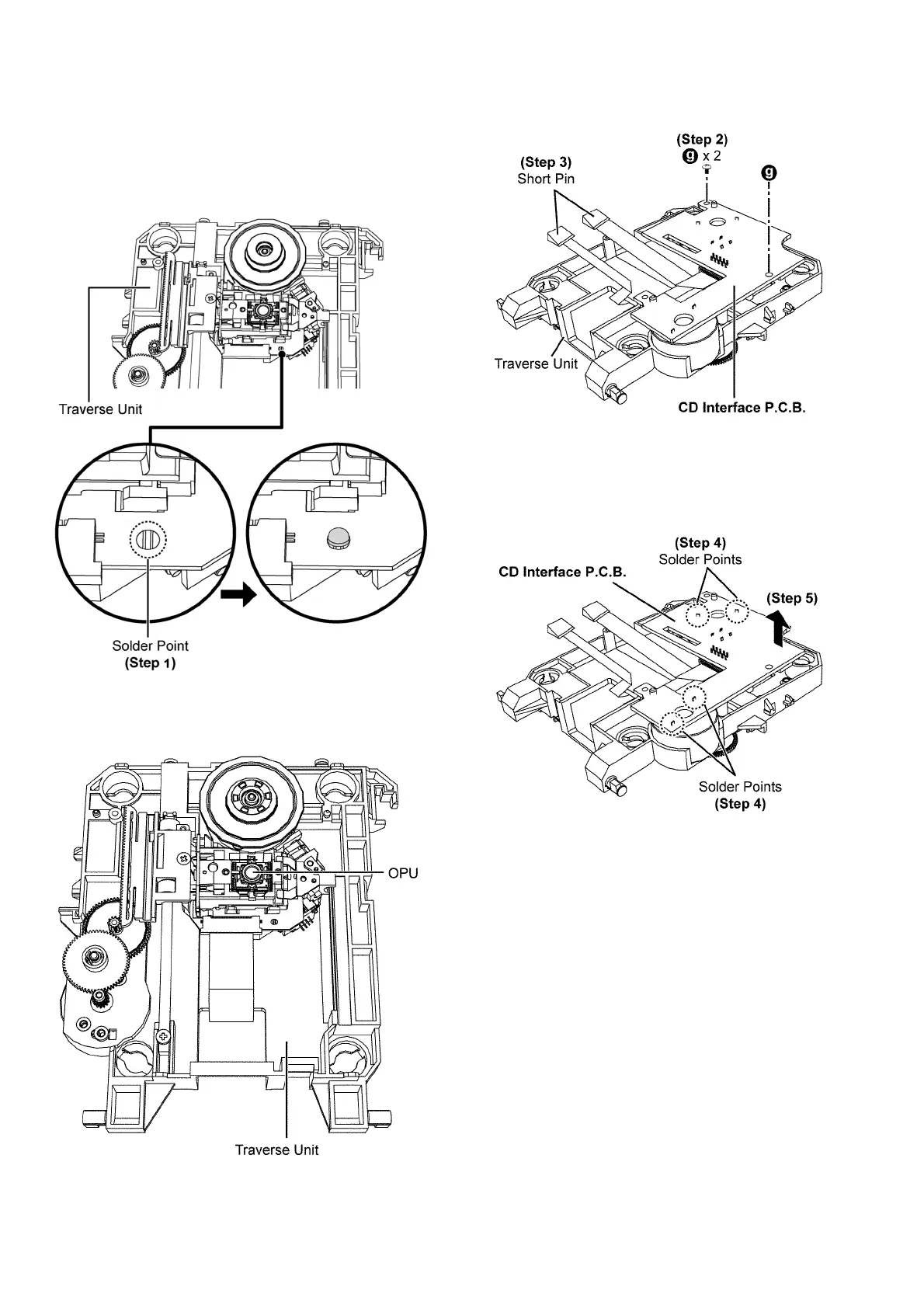
8.16.3. Disassembly of CD Interface P.C.B.
Refer to “Disassembly of CD Mechanism Unit”
Refer to “Disassembly of Traverse Unit”
Note : The circuit is to be short to prevent electrostatic dis-
charge during replacement of CD Interface P.C.B..
Step 1 : Solder point.
Caution : Avoid touching the surface of the Optical Pickup
Unit on the Traverse Unit.
Step 2 : Remove 2 screws.
Step 3 : Attach short pin to Traverse Unit.
Step 4 : Desolder points on solder side of CD Interface P.C.B..
Step 5 : Remove CD Interface P.C.B..

Table of Contents

Related product manuals