EasyManua.ls Logo

Panasonic SB-PF960 - Block Diagram: DVD Servo; DVD (Servo) Block Diagram

Panasonic SB-PF960
70 pages
Print Icon
To Next Page IconTo Next Page
To Next Page IconTo Next Page
To Previous Page IconTo Previous Page
To Previous Page IconTo Previous Page
Loading...
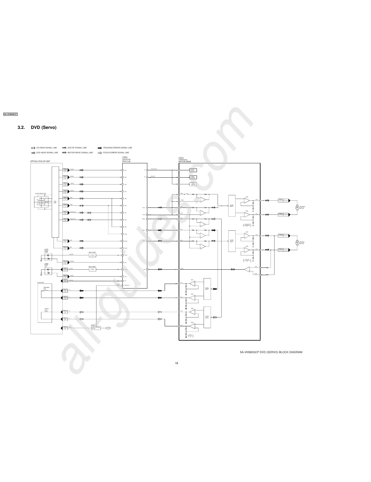
3.2. DVD (Servo)
1
-
FP8251
2
-
FP8251
MOTOR
SPINDLE
M
3
-
FP8251
4
-
FP8251
CH3
CH3
VCC2-Vf
2
2
VCC2-Vf
CH4
CH4
-
+
2
VCC1
CH2
CH2
CH1
CH1
OPIN+
OPIN-
4
5
+
-
MOTOR
TRAVERS
M
BIAS2
+
-
LDIN
24
25
1
VO3-
18
+
-
VO3+
17
+
-
SHIFT
LEVEL
VO4-
16
+
-
VO4+
15
-
+
-
+
-
+
SHIFT
LEVEL
+
-
BIAS1
SHIFT
LEVEL
SHIFT
LEVEL
-
+
-
+
-
+
-
+
VO2-
VO2+
VO1-
VO1+
OPOUT
VIN3
VIN1
VIN2
TRIN
OPTICAL PICK UP UNIT
PHOTO DETECTOR
A3A4
B3B4
A2A1
B2B1
24
FP8531
F-
22
FP8531
HFM
25
COIL
FOCUS
FP8531
F+
ACTUATOR
COIL
TRACKING
23
FP8531
T-
T+
26
FP8531
(CD)
DIODE
LASER
(DVD)
DIODE
LASER
AMP
HEAD
11
12
13
14
AD1
6
122
66
23
DRV1
PWM1
2
126
127
3
PWM0
DRV0
TRVFT MUTE
SP MUTE
26
67
VHALF
110
MOTOR DRIVE
48
27
MUTE
CH3
P3
P4
MUTE
CH1,2
9
49
LPC2
TRCDATA1
LPCO2
LPC1
LPCO1
RFINP
RFINN
VIN10
VIN9
VIN8
VIN7
VIN6
VIN5
VIN4
VIN3
VIN2
VIN1
105
PIN(CD)
FP8531
3
FP8531
PIN(DVD)
103
12
LD DRIVE
11
106
LD+(CD)
FP8531
Q8561,Q8562
SUPPLY CONTROL
SWITCH
QR8571
LD DRIVE
Q8551,Q8552
LD+(DVD)
104
14
96
RFP
FP8531
FP8531
RFN
95
13
111
112
17
116
FE2(DVD/CD)
FP8531
FP8531
FE1(DVD/CD)
115
16
5
114
SUB2
FP8531
4
FP8531
SUB1
113
118
TD(DVD)
FP8531
19
TC(DVD)
117
18
FP8531
20
FP8531
TB(DVD)
119
TA(DVD)
21
FP8531
DV5.0 LSI
120
20
MUTE
CH4
78
HFMON
D+3.3V
IC8001
IC8251
MN2DS0018MP
C0GBG0000048
SA-VK960GCP DVD (SERVO) BLOCK DIAGRAM
P12
FP8531
15
DVD CD
59
: DVD HEAD SIGNAL LINE
: DVD RF SIGNAL LINE
: MOTOR DRIVE SIGNAL LINE
: CD HEAD SIGNAL LINE
: TRACKING ERROR SIGNAL LINE
: FOCUS ERROR SIGNAL LINE
SA-VK960GCP
16
All manuals and user guides at all-guides.com
all-guides.com

Related product manuals