EasyManua.ls Logo

Panasonic SB-PF960 - Block Diagram: Power; Power Block Diagram

Panasonic SB-PF960
70 pages
Print Icon
To Next Page IconTo Next Page
To Next Page IconTo Next Page
To Previous Page IconTo Previous Page
To Previous Page IconTo Previous Page
Loading...
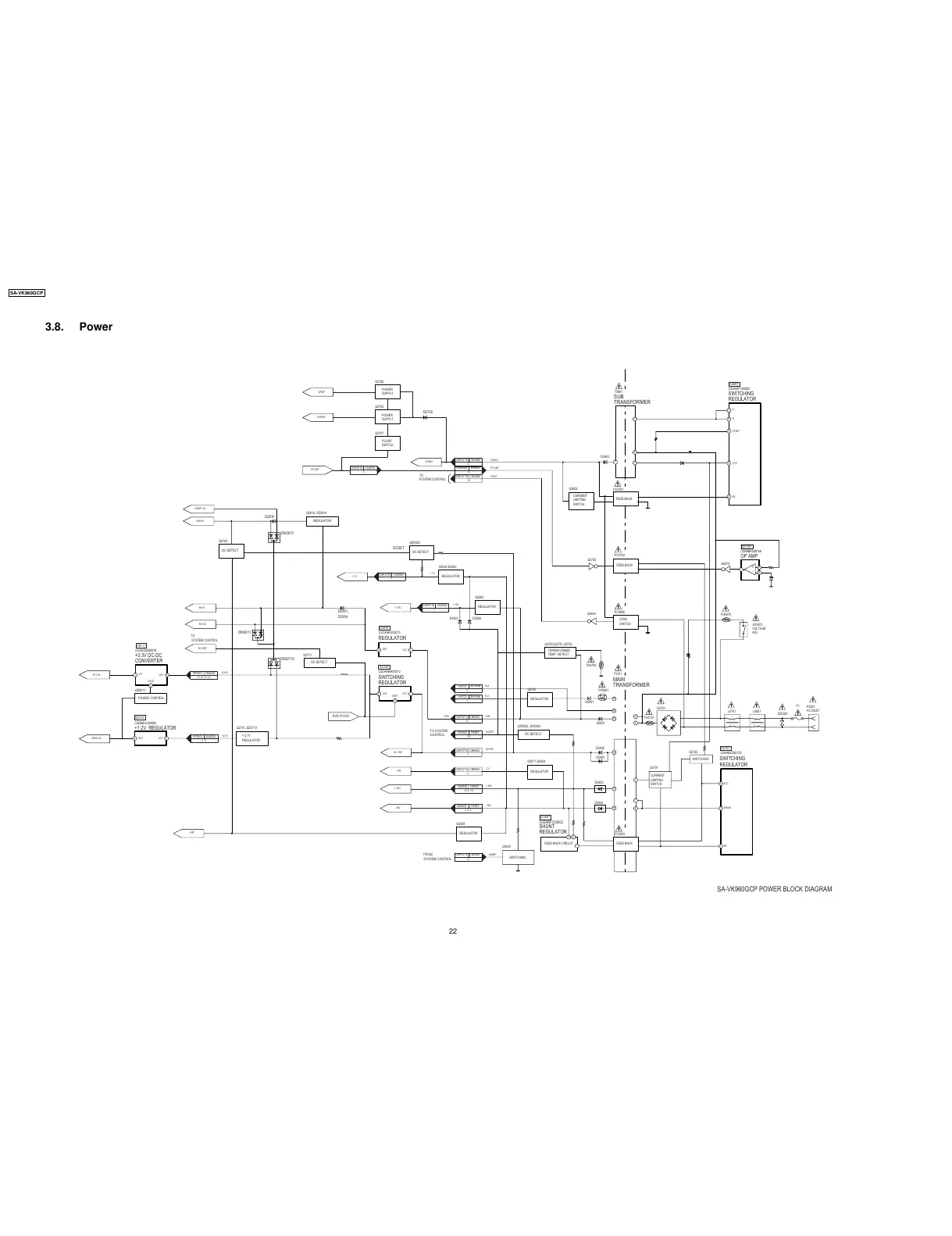
3.8. Power
8
7
2
4
3
2
6
7
5
1
8
4
7
16
15
13
14
12
1
9
5
START
L5701
FP5901
Q2810, DZ2810
REGULATOR
M+12V
VOLTAGE
ADJ
JK5970
+
_
OP AMP
C0ABBA000168
IC5790
Q5970
7
5
6
D5803
Q5925
Q5971,Q5504
SWITCHING
FROM
SYSTEM CONTROL
11
CN5902CNP2710
AMBP
2
3
D5902
D5901
D5501 D550X
D5901
D5903
MAIN
TRANSFORMER
D5904
T5701
D5905
Q5804
Q5802
T5801
PC5801
D5701
L5001
DZ5001
SA-VK960GCP POWER BLOCK DIAGRAM
C0CBCBD00018
SYSTEM CONTROL
TO
Q2710, DZ2710
+1.2V REGULATOR
C0DBEHG00006
POWER CONTROL
QR8111
+3.3V DC-DC
CONVERTER
CONT
Q5750,Q5751,Q5752
TRANSFORMER
TEMP. DETECT
C0CAAKG00013
SWITCHING
REGULATOR
REGULATOR
C0DAAMH00012
OUT
VCC
12
5
OUT
VCC
13
Q5701
CURRENT
LIMITING
SWITCH
Q5702
SWITCHING
F1
P5001
AC INLET
SWITCHING
REGULATOR
C5HABZZ00125
VCC
DRAIN
FB
4
3
1
FEED BACK
CURRENT
LIMITING
SWITCH
SUB
TRANSFORMER
PC5703
FEED BACK
PC5901
FEED BACK
REGULATOR
Q5928
REGULATOR
Q5704
REGULATOR
Q5503
REGULATOR
Q5502 D5503
REGULATOR
QR5500
DC DETECT
Q6702
DC DETECT
Q2701
PCONT
SWITCH
PCONT
SWITCH
Q2702
Q2700
FEED BACK CIRCUIT
D
D
VCC
FB
IC5801
SWITCHING
REGULATOR
C0DABYY00002
IC2810
IC2720
IC8151
IC8111
IC5701
Q5705
TH5970
TH5701
PC5805
SYNC
SWITCH
SHUNT
REGULATOR
IC5901
C0DABFC00002
TH5750
+ 2.7V
REGULATOR
OUT
VCC
24
VO
VIN
81
5
QR5502, QR5503
DC DETECT
Q2711
DW2710
DW2810
DCDET
D2810
DW2811
D2901,
D2904
D2700
DC DETECT
SW+5V
DAMP +5V
M+9V
DC DET
-7V
-VP
DVD PCONT
D+3.3V
NSW1.2V
TO SYSTEM
CONTROL
1, 2, 3
H5903CN5502
8, 9, 10
H5903CN5502
4
CN5902
7
CN5902CNP2710
CNP2710
12
H5903CN5502
- 30V
M+18V
-7V
DCDET
+ 30V
9, 11
CN2036FP8101
17, 19, 20, 22
CN2036FP8101
2
CN5902CNP2710
SYS6V
12
H5903CN5502
PCONT
10
CN5902CNP2710
SYNC
D+5V
+2.7V
SYS6V
SYSTEM CONTROL
TO
+ 30V
1
CN5902CNP2710
+ 15V
+ 7V
+ 15V
2
CN5902CNP2710
+ 7V
5
CN2810
CNP2810
PCONT
DVREF
VREF
- 30V
M+ 18V
8
CN5902
CNP2710
1
CNP5904
H6703
2
CNP5904
H6703
+18V
FL1
FL2
STBY
+18V
POWER
SUPPLY
POWER
SUPPLY
SA-VK960GCP
22
All manuals and user guides at all-guides.com

Related product manuals