EasyManua.ls Logo

Panasonic SB-PF960 - Schematic Diagrams: DVD Module Circuit (cont.); DVD Module Circuit Schematics (Sheet 4)

Panasonic SB-PF960
70 pages
Print Icon
To Next Page IconTo Next Page
To Next Page IconTo Next Page
To Previous Page IconTo Previous Page
To Previous Page IconTo Previous Page
Loading...
: DVD RF SIGNAL LINE
15 16 17 18 19 20 21 22 23 24 25 26 27 28
I
J
L
M
N
P
O
K
6
7
5
2
4
3
8
1
TO DVD MODULE
SECTION (2/4)
TO DVD MODULE
SECTION (3/4)
: +B SIGNAL LINE
22
R8564
47K
R8568
0.1C8561
R8563
1K
R8567 51
R8566 56
2.2
R8565
C8563
6.3V47
R8261
82K
82K
R8263
C8258
0.1
16V47
C8257
R8251
6.8
C8255
16V22
C8256
0.1
0.1
C8262
2
4
3
1
6
5
FP8251
K8251 0
R8262
15K
R8264
15K
0.1
C8261
TRDRV
FODRV
TRVFTMUTE
C8251
6.3V220
0.1
C8252
0.1
C8253
1
2
3
4
5
6
7
8
9
29 30
10
11
14
12
13
19
20
21
22
23
24
25
26
27
28
18
15
17
16
MOTOR DRIVE
C0GBG0000048
IC8251
231
546
POWER CONTROL
XP0621400L
QR8111
SP_MUTE
SPMUTE
TRV_DRV
SP_DRV
4
2
1
3
D1H422320002
RX8111
C8112
1
D+3R3V
C8113
470P
L8550
G1C100KA0055
6.3V33
C8550
A5V_L8550
C8111 0.1
68
R8554
R8553 1K
R8532
2.2K
R8533
0
C8532
220P
VIN5
VIN6
C8530
0.1
DVD_CD
C8533
0.1
LB8551 J0JBC0000042
0LB8531
D1H456020001
RX8531
C8531
100P
LB8561 J0JBC0000042
1.5KR8531
LB8530 J0JHC0000045
RX8533
D1H456020001
UNR511V00L
QR8571
4
2
1
3
4
2
1
2
1
3
4
3
D1H456020001
RX8534
VIN3
VIN7
VIN8
VIN2
VIN4
VIN1
LB8259 0
LB8257 0
LB8571 J0JBC0000042
5
7
1
3
6
8
2
4
D1H85604A024
RX8532
0LB8258
LB8260 0
D8571
MA2J72800L
SUPPLY CONTROL SWITCH
HFMON
47K
R8558
15K
R8559
C8572
0.1
C8571
10
TRVFTMUTE
7
8
5
6
9
24
14
16
15
11
12
10
13
22
23
19
20
17
18
21
2
1
4
3
26
25
FP8531
0.1C8551
2.2
R8555
6.3V47
C8553
LD DRIVE
Q8552
B1ADGB000008
LD DRIVE
Q8562
B1ADGB000008
R8557 51
R8556 56
R8562
1K
R8552
1K
C8554 1
C8552
16V10
0
R8551
C8562
16V10
C8564
1
LD DRIVE
2SD1819A0L
Q8551
LD DRIVE
2SD1819A0L
Q8561
0
R8561
RFINP
RFINN
LPC1
LPC2
T+
F-
RF
VCC
GND
T-
TA(DVD)
SUB2
SUB1
LDCD
LDDVD
VREF1
SUBSEL
LDGND
TB(DVD)
TC(DVD)
PIN(CD)
PIN(DVD)
GND(VRCD)
GND(OEIC)
FE2(DVD/CD)
VREF2(RF-)
FE1(DVD/CD)
TD(DVD)
HFM
F+
MUTE4
FIN
LDIN
VIN3
VCC
[CH3,4]
M+9V
VO4-
VO4+
VO3+
VO3-
GND
[CH3,4]
PREVCC
LDCNT
TRIN
MUTE3
BIAS2
SPM+
SPM-
TRVM-
DGND
TRVM+
MGND
TRV_INNER_SW
OPIN-
OPIN+
VO2-
VO1+
VO2+
VO1-
FIN
OPOUT
GND
[CH1,2]
MUTE12
VCC
[CH1,2]
D+5V
BIAS1
VIN2
VIN1
OPIN-
OPIN+
GND
[PRE]
MGND
DGND
VO
VIN
CN
CONT
TRV_INNER_SW
GND
GND
GND
GND
IC8111
+3.3V DC-DC CONVERTER
C0CBCBD00018
TO OPTICAL
PICKUP UNIT
CIRCUIT
IN SCHEMATIC
DIAGRAM - 17
TO SPINDLE /
TRAVERSE MOTOR
VREFH
A65
A66
A67
A68
A69
A70
A71
A72
A106
A99
A100
A101
A102
A103
A104
A105
A98
A73
A74
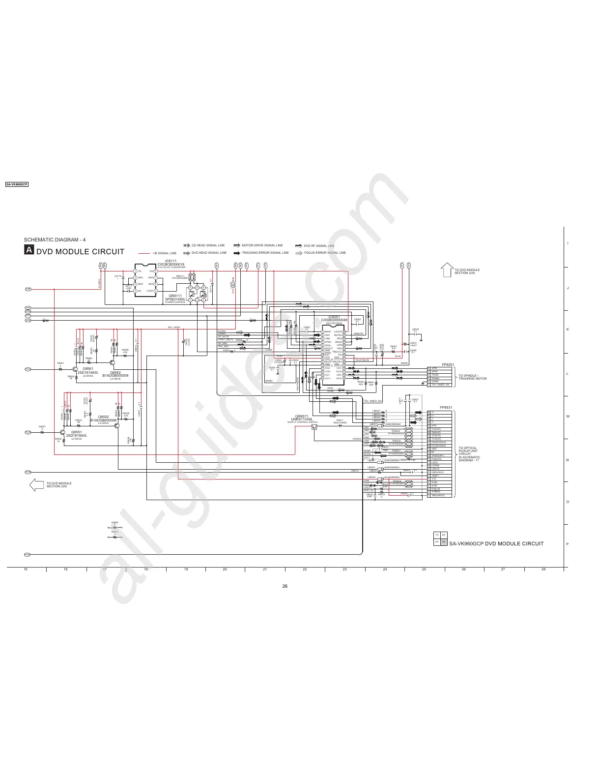
DVD MODULE CIRCUIT
SCHEMATIC DIAGRAM - 4
1/4 2/4
3/4 4/4
SA-VK960GCP DVD MODULE CIRCUIT
0.1
C8254
R8266 0
TRVFT_MUTE
0
K8005
0
K8010
: DVD HEAD SIGNAL LINE
: MOTOR DRIVE SIGNAL LINE
: TRACKING ERROR SIGNAL LINE : FOCUS ERROR SIGNAL LINE
: CD HEAD SIGNAL LINE
SA-VK960GCP
26
All manuals and user guides at all-guides.com
all-guides.com

Related product manuals