EasyManua.ls Logo

Panasonic SB-WA730GCP

Panasonic SB-WA730GCP
32 pages
To Next Page IconTo Next Page
To Next Page IconTo Next Page
To Previous Page IconTo Previous Page
To Previous Page IconTo Previous Page
Loading...
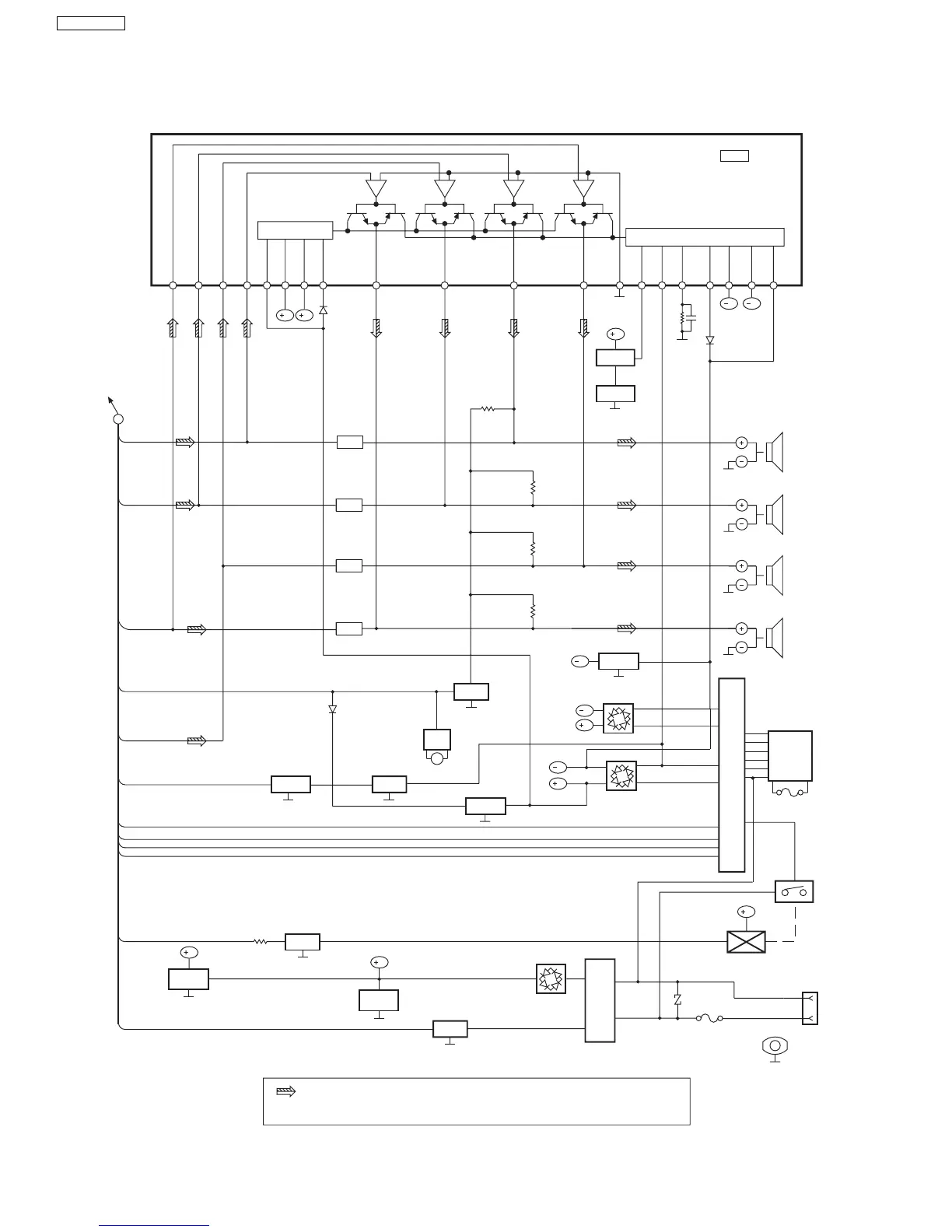
9 Block Diagram
FILTER
Q506
Q505
Q503
D502
D501
Q516
SYNC
PCONT
POWER CONTROL
CIRCUIT
POWER CONTROL/PROTECTION CIRCUIT
26
(25)
22 23 18
(19)
2015 3 6 1
(2)
9
13
14 7
4
21
16
8512(11) 24
SWITCHING
INTERFACE
SWITCH
SWITCH
SYNC
SWITCH
-
+
-
+
-
+
-
+
SL(R)/SURRL(R)
SUBWO/SUBWOOFER
CIN
FLIN(R)
SUBIN
SLIN(R)
+DI SENS
+VD
+VCC HI
+VCC LOW
FL_O(R)
C_O
SUB_O
SL_O(R)
IN GND
DISP HMUT
AC IN
IH DET
-VCC LOW
-VCC HI
-VD
-DI SENS
FILTER
FILTER
FILTER
FL(R)/FRONTL(R)
CCH/CENTRE
Q517
VOLTAGE
REGULATOR
F1
Z501
Q501,
Q502
SWITCH
DC_DET
Q520
INTERFACE
SWITCH
Q511
HP_CNT/MUTE_H
Q515,Q519
DCDET
SWITCH
VOLTAGE
REGULATOR
D597
D598,D599
T501
T502
D508
AC2(5)/SUBAC2
AC1(4)/SUBAC1
TO MAIN
BLOCK
(JK2000) OF
SA-HT730GCP-S
FL1
FL2
B
B
B
Q512
VOLTAGE
REGULATOR
D527~D530
Q518
VOLTAGE
REGULATOR
POWER HIC
SIGNAL LINES
IC501
RSN311W64D-P
JK500
AC INLET
RLY501
POWER TRANSFORMER
SUB
TRANSFORMER
JK502
CENTRE
SPEAKER
SUBWOOFER
JK501
FRONT
SPEAKER
JK501(JK502)
SURROUND
SPEAKER
Q552~Q557
FAN
MOTOR
DRIVE
( ) Indicates Pin No. of Right Channel Note : Signal Lines are applicable to the Left Channel only.
S500
B B
B B
B
B
B
: MAIN SIGNAL LINE
B
B
B
F2
VOLTAGE
SELECTOR
M
A
E500
16
SB-WA730GCP

Related product manuals