EasyManua.ls Logo

Panasonic SC-CMAX5GS - Disassembly of Top Panel Unit; Disassembly of Bluetooth P.C.B. Assembly

Panasonic SC-CMAX5GS
92 pages
Print Icon
To Next Page IconTo Next Page
To Next Page IconTo Next Page
To Previous Page IconTo Previous Page
To Previous Page IconTo Previous Page
Loading...
28
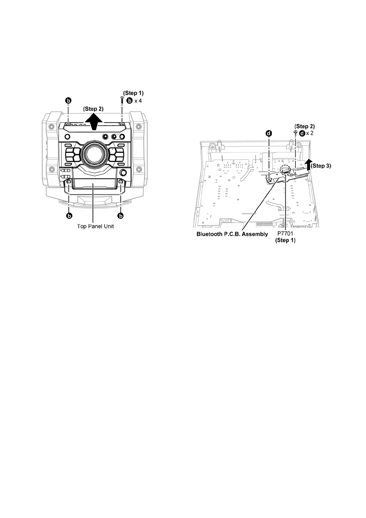
8.9. Disassembly of Top Panel Unit
Refer to “Disassembly of Handle Bar Unit”
Refer to “Disassembly of Rear Panel”
Refer to “Disassembly of Amp Unit Block”
Step 1 : Remove 4 screws.
Step 2 : Remove Top Panel Unit.
8.10. Disassembly of Bluetooth
P.C.B. Assembly
Refer to “Disassembly of Handle Bar Unit”
Refer to “Disassembly of Rear Panel”
Refer to “Disassembly of Amp Unit Block”
Refer to “Disassembly of Top Panel Unit”
Step 1 : Detach 12P FFC at connector (P7701) on Bluetooth
P.C.B. Assembly.
Step 2 : Remove 2 screws.
Step 3 : Remove Bluetooth P.C.B. Assembly.

Table of Contents

Related product manuals