EasyManua.ls Logo

Panasonic TC-P60UT50 - Disassembly Procedure for the Unit

Panasonic TC-P60UT50
102 pages
To Next Page IconTo Next Page
To Next Page IconTo Next Page
To Previous Page IconTo Previous Page
To Previous Page IconTo Previous Page
Loading...
19
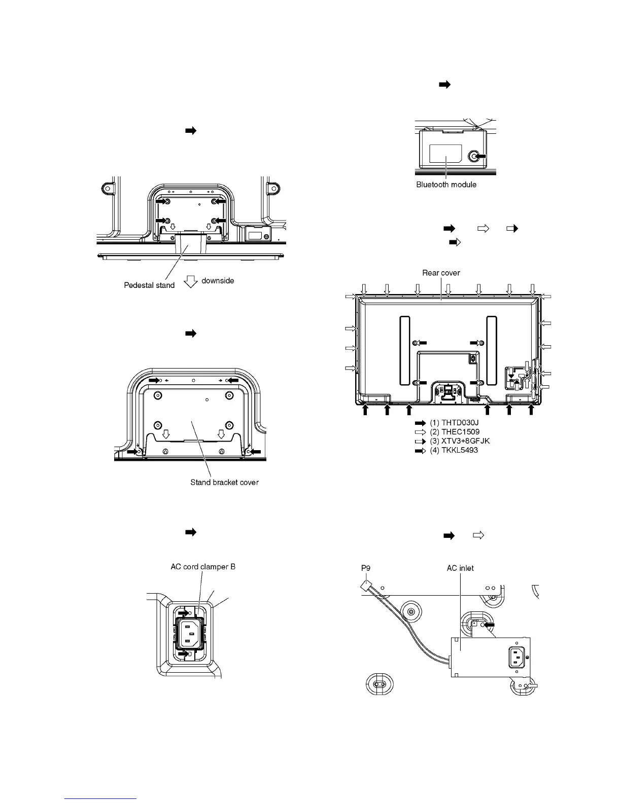
9.2. Disassembly Procedure for the Unit
9.2.1. Remove the Pedestal stand
1. Remove the Plasma panel section from the servicing
stand and lay on a flat surface such as a table (covered
by a soft cloth) with the Plasma panel surface facing
downward.
2. Remove the screws (×4 ).
3. Slide the Pedestal stand to the downside and remove the
Pedestal stand.
9.2.2. Remove the Stand bracket cover
1. Remove the screws (×4 ) and remove the Stand
bracket cover.
9.2.3. Remove the AC cord clamper B
1. Remove the screws (×2 ) and remove the AC cord
clamper B.
9.2.4. Remove the Bluetooth module
1. Remove the screw (×1 ) and remove the Bluetooth
module.
9.2.5. Remove the Rear cover
1. Remove the screws (×6 , ×21 , ×2 ).
2. Remove the M8 caps (×4 ).
3. Remove the Rear cover.
9.2.6. Remove the AC inlet
Caution:
To remove AC inlet wait 1 minute after power was off for
discharge from electrolysis capacitors.
1. Disconnect the connector (P9).
2. Remove the screws (×1 , ×1 ) and remove the AC
inlet.

Other manuals for Panasonic TC-P60UT50

Related product manuals