EasyManua.ls Logo

Panasonic TH-65BFE1W - Page 18

Panasonic TH-65BFE1W
23 pages
Print Icon
To Next Page IconTo Next Page
To Next Page IconTo Next Page
To Previous Page IconTo Previous Page
To Previous Page IconTo Previous Page
Loading...
18
English
2
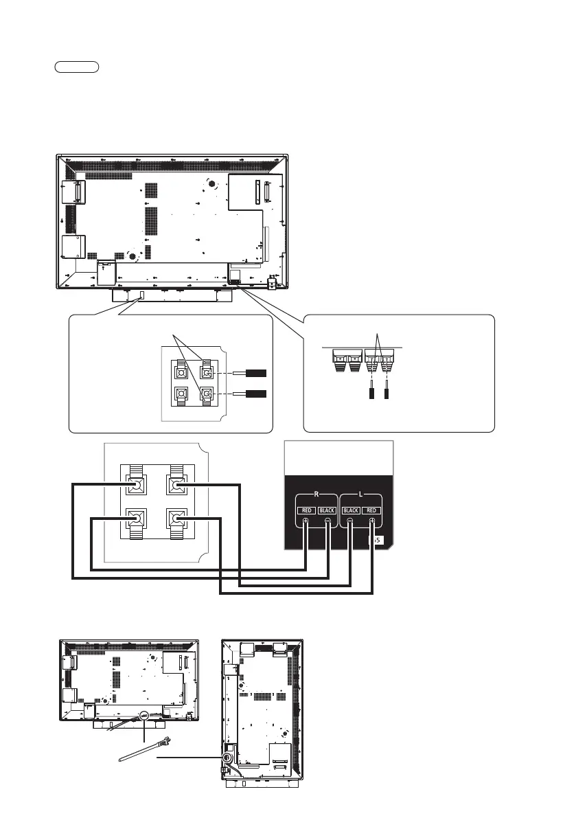
Connecting the speaker cables
With the 2 speaker cables (supplied), connect the EXT SP terminal of the display and the speaker.
Note
●
Connect the R terminal on the display to the R terminal on the speaker, and the same applies for the L terminals
on them.
●
Connect the red terminal on the display to the red terminal on the speaker, and the same applies for the black
terminals on them.
●
When connecting the speaker cable, please take precaution so that short circuit doesn’t happen in the core
wire.
R L
EXT SP
(8Ω,16W [8W+8W])
1. While pushing the lever 1. Pushing down the lever
3. Return the lever
2. Insert the cable
3. Release the
lever
2. Insert the cable
Mount the clamper (supplied) at the following places and fix the mounting cable.

Other manuals for Panasonic TH-65BFE1W

Related product manuals